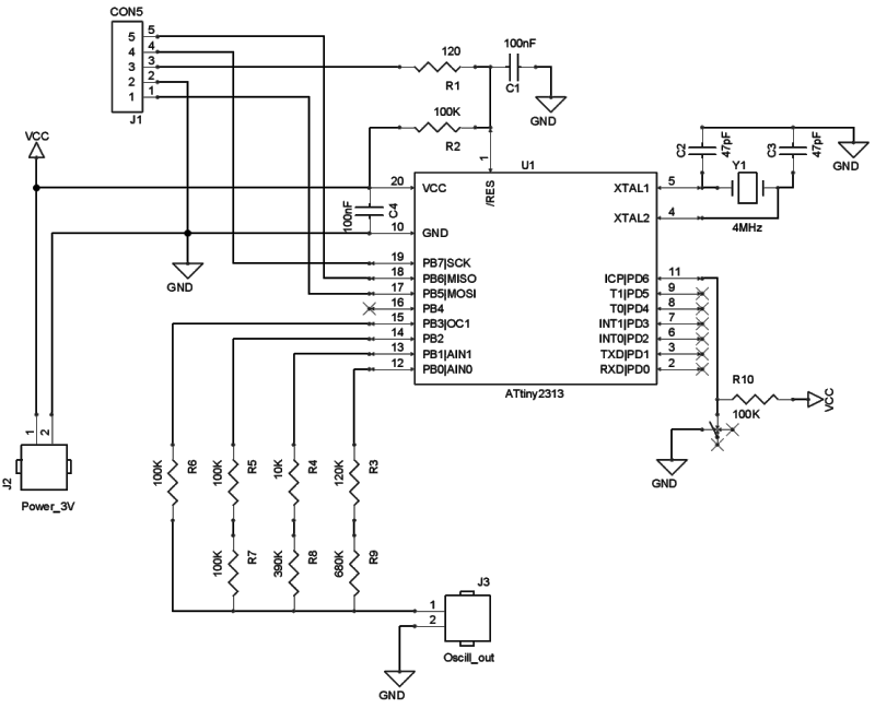
Oto dosyć prosty projekt, dzięki któremu można wyświetlić godzinę na wyświetlaczu oscyloskopu laboratoryjnego. Układ ze względu na bardzo małą ilość elementów zewnętrznych zajmuje bardzo mało miejsca. Zasilany jest za pomocą dwóch baterii AA. Sercem układu jest mikrokontroler attiny2313, który idealnie nadaje się do tego typu urządzeń. Układ pracuje z częstotliwością 4 Mhz. Do wyświetlania godziny wykorzystywane są zaledwie cztery piny mikrokontrolera jako przetworniki cyfrowo analogowe. Taki sygnał podawany na oscyloskop generuje obraz przedstawiający aktualną godzinę w postaci cyfrowej. Wsady do kontrolera dostępne są na stronie źródłowej.

http://www.robotop.biz/atmel_avr.php
Fajne? Ranking DIY
