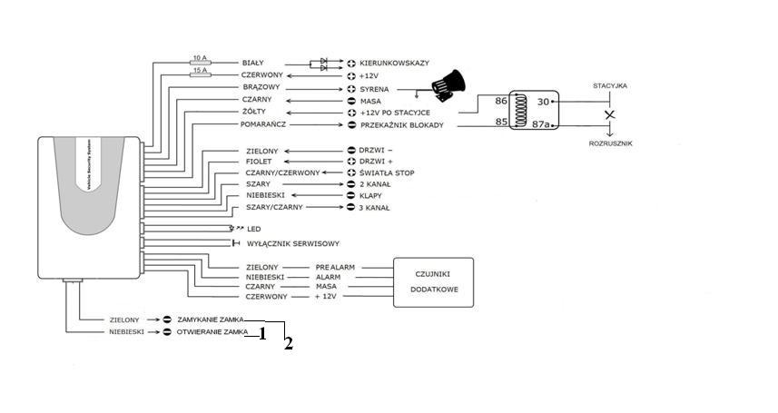
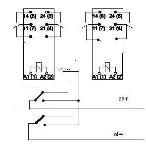
Po podlaczeniu (+) 12V do przekazników nic się nie dzieje i mozliwe, że cos uszkodzilem, ponieważ wcześniej podłaczyłem przewody z centralki zielony i niebieski do przewodow w drzwiach Forda, gdzie na jednym z nich występuje (+)12V. Zamek wówczas otwierał i zamykał drzwi bez przerwy. Jaki to tranzystor ten na zdjęciu i czy można go zastąpić innym?
Całe "ustrojstwo"wygląda jak przedstawilem na zdjęciu. Przekazniki podpiołem zgodnie z zaleceniem. Teraz mikroprocesor komunikuje się, czyli można programować piloty, syrena pracuje, sytem także daje się ustawić. Co teraz dalej, jekiej procedury należy się trzymać aby uruchomić urządzenie?
