Witam, posiadam problem z napisaniem kodu do kontrolowania wyświetlacza. Chciałbym, aby wyświetlacz po naciśnięciu klawisza wyświetlał na jednym z segmentów liczbę lub literę. Po naciśnięciu kolejnego lub tego samego przycisku liczba ta przesuwała by na segment obok i nowa wyświetlała na miejsce starej, aż do końca ośmiu segmentów. Assembler jest dla mnie dość nowym językiem programowania i wciąż próbuję się go nauczyć. Płytka, której używam posiada klawiaturę matrycową i ją udało mi się zgłębić wraz z przypisaniem konkretnej wartości etc., niestety podłączenie do niej wyświetlacza i jego poprawne zaprogramowanie, aby działał jak powyżej trochę mnie przerasta. Poniżej zamieszczam kod, który generuje literę A na wyświetlaczu, a dokładnie 4 pełne A i pół A. Prosiłbym o wskazówki jak zmienić poniższy program, albo jak powinienem postąpić, aby rozwiązać ten problem. Z góry dziękuję za wszelką pomoc
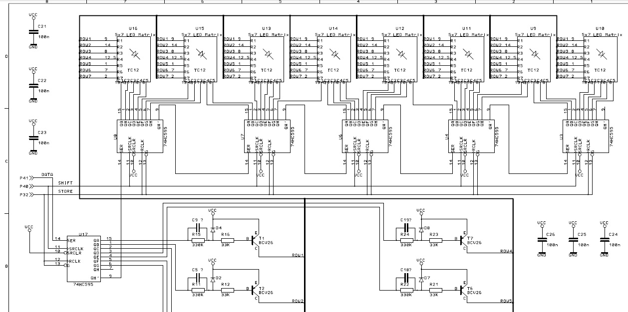
. W załączniku znajduje się schemat. Poniżej zamieszczam kod:
Kod: text
