logo elektroda
logo elektroda
X
logo elektroda
REKLAMA
REKLAMA
Adblock/uBlockOrigin/AdGuard mogą powodować znikanie niektórych postów z powodu nowej reguły.

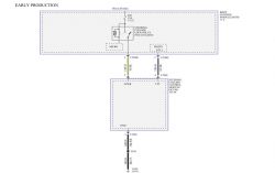
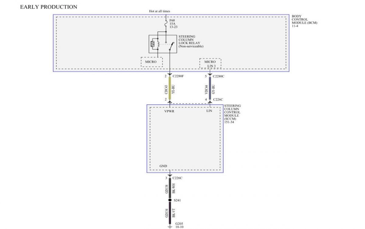
[Rozwiązano] Opis pinów na ryglu Ford Kuga - wtyczka zielona 4-pinowa: Szukam schematu

autoas 14 Lis 2023 19:59 138 3
REKLAMA
  • #1 20816919
    autoas
    Poziom 42  
    Witam!
    Może ktoś podzieliłby się opisem pinów na ryglu, wtyczka zielona 4pinowa (znaczy gniazdo), może kawałek schematu....który do czego....
  • REKLAMA
  • REKLAMA
  • #3 20817758
    autoas
    Poziom 42  
    Dzięki
    Chociaż kolory zupełnie inne i opis tylko 3 pinów hmmm
  • #4 20820329
    autoas
    Poziom 42  
    Najważniejsze że na 3 pinie to K-line i 4 pinie masa....dzięki
REKLAMA