logo elektroda
logo elektroda
X
logo elektroda
REKLAMA
REKLAMA
Adblock/uBlockOrigin/AdGuard mogą powodować znikanie niektórych postów z powodu nowej reguły.

2 wł. , 1 silniczek, zr. pradu (prawo, lewo)

yety 08 Lut 2006 00:09 1376 8
REKLAMA
  • #1 2274275
    yety
    Poziom 12  
    a wiec sa 2 właczniki 1 silniczek i bateria i teraz jak to podłaczyc zeby wciskajac wł 1 krecił sie w lewo a wciskajac wł 2 w prawo.
    z góry dzieki

    ps sciagnijcie plik i dorysujcie co potrzeba
  • REKLAMA
  • #3 2274383
    august_
    Poziom 27  
    Z tych elementów będzie ciężko.
    Najprostsze sterowanie można zrobić np. tak jak w załączniku.
    Jeśli chcesz na przyciskach to bez tranzystorów lub przekaźników się nie obejdzie...
  • REKLAMA
  • #4 2274900
    yety
    Poziom 12  
    no niestety tak musi byc :/ ktos mówil mi jak to zrobic i nie moge sobie tego przypomniec :/ były tam jeszcze półprzewodniki

    |
    _
    /\
    |
  • #5 2275922
    august_
    Poziom 27  
    Gdyby to był prąd przemienny... to jeszcze, ale na łącznikach i diodach przy stałym.. nie mam pojęcia czy da się to osiągnąć...
  • REKLAMA
  • #6 2278616
    yety
    Poziom 12  
    idzie idzie jutro chyba wam to narysuje. naczycielka od podstaw mechatroniki mówiła ze sie da ;]
  • #7 2279053
    august_
    Poziom 27  
    Z chęcią zobaczę, bo całe przedpołudnie na to dzisiaj straciłem...
  • REKLAMA
  • #8 2287052
    yety
    Poziom 12  
    no i niestety do szkoły nie poszedlem ale po feriach sie pastaram i to narysuje i do tego tematu wkleje.
    pozdro
  • #9 2287261
    Ulyssess
    Poziom 17  
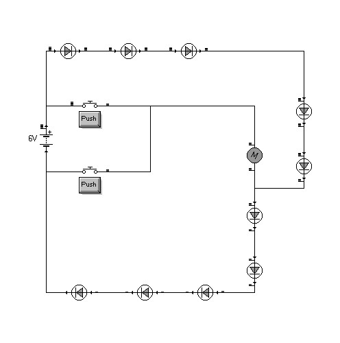
    jedyne co wymysliłem to to. Jeśli oczywiście o takie rozwiązanie chodziło. Zwarcia przez diody nie ma ze względu na ich ilość. Układ przetestowany w starym programie Crocoklip.

    Pozdrawiam Piotrek
REKLAMA