logo elektroda
logo elektroda
X
logo elektroda
REKLAMA
REKLAMA
Adblock/uBlockOrigin/AdGuard mogą powodować znikanie niektórych postów z powodu nowej reguły.

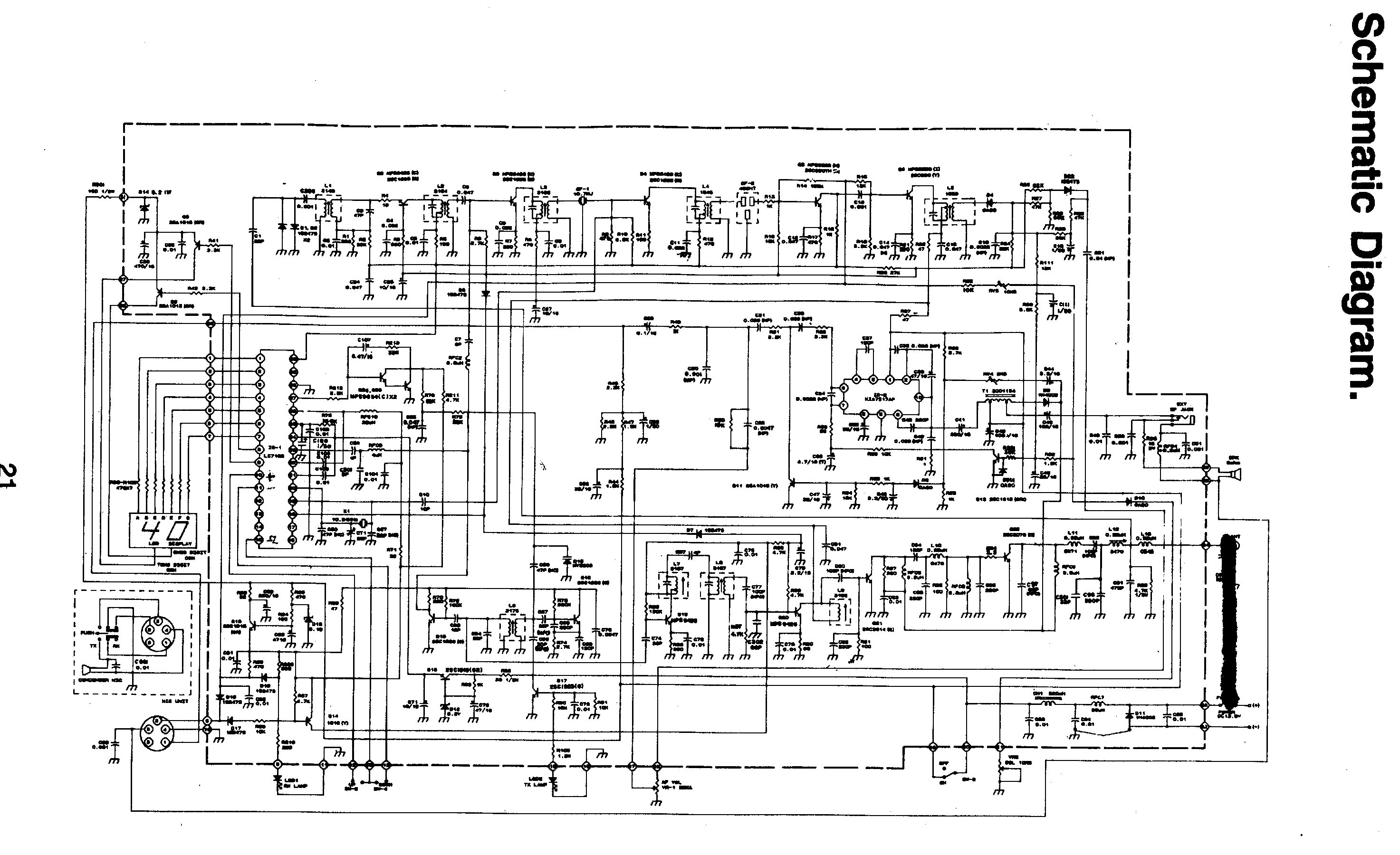
potrzebuje schematu do cb radia sunker elite one

magik7800e 04 Maj 2009 01:30 9950 4
REKLAMA
  • REKLAMA
  • #2 6487157
    przemekjasiu
    Poziom 14  
    Proszę twój schemat a następnym razem szukaj w schematach na forum naprawdę jest ich mnóstwo

    potrzebuje schematu do cb radia sunker elite one


    to jest taki sam jak twój sunker
  • REKLAMA
  • #3 7819959
    Arkadiusz70
    Poziom 11  
    przemekjasiu
    posiadasz może bardziej czytelny schemacik byłbym wdzięczny.:!::!:
  • REKLAMA
  • #5 7825830
    Arkadiusz70
    Poziom 11  
    Serdeczne dzięki, o to mi chodziło!
REKLAMA