logo elektroda
logo elektroda
X
logo elektroda
REKLAMA
REKLAMA
Adblock/uBlockOrigin/AdGuard mogą powodować znikanie niektórych postów z powodu nowej reguły.

VW Touran TDI AVQ sterowanie sprężarką od klimatyzacji

piechu64 13 Cze 2011 22:39 35592 13
REKLAMA
  • #1 9608972
    piechu64
    Poziom 13  
    Posty: 119
    Pomógł: 3
    Ocena: 56
    Witam koledzy.
    Podpowie ktoś na temat sterowania sprężarką od klimy - skąd jest ona wysterowana, ponieważ nie ma zasilania na kostce. Czynnik sprawdzony, presostat nowy. Na presostacie jest + i - 12-14V, na wyjściu ok. 3,12V. Wentylatory w teście elementów startują, sprężarka na 100% sprawna.
    Pozdrawiam.
  • REKLAMA
  • #2 9609037
    zeimp
    Moderator na urlopie...
    Posty: 5260
    Pomógł: 548
    Ocena: 2339
    piechu64 napisał:
    czynnik sprawdzony

    Podaj ciśnienia HP i LP.
  • REKLAMA
  • #3 9609666
    fructon
    Poziom 33  
    Posty: 1594
    Pomógł: 241
    Ocena: 978
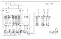
    tu masz czesc schematu VW Touran TDI AVQ sterowanie sprężarką od klimatyzacji
  • #4 9612885
    piechu64
    Poziom 13  
    Posty: 119
    Pomógł: 3
    Ocena: 56
    Kolego fructon możesz podać troszkę większy kawałek schematu , aby obejmował sterownik silnika sprawdziłbym sobie jeszcze przewody od presostatu ,chociaż wydaje mi sie że są ok a klima go nie widzi , a dodam że klima manual , ze schematu widzę że plus sterowania wychodzi bezpośrednia z panelu klimy to na razie dobre info
  • #5 9613153
    fuelinyourblood
    Poziom 35  
    Posty: 2957
    Pomógł: 226
    Ocena: 1390
    jezeli sie nie myle to kompresor steruje sygnal o zmiennej pojemnosci

    VW Touran TDI AVQ sterowanie sprężarką od klimatyzacji
  • #6 9613307
    zeimp
    Moderator na urlopie...
    Posty: 5260
    Pomógł: 548
    Ocena: 2339
    VW Touran TDI AVQ sterowanie sprężarką od klimatyzacji
    VW Touran TDI AVQ sterowanie sprężarką od klimatyzacji
    VW Touran TDI AVQ sterowanie sprężarką od klimatyzacji
    VW Touran TDI AVQ sterowanie sprężarką od klimatyzacji
    Tutaj masz wyjścia ze sterownika (niestety cały schemat musiałem podzielić na trzy).
  • #7 9637552
    piechu64
    Poziom 13  
    Posty: 119
    Pomógł: 3
    Ocena: 56
    Witam odgrzeje temat chciałem podzienkowac za schematy, miałem troche czasu więc zacząłem sprawdzać instalacje , i otóż zasilanie na schemacie jest pin 19 masa , pin 20 +12 kl 30 ja mam na odwrót , następnie CAN jest na 5,6 ja mam na 7,8 mówimy o złączu 20 pinowym , reszta to samo, błędy czujnik ciśnienia ,a przewody ok do panelu , czujnik nasłonecznienia , sterowanie sprężarką (zwarcie do plusa )
  • REKLAMA
  • #8 9638479
    fructon
    Poziom 33  
    Posty: 1594
    Pomógł: 241
    Ocena: 978
    te schematy przesłane przez kolegów mijają sie troche z prawdą wiec nie bierz ich zbyt poważnie can ma byc na pinie 7-8 co do reszty postaram sie wrzucic wieczorem schemat
  • #9 9643476
    piechu64
    Poziom 13  
    Posty: 119
    Pomógł: 3
    Ocena: 56
    Koledzy sprawa wyjaśniona , CAN 7.8 , sprężarka 16 , presostat 5 , dzięki wszystkim

    pozdro
  • REKLAMA
  • #10 9722001
    darier
    Poziom 10  
    Posty: 10
    Ocena: 14
    Witaj może rozwiążesz mój problem mianowicie mam golfa 4 1,4 1998 klimatronik przestała mi działać a wentylator chłodnicy pracuje na wolnych obrotach na zimnym silniku nawet po wyjęciu kluczyka ze stacyjki.
    Klima została nabita ,sprawdzony czujnik ciśnienia na instalacji i nic.
  • #11 9722234
    decybel91
    Poziom 43  
    Posty: 7988
    Pomógł: 1020
    Ocena: 4195
    Sterownik wentylatorów koło akumulatora.
  • #12 9724559
    piechu64
    Poziom 13  
    Posty: 119
    Pomógł: 3
    Ocena: 56
    Sprawdz ten sterownik jak kolega podpowiada , ewentualnie diagnostyka VAG
  • #13 9726956
    darier
    Poziom 10  
    Posty: 10
    Ocena: 14
    sprawdziłem sterownik wentylatorów wydaje się ok natomiast przewód do tego sterownika (niebieski) podaje cały czas napięcie i to on załącza wentylator wiecie od czego on jest.
  • #14 10589056
    piechu64
    Poziom 13  
    Posty: 119
    Pomógł: 3
    Ocena: 56
    problem rozwiązany

Podsumowanie tematu

✨ Użytkownik pyta o problem z brakiem zasilania na kostce sprężarki klimatyzacji w VW Touran TDI AVQ, mimo że czynnik chłodniczy i presostat są sprawne. W odpowiedziach zasugerowano podanie ciśnień HP i LP oraz dostarczono schematy elektryczne, które wskazują na zasilanie sprężarki z panelu klimatyzacji. Użytkownik zauważył niezgodności w pinach złącza 20-pinowego, co mogło wpływać na działanie systemu. Po dalszym sprawdzeniu, potwierdzono, że CAN powinien być na pinach 7-8, a sprężarka na pinie 16. Problem został ostatecznie rozwiązany.
Wygenerowane przez model językowy.
REKLAMA