Witam.
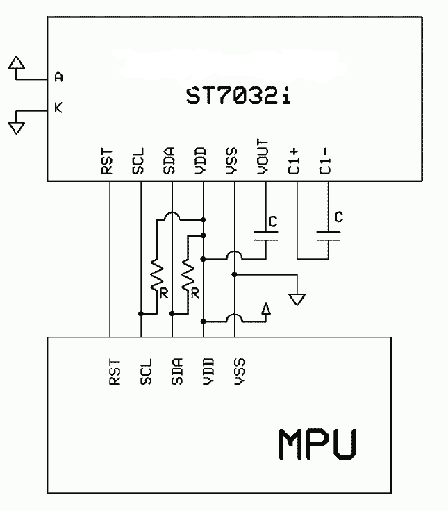
Zaciekawił mnie wyświetlacz na tym sterowniku. Dostępny jest na tej aukcji zyscom-lcd-2x8-orange-neg-fstn-iic-i2c-i1764790684.html. Niestety jest bardzo mało informacji w sieci. Nawet wyszukiwarka elektrody nic o nim nie mówi... Moje pytanie brzmi: czy miał z nim ktoś do czynienia? Czy sprawia problemy? Znajdę gdzieś przykłady kodu w C?
Pozdrawiam
Zaciekawił mnie wyświetlacz na tym sterowniku. Dostępny jest na tej aukcji zyscom-lcd-2x8-orange-neg-fstn-iic-i2c-i1764790684.html. Niestety jest bardzo mało informacji w sieci. Nawet wyszukiwarka elektrody nic o nim nie mówi... Moje pytanie brzmi: czy miał z nim ktoś do czynienia? Czy sprawia problemy? Znajdę gdzieś przykłady kodu w C?
Pozdrawiam
