logo elektroda
logo elektroda
X
logo elektroda
REKLAMA
REKLAMA
Adblock/uBlockOrigin/AdGuard mogą powodować znikanie niektórych postów z powodu nowej reguły.

Niezrozumiały schemat oscyloskopu

MAREK MRK 11 Wrz 2011 14:27 2591 2
REKLAMA
  • #1 9916278
    MAREK MRK
    Poziom 18  
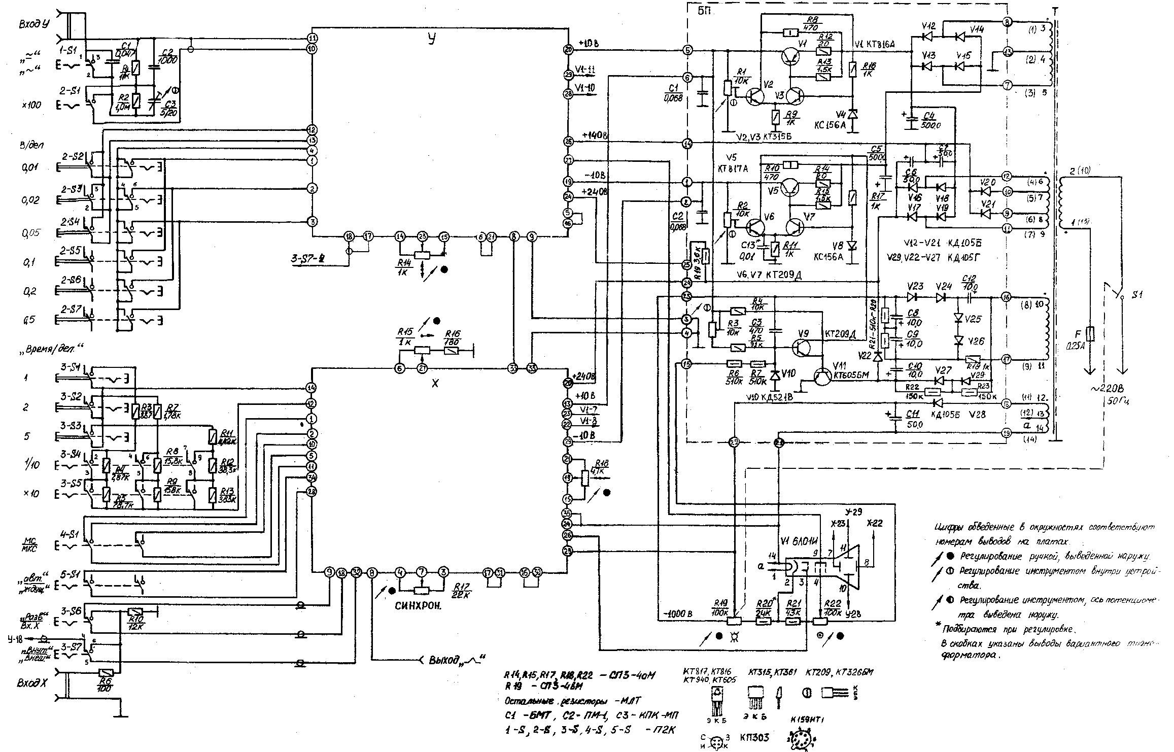
    Witam, posiadam oscyloskop OMŁ-3M, muszę w nim wymienić elektrolity. Z racji, że nie znam rosyjskiego, nie mam pojęcia jak odczytać pojemność kondensatorów, chodzi mi głównie o jednostkę. Dołączam schemat. Prosił bym o pomoc.
    Niezrozumiały schemat oscyloskopu
  • REKLAMA
  • Pomocny post
    #2 9916328
    mariann
    Poziom 38  
    Witam
    Wszystkie pojemności kondensatorów elektrolitycznych, podane są w mikrofaradach (uF) Tam gdzie pisze 500,0 oznacza 500uF, możesz dać 470uF lub trochę więcej. Podobnie w innych przypadkach. Gdy pisze 50,0 tzn. 50uF. 10,0 to jest 10uF. Itp.
    Pozdrawiam
REKLAMA