logo elektroda
logo elektroda
X
logo elektroda
REKLAMA
REKLAMA
Adblock/uBlockOrigin/AdGuard mogą powodować znikanie niektórych postów z powodu nowej reguły.

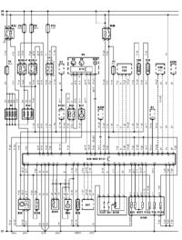
VW tdi pinout ecu 028906021ek

pyton50 18 Lis 2011 14:25 10063 8
REKLAMA
  • #1 10152608
    pyton50
    Poziom 11  
    Witam.
    Potrzebuję pinout sterownika silnika
    nr. 028 906 021ek
    Z góry dzięki.
  • REKLAMA
  • #2 10155460
    BMW-DIAG
    Poziom 1  
    Podaj numer BOSCH, to jak dojadę na warsztat to sprawdzę
  • REKLAMA
  • #3 10155694
    pyton50
    Poziom 11  
    Nr. Bosch 0 281 001 584
  • #4 10179950
    pyton50
    Poziom 11  
    Nikt niema???
  • REKLAMA
  • #6 10180266
    pyton50
    Poziom 11  
    Dzięki za schemat ,masz może do tego opis osprzętu?
  • #7 11223354
    soerencarlsen
    Poziom 2  
    Hello I am new here.
    Does anyone have the possibility for me to find the description for the ecu diagram That I found on this page.
    Thank you.
    Soren
    Google translation

    Witam jestem tu nowy.
    Czy ktoś ma możliwość mi się znaleźć opis ecu diagramie, że znalazłem się na tej stronie.
    Dziękuję.
    Soren
  • #8 11228387
    car centre
    Poziom 18  
    I have ciruit diagram key for volkswagen bora 1.8TDI. Quiet similar.... but not available on a digital version. I can not write all one by one. I can tell you 1, 2 or 3 but not all....

    If anything, contact me by priv. This website does not allow to speak other language than polish

    Regards
  • REKLAMA
  • #9 11228495
    soerencarlsen
    Poziom 2  
    Thank you
    I have the wire harness with the colors that fit the diagram in this thread. but would like to know how the plugs and ecu pins correspond with one another.
    sorry I cannot find a way to PI you.
    Regards
    Soren

    Google translation!

    dziękuję
    Mam wiązkę przewodów z kolorami, które pasują do schematu w tym wątku. ale chciałbym wiedzieć, jak świece i ecu piny odpowiadają ze sobą.
    Przepraszam, że nie może znaleźć drogi do PI Ciebie.
    Pozdrawiam
    Soren
REKLAMA