logo elektroda
logo elektroda
X
logo elektroda
REKLAMA
REKLAMA
Adblock/uBlockOrigin/AdGuard mogą powodować znikanie niektórych postów z powodu nowej reguły.

Najprostszy schemat autoalarmu z sygnałem dźwiękowym na zaliczenie

kamyyllaa 20 Lis 2011 14:20 2989 14
REKLAMA
  • #1 10160716
    kamyyllaa
    Poziom 9  
    Posty: 6
    Poszukuję na zaliczenie przedmiotu najprostszego schematu autoalarmu takiego dosłownie "łopatologicznego". Możecie coś doradzić zagubionej kobiecie?? :)
  • REKLAMA
  • #2 10161344
    jacekko0
    Poziom 31  
    Posty: 1529
    Pomógł: 145
    Ocena: 245
    Schemat alarmu czy połączeń potrzebujesz?
  • REKLAMA
  • #3 10161391
    kamyyllaa
    Poziom 9  
    Posty: 6
    Schemat polaczeń min 10 elementów w układzie. Usiłuje coś sama poczynić ale boje się że prowadzący mnie wysmieje bo wiadomo - "baba to sie nie zna" więc zwracam się do ludzi bardziej ogarniętych w te klocki niz ja. Z góry dziękuje!
  • #4 10161419
    Błażej
    VIP Zasłużony dla elektroda
    Posty: 23620
    Pomógł: 1923
    Ocena: 3617
    To może sama zaprezentuj, co do tej pory opracowałaś. Zadania domowego tutaj za ciebie odrabiać nie będziemy.
  • #5 10166978
    kamyyllaa
    Poziom 9  
    Posty: 6
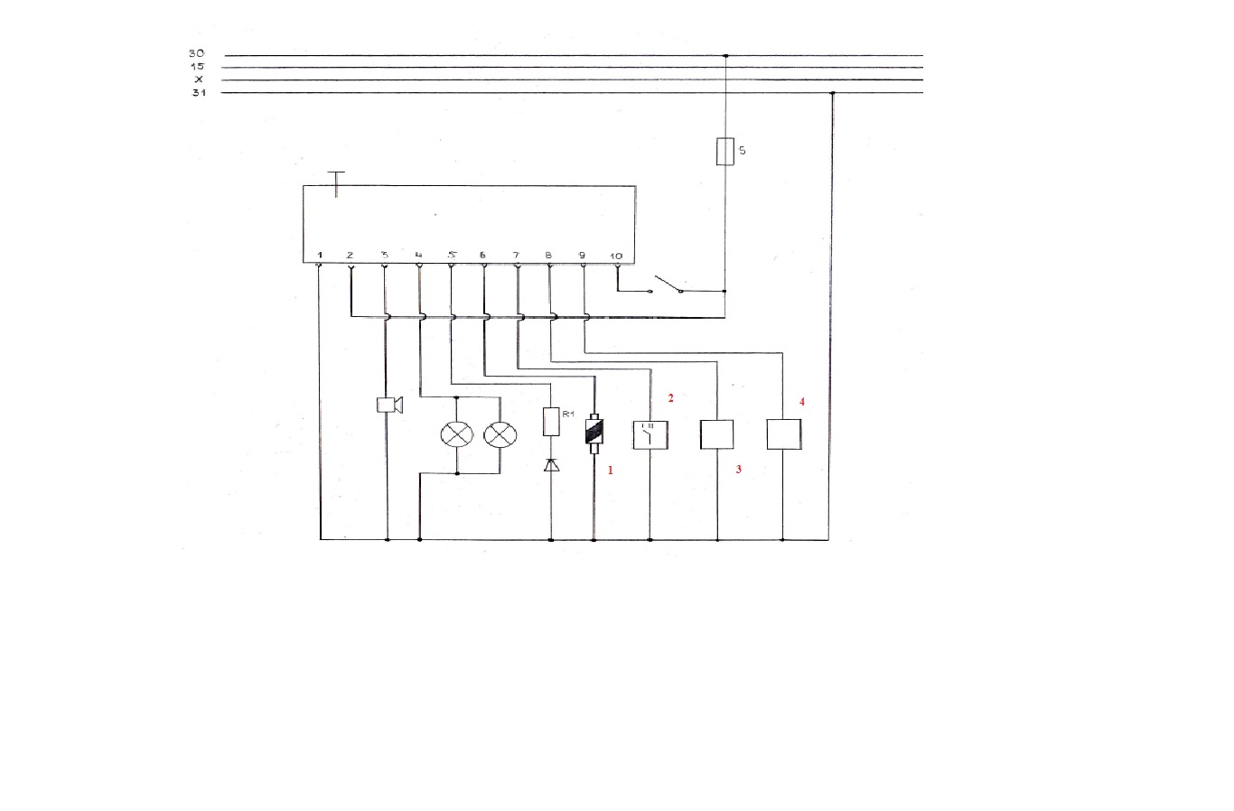
    Najprostszy schemat autoalarmu z sygnałem dźwiękowym na zaliczenie

    A proszę bardzo moje wypociny
    1- to jest czujnik drzwi kierowcy
    2- stacyjka
    3- centralny zamek (otwórz) nie wiem jak oznaczyc :(
    4- centralny zamek (zamknij) nie wiem jak oznaczyc :(

    reszta chyba raczej oczywista

    Czy tak jest ok?? Czy schemat nie jest zbyt prosty??
  • #6 10167180
    GRafal
    Poziom 20  
    Posty: 293
    Pomógł: 44
    Ocena: 71
    Jeśli 2 to stacyjka, to linia powinna być poprowadzona bezpośrednio z linii oznaczonej 15, bez tego kwadracika...
    -led sygnalizacyjny powinien być odwrotnie spolaryzowany, lub doprowadzony do linii 30
    -sygnalizacja światłami dwa oddzielne wyprowadzenia
    -wyjście na centralny zamek raczej względem plusa (alarmy podają masę) w środek kwadracików wstaw symbol tranzystora P-N-P
    -możesz dodać czujniki wstrząsowe, ruchu, holowania (+ czujnika do 30, masa tego czujnika to dodatkowe wyjście z Twojego alarmu, a wyjście z czujnika to dodatkowe wejście takie jak drzwi)
    - możesz dodać takie wejście jak drzwi dla klap (alarmy często mają oddzielne wejścia aby rozróżnić źródło alarmu)
  • #7 10170067
    kamyyllaa
    Poziom 9  
    Posty: 6
    pytanie czemu stacyjka pod 15??

    dzięki za pomoc
  • REKLAMA
  • #8 10170441
    GRafal
    Poziom 20  
    Posty: 293
    Pomógł: 44
    Ocena: 71
    Pytanie, a co to jest 15, 30, 31?
  • #10 10170666
    kamyyllaa
    Poziom 9  
    Posty: 6
    GRafal napisał:
    Pytanie, a co to jest 15, 30, 31?


    Zacisk 15 jest zasilany przez włacznik zapłonu
    zacisk 30 tu jest zawsze napięcie akumulatora
    zacisk 31 masa
  • #11 10171196
    GRafal
    Poziom 20  
    Posty: 293
    Pomógł: 44
    Ocena: 71
    kamyyllaa napisał:
    pytanie czemu stacyjka pod 15??

    Hmm...
    kamyyllaa napisał:
    Zacisk 15 jest zasilany przez włacznik zapłonu

    zdaje się że stacyjka to właśnie włącznik zapłonu..
  • #12 10171574
    Błażej
    VIP Zasłużony dla elektroda
    Posty: 23620
    Pomógł: 1923
    Ocena: 3617
    Przecież wystarczy przejrzeć trochę schematów alarmów obecnych na rynku, by wyłonił się pewien standard podłączeń. Wiadomo, że potrzebne są zasilania, wejścia obwodów i czujników, wyjścia sygnalizacji, blokada lub wyjście do jej sterowania.
    I w zależności od rozbudowania alarmu, różna będzie liczba połączeń. Od ***, gdzie liczba połączeń jest minimalna, po jakieś chińczyki, gdzie liczba kanałów dodatkowych i wodotrysków jest zadziwiająca. Co ciekawsze, to pod względem jakości i niezawodności *** bije chińszczyznę na głowę.
    Koleżanka niech wykaże trochę zaangażowania i zajrzy w link podany przez carrier'a.


    Nazwę alarmu i opis braków w projekcie usunąłem. Autorce nie chciało się nawet zastanowić nad tym, co wypunktowałem. Więc równie dobrze mógłbym po prostu pisać bla bla bla bla...
  • REKLAMA
  • #13 10172113
    kamyyllaa
    Poziom 9  
    Posty: 6
    Jest mi niezmiernie przykro ze nie zapoznałam się z zasadami budowy alarmów samochodowych zamieszczonych na stronach forum, no i oczywiście ze nie znam symbolu centralnego zamka bo go przecież wcale nie szukałam!!!! Myślisz ze jakbym wszystko ogarniała co i jak na tych schematach to bym szukała pomocy tutaj?? Chciałam po prostu żeby ktoś mi łopatologicznie wytłumaczył podłączenia i pomógł skombinować prosty układ. Mówiłam ze sie nie znam i proszę o pomoc. Ale widze na tym formu sami "FACHOWCY" potrafiący tylko krytykować.
  • #14 10172714
    CameR

    Moderator Zabezpieczeń Pojazdów
    Posty: 7690
    Pomógł: 1136
    Ocena: 3259
    kamyyllaa napisał:
    Ale widze na tym formu sami "FACHOWCY" potrafiący tylko krytykować.

    Na tym forum wymaga sie od wszystkich użytkowników tzw."minimum wiedzy".
    kamyyllaa napisał:
    żeby ktoś mi łopatologicznie wytłumaczył podłączenia i pomógł skombinować prosty układ

    To ma być własnoręcznie wykonany układ, czy zaadoptowany produkt fabryczny?
    Konto firmowe:
    ABC KOM
    Barcelońska 77, Katowice, 40-683 | Tel.: 601XXXXXX (Pokaż) | Strona WWW: https://www.auto-alarm.com.pl
    Pomogłem? Kup mi kawę.
  • #15 10173307
    Błażej
    VIP Zasłużony dla elektroda
    Posty: 23620
    Pomógł: 1923
    Ocena: 3617
    Skoro otrzymałaś takie zadanie, znaczy to, że pobierasz nauki z zakresie technicznym. Bo na pewno nie jest to zagadnienie profilu humanistycznego. A skoro masz do czynienia z zagadnieniami technicznymi, to powinnaś wiedzieć, jaki jest symbol choćby wyłącznika krańcowego, czy też chwilowego. Powinnaś też potrafić podłączyć POPRAWNIE zasilanie do urządzenia, a nie rysować stacyjki załączającej masę. Przykro powinno ci być z powodu twojej ignorancji i lenistwa, bo dostałaś link do listy, w swoim poście wypunktowałem wszelkie braki twojego (śmiem wątpić, jest to po prostu walnięte na odwal się byle co) "projektu". Podałem nawet typ bardzo dobrze opisanego autoalarmu. Nawet nie pokusiłaś się, by SAMEMU coś zrobić. Bo przecież opisy wyprowadzeń autoalarmów i ich funkcji nie dotyczą zagadnienia nad którym pracujesz...

    CameR napisał:
    To ma być własnoręcznie wykonany układ, czy zaadoptowany produkt fabryczny?

    Camer - co za różnica? Przeczytaj uważnie, co autora pisze -
    kamyyllaa napisał:
    pomógł skombinować

    Czyli tak na prawdę - weźcie i zróbcie za mnie.
    W swoim poprzednim poście wypunktowałem, co najbardziej boli ten schemat, ale autorka zamiast się nad tym zastanowić, to woli sobie pobiadolić i ponarzekać, jacy to my źli jesteśmy.

Podsumowanie tematu

✨ Użytkowniczka poszukuje najprostszego schematu autoalarmu z sygnałem dźwiękowym na zaliczenie. W odpowiedziach pojawiają się pytania dotyczące schematu połączeń oraz elementów, które powinny być uwzględnione, takich jak czujniki drzwi, stacyjka, centralny zamek oraz sygnalizacja. Użytkownicy sugerują dodanie czujników wstrząsowych i ruchu oraz wyjaśniają znaczenie zacisków 15 (zasilanie przez włącznik zapłonu), 30 (napięcie akumulatora) i 31 (masa). Krytyka dotyczy braku zaangażowania autorki w samodzielne opracowanie schematu oraz podstawowej wiedzy technicznej.
Wygenerowane przez model językowy.
REKLAMA