logo elektroda
logo elektroda
X
logo elektroda
Adblock/uBlockOrigin/AdGuard mogą powodować znikanie niektórych postów z powodu nowej reguły.

Atmega32 - Łączenie logik 3V3 z 5V przy użyciu RS485

MES Mariusz 18 Mar 2013 10:37 3051 12
  • #1 12076498
    MES Mariusz
    Poziom 36  
    Witam.

    Chciałbym się upewnić, czy poniższy układ będzie działał poprawnie:

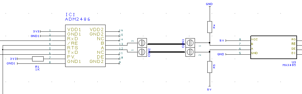
    Po lewej stronie układu IC1 logika 3V3. Po prawej logika 5V.

    Atmega32 - Łączenie logik 3V3 z 5V przy użyciu RS485

    ADM2486 ma zapewnić separację galwaniczną. Linie 9...11 oraz 14...16 wiszą w powietrzu / nie wykorzystywane. R4, R5 - rzeczywiście niezbędne?
  • #2 12076721
    BlueDraco
    Specjalista - Mikrokontrolery
    Będzie. Przecież te dwie strony nic o sobie nie wiedzą.
  • #3 12076926
    kamyczek
    Poziom 38  
    Mimo że rozwiązanie tego typu będzie działało ,to jest niezbyt szczęśliwe i nieprofesjonalne. Jest tyle sprawdzonych i prostych realizacji zagadnienia z wykorzystaniem układów TTL , tranzystorów czy specjalizowanych konwerterów poziomów logicznych np ST2378E lub podobnych że taka propozycja jest nie tylko mało wygodna ale i nie atrakcyjna pod względem kosztów takiego rozwiązania.
  • #4 12077007
    MES Mariusz
    Poziom 36  
    Konwersja poziomów to jedno, a separacja to drugie. Tu załatwiona jest również kwestia separacji.
  • #5 12077038
    BlueDraco
    Specjalista - Mikrokontrolery
    Jeżli chodzi Ci tylko o separację i zmianę poziomów logicznych, a nie o RS485, to jest do tego mnóstwo układów - seria ADUM14xx Analog devices lub ISO Texas Instruments.
  • #6 12077146
    kamyczek
    Poziom 38  
    Konwersję i separację w obie strony załatwia się na transsoptorach np. PC817 nie wspomnę już o tych z bramką na wyjściu . Nie rozumiem w czym problem kolega wyważa "otwarte drzwi" i nie wiem czemu ma to służyć . Pewne rozwiązania stworzono w konkretnym celu , takim jest rs485 , jego celem było przesyłanie informacji na duże odległości .Idąc takim tokiem rozumowania można do mikrokontrolera podłączyć moduły radiowe i mieć konwersję , separację i izolację galwaniczną tylko pytam po co ? Bardzo chętnie usłyszę jakie zalety ma rozwiązanie zaproponowane przez kolegę ????
  • #7 12077350
    MES Mariusz
    Poziom 36  
    Po jednej stronie jest Raspberry Pi z UARTem na logice 3V3. Po drugiej stronie szyna RS485 z urządzeniami automatyki domowej, z elektroniką pracującą na 5V. Zarówno separacja jak i RS485 bardzo wskazane.
  • #8 12077448
    kamyczek
    Poziom 38  
    Ja bym zastosował ADM485 i 3 * PC817 plus przetwornicę z separacją galwaniczną DC/DC 3,3/3,3 w taki sam sposób zrealizował bym wszystkie węzły na magistrali .
  • #9 12078085
    BlueDraco
    Specjalista - Mikrokontrolery
    Z wpisów wyżej wynikało, że chodzi tylko o separację i konwersję poziomów, a nie o przesyłanie danych na jakieś nietrywialne odległości. Do separacji na płytce można użyć układów, które wymieniłem - sprawują się dużo lepiej od transoptorów. We wcześniejszym wątku zaproponowałem interfejsy RS485 z izolacją w jednym układzie - bodajże ADUM2486 - to chyba załatwia problem całościowo.
  • #10 12080934
    MES Mariusz
    Poziom 36  
    BlueDraco napisał:
    zaproponowałem interfejsy RS485 z izolacją w jednym układzie - bodajże ADUM2486 - to chyba załatwia problem całościowo.


    Wyżej narysowałem w celu konsultacji schemat na tych układach.
  • #11 12081076
    kamyczek
    Poziom 38  
    Jeśli to cały schemat ,to działać nie będzie , a dlaczego musi kolega sprawdzić w nocie katalogowej, bo w niej są wymagania i aplikacja układów. Nie jest chyba problemem zapoznanie się z dokumentacją układu ,który chce kolega użyć w swoim rozwiązaniu ? . Kolejną sprawą jest kwestia poprawności połączeń ,którą można sprawdzić na płytce prototypowej lub stykowej z wykorzystaniem kilku dodatkowych elementów. Nie jest chyba problemem podłączenie diody led ustawienie stanów logicznych na wejściach i weryfikacja wyjść ? To jest zabawa na poziomie technikum elektronicznego z logika ttl . Patrząc na pasek nad zdjęciem kolegi oczekiwał bym raczej że kolega przedstawi gotowe sprawdzone rozwiązanie . Nie powinien też kolega pytać o kawałek schematu wyrwany z kontekstu bo ciężko ocenić jego poprawność . Może nie wszyscy się ze mną zgodzą ale forum powinno uczyć samodzielności i rozwiązywania problemów samodzielnie nie podawać gotowe rozwiązania na tacy w szczególności dotyczy to osób mających "mocno czerwony pasek" .
  • #12 12081345
    MES Mariusz
    Poziom 36  
    Zastanawiałem się po prostu czy po jednej stronie układu mogę użyć tylko sygnały A i B, biorąc pod uwagę, że po tej stronie magistrala jest podciągana do zasilania rezystorami R4, R5 - aplikacja z MAX485 jak na schemacie. Podobno R4, R5 są obowiązkowe. Czy faktycznie? Co do aplikacji scalaka z separacją - z pewnością mogę znaleźć to gdzieś w nocie. Nie zawsze mam na to czas. Wolałbym też usłyszeć coś z praktyki osób bawiących się kostką, a nie tylko dowiedzieć teorii z noty katalogowej. Nie zarzucaj proszę lenistwa komuś, kogo zupełnie nie znasz. Nie wiesz kim jest, jak wygląda jego dzień, jakim dysponuje czasem. Jeśli nie masz ochoty rozmawiać, po prostu zignoruj. Być może kto inny będzie miał taką ochotę.

    --- edit ---

    Przeglądając notę katalogową dochodzę do wniosku, że bez doprowadzenia zasilania od strony magistrali się nie obejdzie, i należałoby zrobić to tak:

    Atmega32 - Łączenie logik 3V3 z 5V przy użyciu RS485

    Nie jestem natomiast pewien czy w tej hybrydzie rzeczywiście wymagane są R4, R5.


    Żale nie na tym forum. Niepotrzebne treści skasowałem.
    Dar.El
  • #13 12084181
    kamyczek
    Poziom 38  
    Czytając ostatni post wnioskuję że można otworzyć pdf i przeczytać na szybko kilka zdań o tym że układ wymaga zasilania strony izolowanej . Nie zgodzę się jednak z rozwiązaniem kolegi długie przewody zasilające nie są idealnym rozwiązaniem ,bo może się na nich indukować wysokie napięcie ,które definitywnie zakończy działanie strony wtórnej magistrali . Producent proponuje przetwornicę z izolacją galwaniczną i to jest najlepsze rozwiązanie tematu izolacji galwanicznej. Rozwiązanie kolegi nie trafia do mnie zupełnie tym bardziej że sumaryczny koszt modułów bez izolacji galwanicznej które mogą zostać uszkodzone z pewnością może osiągnąć cenę samego PI a koszt zabezpieczenia tych modułów jest banalny . Kończąc temat w większości rozwiązań nie warto wydziwiać a najlepsze są proste rozwiązania .

    Niepotrzebne treści skasowałem.
    Dar.El
REKLAMA