Witam
Znalazłem stare radio w szafce (kilkanascie lat leżało). Niestety są zerwane kable przy wtyczce do radia.
Na wtyczce nie pisze które wejscie - który numer, ktoś stopił przy lutowaniu.
Tak wyglądają przewody w mikrofonie po rozkręceniu:
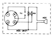
Tak wygląda znaleziony przeze mnie schemat na internecie:
A tak mi się wydaje patrząc na przewody w mikrofonie (zdjęcie nr 1) ktoś przerobił schemat:
[url=https://obrazki.elektroda.pl/7060268900_1447342016.jpg]
To co w środku gruszki nie ruszałem nic, ponieważ nic się nie zerwało natomiast przewody do wtyku przylutowałem tak:
Zrobiłem tak
1 - żółty w oplocie
2 - masa bez izolacji
3 - RX Fioletowy
4 - TX Czerwony
Wiem że jedynka idzie na RF Gain więc zapewne ma być tx(czerwony) lub mikrofon (żółty) Dobrze to zrobiłem? Proszę o wypowiedz i wskazówki.
Pozdrawiam
PS. Cały schemat alan 18

Znalazłem stare radio w szafce (kilkanascie lat leżało). Niestety są zerwane kable przy wtyczce do radia.
Na wtyczce nie pisze które wejscie - który numer, ktoś stopił przy lutowaniu.
Tak wyglądają przewody w mikrofonie po rozkręceniu:
Tak wygląda znaleziony przeze mnie schemat na internecie:
A tak mi się wydaje patrząc na przewody w mikrofonie (zdjęcie nr 1) ktoś przerobił schemat:
[url=https://obrazki.elektroda.pl/7060268900_1447342016.jpg]
To co w środku gruszki nie ruszałem nic, ponieważ nic się nie zerwało natomiast przewody do wtyku przylutowałem tak:
Zrobiłem tak
1 - żółty w oplocie
2 - masa bez izolacji
3 - RX Fioletowy
4 - TX Czerwony
Wiem że jedynka idzie na RF Gain więc zapewne ma być tx(czerwony) lub mikrofon (żółty) Dobrze to zrobiłem? Proszę o wypowiedz i wskazówki.
Pozdrawiam
PS. Cały schemat alan 18