witam.
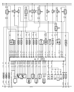
Poszukuje schematu sterownika silnika do Peugeot Boxer 2.8 rok 2002. Auto Gaśnie podczas jazdy poprzedni mechanik u którego był samochód poodcinali niektóre czujniki i teraz ciężko dojść do ładu. Przy sterowniku silnika wisi kilka luźnych przewodów.
Szukałem w internecie i nie ma strony na której są schematy. Peugeot PSA schematique u mnie nie działa. Pobierałem z tych stron
https://cardiagn.com/1996-2007-peugeot-psa-schematique-07h-dvd/
https://allautoinfo.org/wiring-diagram/17562-peugeot-psa-schematique.html
może ktoś wie jak to zainstalować?
Poszukuje schematu sterownika silnika do Peugeot Boxer 2.8 rok 2002. Auto Gaśnie podczas jazdy poprzedni mechanik u którego był samochód poodcinali niektóre czujniki i teraz ciężko dojść do ładu. Przy sterowniku silnika wisi kilka luźnych przewodów.
Szukałem w internecie i nie ma strony na której są schematy. Peugeot PSA schematique u mnie nie działa. Pobierałem z tych stron
https://cardiagn.com/1996-2007-peugeot-psa-schematique-07h-dvd/
https://allautoinfo.org/wiring-diagram/17562-peugeot-psa-schematique.html
może ktoś wie jak to zainstalować?