logo elektroda
logo elektroda
X
logo elektroda
REKLAMA
REKLAMA
Adblock/uBlockOrigin/AdGuard mogą powodować znikanie niektórych postów z powodu nowej reguły.

[Rozwiązano] Subaru Legacy Outback Schemat wyprowadzeń złączy licznika

toshiba 21 Lis 2024 18:01 426 2
REKLAMA
  • #1 21313026
    toshiba
    Poziom 12  
    Posty: 87
    Pomógł: 1
    Ocena: 43
    Witam, jeśli to możliwe to proszę o schemat wyprowadzeń złączy licznika Subaru Legacy Outback.
    Panel wskaźników Subaru Legacy Outback z obrotomierzem, prędkościomierzem, wskaźnikiem temperatury i paliwa.
    Tylny widok panelu liczników samochodu Subaru Legacy Outback z widocznymi złączami.
  • REKLAMA
  • #2 21317302
    toshiba
    Poziom 12  
    Posty: 87
    Pomógł: 1
    Ocena: 43
    Nie udało mi się znaleźć opisu od tego licznika i postanowiłem zrobić to z marszu ,najpierw piny odpowiedzialne za zasilanie następnie pozostałe ,efekt jest taki że działa mi część lampek wraz z podświetlaniem tarczy oraz działa prędkościomierz po podłączeniu do arduino połączonego z Simhub'em,dziala to ładnie pod euro truckiem.
    Zdjęcie licznika samochodowego z prędkościomierzem i obrotomierzem, oraz diagram podłączenia pinów.
  • #3 21321076
    toshiba
    Poziom 12  
    Posty: 87
    Pomógł: 1
    Ocena: 43
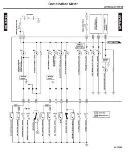
    W końcu znalazłem opis tego licznika, może przyda się komuś jak będzie chciał zrobić licznik do gier na komputer.
    Schemat podłączenia licznika kombinowanego z oznaczeniami złącz.
    Schemat elektryczny układu wskaźników
    Schemat połączeń elektrycznych licznika samochodowego z opisem wskaźników.
REKLAMA