logo elektroda
logo elektroda
X
logo elektroda
REKLAMA
REKLAMA
Adblock/uBlockOrigin/AdGuard mogą powodować znikanie niektórych postów z powodu nowej reguły.

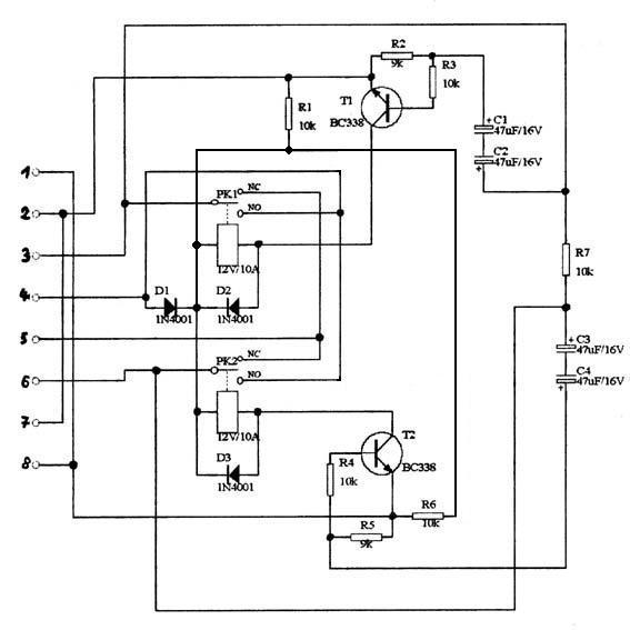
Potrzebuje schemat modułu centralnego zamka.

houk85 28 Lip 2006 11:50 2282 2
REKLAMA
  • #1 2858402
    houk85
    Poziom 15  
    potrzebuje schematu modułu centralnego zamka ponieważ chciał bym sobie wydłużyć czas impulsu podawanego na siłowniki, ponieważ w moim matizie mam w przodnich drzwiach założone uniwersalne siłowniki a z tyłu orginalne z fabrycznego centralnego zamka, problem w tym ze siłowniki z tyłu (te orginalne) nie zawsze zamykają natomiast zawsze otwierają podczas gdy w przodnich drzwiach (te uniwersalne) działają bez zarzutu. Wie ktoś jak to zrobić ?
  • REKLAMA
  • #2 2858926
    zovip
    Poziom 14  
    wydaje mi sie, ze mozesz miec problem, poniewaz moduly standardwo mozna ustawic by sterowaly albo pneumatykami albo elektrycznymi silownikami. Osobiscie nie slyszalem by mozliwe bylo to za posrednictwem jednego modulu. Propnuje wmienic silowniki w drzwiach na jednakowe. wtedy problem zniknie bo zazwyczaj w ustawieniach modulu mozesz wybrac sterowanie silownikow.
  • #3 3567430
    houk85
    Poziom 15  
    wymieniłem kondensatory na inne o troszke większej pojemności i teraz ten moduł podaje impuls napięcia minimalnie dłuższy niż poprzednio, dzięki temu wszystkie siłowniki zdążą zamknąć zamek przed zniknięciem tego impulsu, wszystko działa poprawnie i jest ok, temat uważam za zamknięty
REKLAMA