logo elektroda
logo elektroda
X
logo elektroda
REKLAMA
REKLAMA
Adblock/uBlockOrigin/AdGuard mogą powodować znikanie niektórych postów z powodu nowej reguły.

BMW e36 1.8 1994 - Brak zasilania pompy ABS, kontrolka świeci, co sprawdzić?

Dyca23 13 Paź 2010 23:23 7464 3
REKLAMA
  • #1 8616941
    Dyca23
    Poziom 2  
    Posty: 3
    Ocena: 1
    Siemanko chłopaki mam pytanko , chodzi o ABS mam z nim problem bo nie działa kontrola świeci. Rok temu kupiłem bmw coupe 1,6l rozbitą auto stało rok . Dwa miesiące temu wyjechałem nią i od początku świeci ABS . Kolega podłanczał mi sie pod komputer i okazało sie że wogóle go nie widzi ( tego ABSu) wymieniłem przekazniki ,komputer za schowkiem i dalej to samo czy ktoś coś wie co jeszcze morze być, . PO prostu do pompy nie dochodzi żaden prąd. . Bezpieczniki o`k zasilane prądem przekażniki też . Dodam że rzednie czujniki były rozłanczane.
  • REKLAMA
  • #2 8628784
    jorguseasyrider
    Poziom 16  
    Posty: 132
    Pomógł: 13
    Ocena: 69
    Sprawdz czujniki w kolach na poczatek omomierzem ma wartosc ma byc od 650-1800 omow mozesz rownierz zmierzycz czy jest napiecie okolo 0,25Volta na czujniku, ale w momecie pomiaru kolo ma sie obracac jakies 60 obrotow na minute.
    Mam schemat tylko gdzie go wyslac?
  • REKLAMA
  • #3 8640696
    Dyca23
    Poziom 2  
    Posty: 3
    Ocena: 1
    Dzięki sprawdzę to . a maż jakiś schemat jag byś mógł go wysłac na marcin2114(_at_)onet.eu. dzięki
  • #4 8687021
    jorguseasyrider
    Poziom 16  
    Posty: 132
    Pomógł: 13
    Ocena: 69
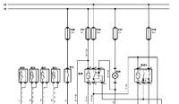
    BMW e36 1.8 1994 - Brak zasilania pompy ABS, kontrolka świeci, co sprawdzić? BMW e36 1.8 1994 - Brak zasilania pompy ABS, kontrolka świeci, co sprawdzić? BMW e36 1.8 1994 - Brak zasilania pompy ABS, kontrolka świeci, co sprawdzić?


    H29 lampka kontrolna
    31 bateria -
    30 bateria +
    S13 czujnik polozenia pedalu hamulca
    B166 czujnik pealu hamulca (podrozy/wychylenia)
    X1 (DLC) gniazdo diagnostyczne
    A16 (ECU) komputer
    F bezpieczniki
    Y22 modulator hydrauliczny
    15 wlacznik zaplonu - gdy wlaczony
    M61 modulator pompy
    K100 przekaznik pompy
    B168 czujnik silnika pompy
    K38 przekaznik systemowy
    B19 czujnik w kole lewy przod
    B20 czujnik w kole lewy tyl
    B21 czujnik w kole prawy przod
    B22 czujnik w kole prawy tyl
    15 czujnik predkosci kol (w piascie)

    Polacz te dwa rysunki.
    Gdybys mial problem z kolorami to napisz...
REKLAMA