logo elektroda
logo elektroda
X
logo elektroda
REKLAMA
REKLAMA
Adblock/uBlockOrigin/AdGuard mogą powodować znikanie niektórych postów z powodu nowej reguły.

Walker +FD 1818 Jak podłączyć?

rafi40 09 Lut 2011 20:04 5022 8
REKLAMA
  • #1 9127998
    rafi40
    Poziom 9  
    Witam
    Mam CB Walker z nie oryginalnym mikrofonem Farun 1818 z echem.Działa bez zarzutu jednak zależy mi na zmianie kanałów w gruszce tak jak w oryginale.Zamontowałem dodatkowe przyciski góra-duł ale nie wiem jak je podłączyć.Są wolne dwa przewody :czarny pin 4 oraz niebieski pin 6 w którym jest napięcie 12v.Jest możliwe podłączenie tej zmiany kanałów w prosty sposób.Proszę o schemat .
  • REKLAMA
  • #2 9137927
    kriss51
    VIP Zasłużony dla elektroda
    Radio chyba jest przerobione do zasilania mikrofonu, bo w mikrofonie chyba nie masz bateri, a w gniazdku mikrofonowym nie powinno być 12V. Jeśli tak to brak jednego wolnego pinu do przełączania kanałów w mikrofonie, bo jest aktualnie wykorzystane do zasilania mikrofonu 12V.
  • REKLAMA
  • #3 9138468
    rafi40
    Poziom 9  
    Tak właśnie myślałem ale w mikrofonie jest podłączona bateria 9v.Radio wygląda poza tym na nierozkręcane .Postaram się zamieścić rysunek z podłączeniem w mikrofonie bo pewnie tam jest problem. :cry:
  • REKLAMA
  • Pomocny post
    #6 9139506
    SP5ANJ
    Spoczywaj w Pokoju
    Kolega kriss51 podał wszystko co można było.

    Na schemacie Walkera masz pięknie rozrysowane - co i jak -. Zrób tak jak jest na schemacie i będzie działać UP/DWN.

    Walker +FD 1818 Jak podłączyć?

    Tłumacząc z "polskiego" na "nasze" :

    Walker +FD 1818 Jak podłączyć?


    Pozdrawiam.
  • REKLAMA
  • #7 9149313
    rafi40
    Poziom 9  
    dzieki koledzy za pomoc szczegolnie dla SP5ANJ za przeklad z "polskiego" na "nasze".
  • #8 9160625
    SP5ANJ
    Spoczywaj w Pokoju
    Witam.
    Temat ponownie otwarty.

    Pisałeś o problemach z DWN kanałów. I że UP działa poprawnie.

    Po PW do mnie i problemach z uruchomieniem.

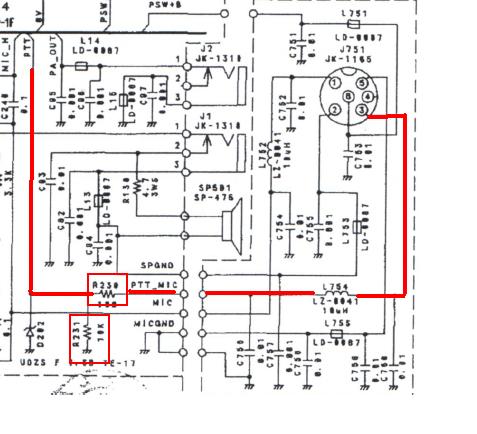
    Zobacz, że opornik (jako dzielnik napięć) definiowany w procesorze - ma po drodze klika oporników, które również są jako "definicja napięć" dla UP (teraz już działający) i DWN (jak piszesz NIE działający).

    Tu pokazałem "drogę" napięć w PTT/UP/DWN na wycinku w schematach :

    Walker +FD 1818 Jak podłączyć?

    i w dalszym ciągu

    Walker +FD 1818 Jak podłączyć?

    Koniecznie musi być opornik 4k7 (4,7kom) .


    Pozdrawiam.
  • #9 9165726
    rafi40
    Poziom 9  
    Zastosowałem ten właściwy rezystor .Teraz wszystko jest ok. Kanały chodzą up/dwn .Jeszcze raz dziękuję za pomoc. Zamykam temat .
REKLAMA