logo elektroda
logo elektroda
X
logo elektroda
REKLAMA
REKLAMA
Adblock/uBlockOrigin/AdGuard mogą powodować znikanie niektórych postów z powodu nowej reguły.

Szukam schematu elektrycznego podłączenia modułu zapłonowego BKL 3B

fanmot 28 Gru 2011 18:45 2632 2
REKLAMA
  • #1 10314715
    fanmot
    Poziom 9  
    Witam poszukuje schematu elektrycznego podłączenia modułu zapłonowego Magneti Marelli BKL 3B do sam fiat croma 2,0 turbo i.e.
  • REKLAMA
  • #2 10315043
    KMal
    Poziom 34  
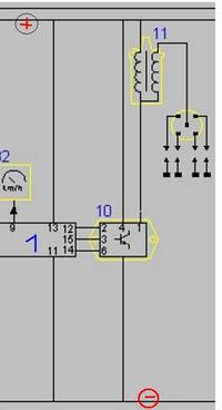
    Witam
    1 - zespół sterowania zapłonu
    10 - moduł zapłonu

    Szukam schematu elektrycznego podłączenia modułu zapłonowego BKL 3B
  • #3 10315670
    fanmot
    Poziom 9  
    Ogromnie dziękuję niestety wygląda na to, że brakuje mi sterownika zapłonu, wiesz może jaki ten sterownik ma symbol? Myślę , że jest to mikroplex ale nie mam pojęcia jaki model
REKLAMA