Witam
Posiadam kilka silników krokowych bipolarnych. Pomyślałem sobie, że napiszę program w Bascomie, który wysteruje taki silnik. Znalazłem też ciekawą stronę na temat silników unipolarnych:
http://diycenter.acid19.linuxpl.com/print.php?type=A&item_id=5
Napisałem program, który wysteruje silnik unipolarny:
$regfile = "m32def.dat"
$crystal = 16000000
Config Portb = Output
Do
Reset Portb.0
Reset Portb.1
Waitms 500
Set Portb.0
Set Portb.1
Waitms 150
Reset Portb.1
Reset Portb.2
Waitms 500
Set Portb.1
Set Portb.2
Waitms 150
Reset Portb.2
Reset Portb.3
Waitms 500
Set Portb.2
Set Portb.3
Waitms 150
Reset Portb.3
Reset Portb.0
Waitms 500
Set Portb.3
Set Portb.0
Waitms 150
Loop
End 'end program
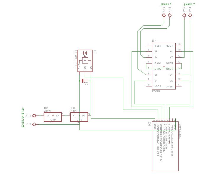
Problem pojawia się przy sterowaniu silnikiem bipolarnym.
Nie mam pojęcia jak zabrać się za pisanie programu, więc proszę o pomoc.
PS
Prezentowany w tym poście program został przetestowany na diodach - działa poprawnie.
Pozdrawiam,
Karol
Posiadam kilka silników krokowych bipolarnych. Pomyślałem sobie, że napiszę program w Bascomie, który wysteruje taki silnik. Znalazłem też ciekawą stronę na temat silników unipolarnych:
http://diycenter.acid19.linuxpl.com/print.php?type=A&item_id=5
Napisałem program, który wysteruje silnik unipolarny:
Kod: text
$regfile = "m32def.dat"
$crystal = 16000000
Config Portb = Output
Do
Reset Portb.0
Reset Portb.1
Waitms 500
Set Portb.0
Set Portb.1
Waitms 150
Reset Portb.1
Reset Portb.2
Waitms 500
Set Portb.1
Set Portb.2
Waitms 150
Reset Portb.2
Reset Portb.3
Waitms 500
Set Portb.2
Set Portb.3
Waitms 150
Reset Portb.3
Reset Portb.0
Waitms 500
Set Portb.3
Set Portb.0
Waitms 150
Loop
End 'end program
Kod: text
Problem pojawia się przy sterowaniu silnikiem bipolarnym.
Nie mam pojęcia jak zabrać się za pisanie programu, więc proszę o pomoc.
PS
Prezentowany w tym poście program został przetestowany na diodach - działa poprawnie.
Pozdrawiam,
Karol
