logo elektroda
logo elektroda
X
logo elektroda
REKLAMA
REKLAMA
Adblock/uBlockOrigin/AdGuard mogą powodować znikanie niektórych postów z powodu nowej reguły.
REKLAMA
  • #1 120103
    azbest
    Poziom 11  
    Witam was wszystkich chciał bym się zapytać w jaki sposób najlepiej zabespieczyć triaka przed przepięciami

    mianowicie sprawa wyglonda tak jest układ typowego regulatora napięcia zbudowany na triaku bt 136 który jest połączony przez przekaznik z mostkiem prostowniczym przekaznik podczas przełanczania (nie za karzdym razem tak się dzieje ) triak ulega uszkodzeniu mianowićie jak można to weliminować .

    dziękuje za pomoc
  • REKLAMA
  • #2 120197
    Bicker1
    Poziom 19  
    podeślij schemat to zobaczymy co się da zrobić
  • REKLAMA
  • #3 120667
    POL02
    Specjalista AGD
    Witaj.
    Nic nie piszesz jaki to jest układ.Ale zakładamże dobór triaka pod względem napięciowym i prądowym jest OK.
    Triak od przepięć można zabezpieczyć przez dołączeniie do niego na A1 i A2 układu szeregowo połączonych elementów R,C - R=100om a C= 0,1uF
    Ponadto można dołączyć warystor na napięcie 250V~.Zobacz temat

    https://www.elektroda.pl/rtvforum/topic18720.html
  • REKLAMA
  • #4 120966
    azbest
    Poziom 11  
    https://www.elektroda.pl/download/dwpl.php?file=inne/pe/sterownik_mocy2.pdf


    A oto schemat tego regulatora nalerzy dodać tam jesio na wyjścu przekaznik który przełancza napięcie albo bezpośrednio do wyjscia albo poprzez mostek prostowniczy wydaje mi się ze wina tu trchwi w tym przekazniku
    Schenat całego urządzenia jest dopiero w fazie powstawania

    pozdrawiam i dziękuje za pomoc
  • #5 121069
    POL02
    Specjalista AGD
    Witam.
    Jeżeli zastosowałeś jako obciążenie przekaźnik to mogą występować w czasie komutacji zał - wył przepiecia i to dość duże.W takim przypadku zastosuj to co Ci napisałem i będzie OK.
  • REKLAMA
  • #6 121411
    azbest
    Poziom 11  
    I zrobiłem tak działa :D nie uszkadza triaka przy przełanczaniu



    Dziękuje wam wszystkim za pomoc pozdrawiam
  • #7 126343
    azbest
    Poziom 11  
    hhhhhhhhmmmmmmmm jednak nie dokońca działa jak powinien :cry: przy prubie przełączenia przekażnika (nie zawsze) triak ulega uszkodzeniu
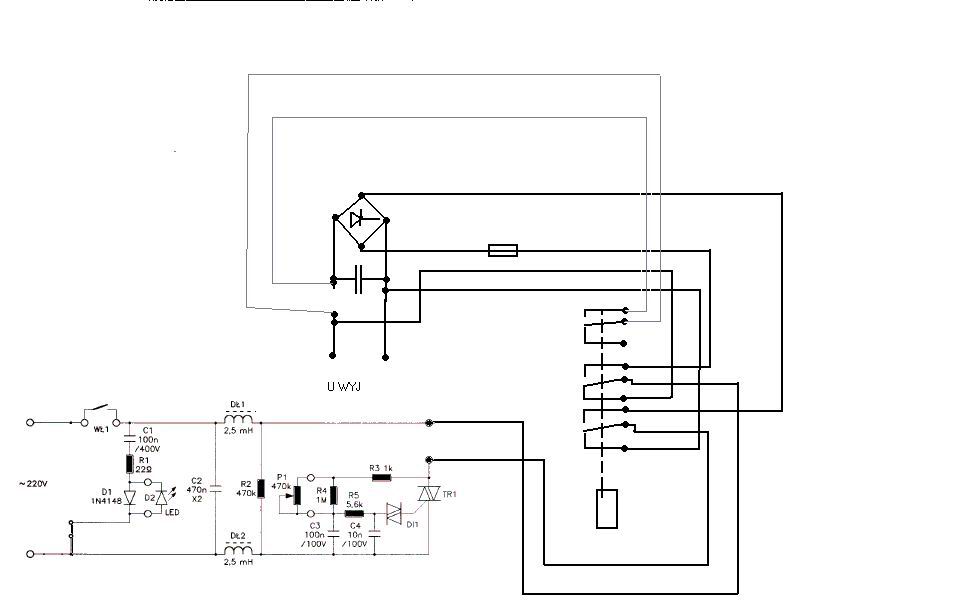
    dołanczam skrucony schemat tego układu
    co sądzicie na ten temat
  • #8 126428
    POL02
    Specjalista AGD
    Witam.
    Muszę przyznać,że tak do końca to ten schemat nie jest czytelny.
    Są styki przekaźnia ale gdzie jest cewka i jej sterowanie.
    A tak w ogóle to podaj :
    1.parametry triaka (prąd i napięcie lub jego typ)
    2.co zasila napięcie wyjściowe (jaki charakter obciążenia i jaki prąd)
    Ponadto podaj pełny schemat ze sterowaniem przekaźnika oraz gdzie przypiąłeś elementy gasikowe.
REKLAMA