logo elektroda
logo elektroda
X
logo elektroda
REKLAMA
REKLAMA
Adblock/uBlockOrigin/AdGuard mogą powodować znikanie niektórych postów z powodu nowej reguły.

Ibiza 6L 1.4 16V - Schemat elektryczny, rozpiska pinów

G.A.P.A 16 Paź 2012 22:13 41952 13
REKLAMA
  • #1 11419293
    G.A.P.A
    Poziom 16  
    Witam,
    czy posiada ktoś schemat instalacji elektrycznej - głównie część odpowiedzialna za sterowanie silnikiem - do Seata Ibizy 6L 1.4 16V modelowy rok 2005??. Mile widziana także rozpiska pinów na ECU lub jakiekolwiek informacje, np który pin to +12V po stacyjce. Z tego co się orientowałem to ten typ ECU ma dwa przewody do sterownika zapłonu czy tak?
    Wszelka pomoc mile widziana.
    Pozdrawiam
  • REKLAMA
  • Pomocny post
    #2 11419495
    zeimp
    Moderator na urlopie...
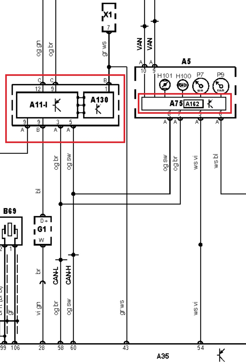
    Tutaj masz do siln. o oznaczeniu BBY = 55KW/75KM

    Ibiza 6L 1.4 16V - Schemat elektryczny, rozpiska pinów

    G1 Alternator
    F Bezpiecznik
    T1 Cewka zapłonowa
    B83 Czujnik ciśnienia w kolektorze ssącym
    B54 Czujnik kąta wychylenia wału korbowego
    B138 Czujnik pedału przyspieszenia
    B169 Czujnik położenia silnika przepustnicy
    B132 Czujnik położenia wałka rozrządu
    B33 Czujnik prędkości
    B69 Czujnik spalania stukowego
    B24 Czujnik temperatury płynu chłodzącego
    B25 Czujnik temperatury zasysanego powietrza
    B149 Czujnik z zaworem układu recyrkulacji spalin
    A162 Komputer sterujący immobilisera
    A177 Komputer sterujący przepustnicy
    A35 Komputer sterujący silnika
    A75 Komputer sterujący tablicy przyrządów
    H100 Lampka ostrzegawcza katalizatora
    H101 Lampka ostrzegawcza przepustnicy
    CAN-H Magistrala danych CAN, przewód sygnału "High"
    CAN-L Magistrala danych CAN, przewód sygnału "Low"
    VAN Magistrala danych samochodu (VAN)
    A130 Moduł diagnostyczny
    Y151 Nastawnik zaworu układu recyrkulacji spalin
    P7 Obrotomierz
    R57 Ogrzewanie układu odpowietrzania przestrzeni korbowej
    B72-I Podgrzewana sonda lambda 1
    B72-II Podgrzewana sonda lambda 2
    M12 Pompa paliwa
    31 Potencjał minus akumulatora
    30 Potencjał plus akumulatora
    P9 Prędkościomierz
    K20 Przekaźnik pompy paliwa
    K281 Przekaźnik wstępnego podawania paliwa
    S13 Przełącznik pedału hamulca
    EP1 Punkt masy 1
    EP2 Punkt masy 2
    EP3 Punkt masy 3
    A52 Rozdzielacz zapłonu
    M89 Silnik regulacyjny przepustnicy
    X28-I Skrzynka bezpieczników/uchwyt przekaźnika, deska rozdzielcza 1
    A5 Tablica przyrządów
    A11-I Wielofunkcyjny komputer sterujący 1
    S79 Wyłącznik główny układu utrzymywania prędkości
    S258 Wyłącznik pedału sprzęgła
    15 Wyłącznik zapłonu - zapłon włączony
    Y104 Zawór elektromagnetyczny filtra z węglem aktywnym
    Y3 Zawór wtryskowy
    X1 Złącze diagnostyczne

    Urządza Cię?
  • REKLAMA
  • Pomocny post
    #3 11419599
    KMal
    Poziom 34  
    Witam.
    Praktycznie to samo, ale inaczej się na to patrzy. Magneti Marelli 4MV na pewno dla silników BBY i BBZ - Seat Ibiza 1.4 16V (2002 do 2009r).

    Ibiza 6L 1.4 16V - Schemat elektryczny, rozpiska pinów
  • #4 11419622
    G.A.P.A
    Poziom 16  
    Super, bardzo mi to pomoże:)
  • REKLAMA
  • #5 11419696
    zeimp
    Moderator na urlopie...
    Tak.
  • #6 11419944
    emeryt2
    Poziom 42  
    Na jednym i drugim schemacie ; po kluczyku /15/ jest na pin. nr.4 , a 30/ bezpośrednio/ na pin nr. 3! Macie jakiś trzeci schemat ??
  • #7 11420122
    KMal
    Poziom 34  
    Witam.
    Kol. <emeryt2> - czegoś w twoim rozumowaniu nie rozumiem, skoro przyznajesz (potwierdzasz), że oba schematy są identyczne i słusznie, to po co Ci trzeci schemat.
    Logicznym byłoby gdybyś szukał trzeciego schematu wtedy, gdy na dwóch byłyby rozbieżności (różnice), a tak nie jest.
  • #8 11421598
    emeryt2
    Poziom 42  
    No cóż , ja w TWOIM rozumowaniu widzę błąd , a raczej BYK!
    Pokaż na którym schemacie masz pin nr.15 ECU / podpowiem , ze to nie odchylanie poziom ani pion , tym bardzie nie przetwornica/ , stąd pytanie o trzeci , może na nim jest!!!!
  • #9 11421707
    KMal
    Poziom 34  
    emeryt2 napisał:
    Na jednym i drugim schemacie ; po kluczyku /15/ jest na pin. nr.4 , a 30/ bezpośrednio/ na pin nr. 3! Macie jakiś trzeci schemat ??


    Emeryt - napisałem, że to co napisałeś jest słuszne, więc po co Ci trzeci schemat.
    Nie krzycz, nie motaj tylko powiedz o co Ci chodzi. Chyba, że ta gatka nie jest do mnie.
    Autor wprawdzie przejęzyczył się z tym pin 15, a moderator potwierdził, ale to Ty kierujesz jakieś BYKI wyraźnie do mnie.
    We wszystkich moich postach nigdzie nie ma liczby 15.
  • #10 11421852
    emeryt2
    Poziom 42  
    Pax , pax , elektronicy .
    Rzeczywiście , potwierdzasz , lecz pytasz po co trzeci schemat , po to ,ze na dwóch nie ma pinu 15 na ECU . Możliwe ,ze i moderator i pytający jako pin15 określają zasilanie po kluczyku - nomenklatura 15!
    Powodzenia w męczeniu się nad nad RTV , ja mam to za sobą!
  • #11 11425799
    zeimp
    Moderator na urlopie...
    emeryt2 napisał:
    nie ma pinu 15 na ECU


    I słusznie! Mój też błąd, że wcześniej nie sprostowałem, że pinu 15 nie ma - potwierdzam, 15 - to plus 12V po kluczyku.
  • #12 20803411
    zeto
    Poziom 12  
    Czy ktoś może podać oznaczenie A11-I i gdzie tego szukać w samochodzie oraz czy A75 znajduje się w liczniku czy jest to osobny moduł?
    Ibiza 6L 1.4 16V - Schemat elektryczny, rozpiska pinów
    Auto nie odpala, miga kontrolka immo na liczniku, brak komunikacji z licznikiem i ECU - z resztą modułów (ABS, poduszki, radio, komfort) mogę się połączyć przez złącze diagnostyczne.
  • REKLAMA
  • #13 20812472
    thomas48
    Poziom 20  
    A75 jest w liczniku.
    A11-I Wielofunkcyjny komputer sterujący 1.
    Raczej pod deską.
  • #14 20971946
    janren
    Poziom 28  
    czy może ktoś podać jak podłączony jest czujnik ciśnienia oleju?
REKLAMA