logo elektroda
logo elektroda
X
logo elektroda
REKLAMA
REKLAMA
Adblock/uBlockOrigin/AdGuard mogą powodować znikanie niektórych postów z powodu nowej reguły.

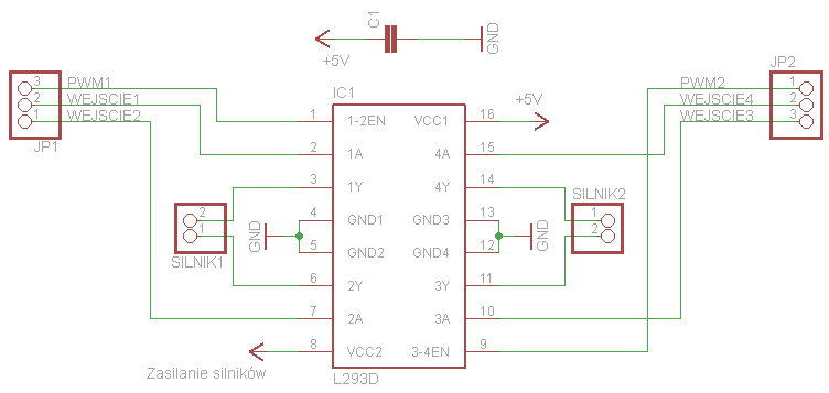
Sterowanie dwoma silnikami DC 12V z Atmega8 i L293 - schemat i PWM

Aldoro Draxy 17 Lis 2012 15:44 2814 9
REKLAMA
  • #1 11539570
    Aldoro Draxy
    Poziom 19  
    Witam wszystkich.

    Postaram się przedstawić zagadnienie szybko.
    Potrzebuje za pomocą jednej Atmegi8, sterować dwoma silnikami DC (12V, max 0,8A). Muszę zmieniać kierunek obrotów oraz prędkość obu z nich (prędkość niezależnie od siebie). Wykorzystując 2 PWM, oraz 4 wyjścia chyba jest to możliwe.
    Czy układ L293 nadaje się do tego celu?
    Czy schemat jest poprawny?
    Może ktoś bardziej doświadczony, poradzi mi, jak to zrobić bezboleśnie?

    Sterowanie dwoma silnikami DC 12V z Atmega8 i L293 - schemat i PWM

    Pozdrawiam, i życzę udanego dnia.
  • REKLAMA
  • Pomocny post
    #2 11539798
    bogdan_p
    Poziom 39  
    Dla silników o prądzie pracy 0,8A L293D jest za słaby zastosuj L298 , sposób sterowania jest identyczny dla L293 / L298 na wejścia 1A / 1B podajesz poziom logiczny zgodna z tabela sterowania na 1-2EN sygnał PWM to wszystko . Odpowiednia kombinacja na 1A / 1B to tryb pracy silnika lewo / prawo / stop , zmiana wypełnienia sygnału na 1-2EN to zmiana prędkości , analogicznie sterujesz drugim mostkiem H układu .
  • REKLAMA
  • #3 11540564
    Aldoro Draxy
    Poziom 19  
    Dziękuje za odpowiedź, bardzo mi to rozjaśnia sprawę, nie mogę tylko dostac tego układziku w sklepie, może jest jakiś zamiennik?
  • Pomocny post
    #4 11540909
    bogdan_p
    Poziom 39  
    L298 kupisz bez problemu w większości sklepów elektronicznych , na znanym portalu aukcyjnym również są gotowe moduły L298+radiator / stabilizator dla części cyfrowej / diody zabezpieczające tak więc jak masz budować od podstaw kupując poszczególne elementy bardziej opłaca się zakup takiego modułu.
  • Pomocny post
    #5 11542733
    rozekk
    Poziom 11  
    ja proponuję zainteresować się tym projektem
    http://www.mcmanis.com/chuck/robotics/tutorial/h-bridge/bjt-circuit.html
    na dalszych stronach jest nawet projekt płytki, a mostek jest o tyle interesujący, że zawiera optoizolację dzięki czemu choćby nie wiadomo co się działo, nie będziesz miał problemów z zakłóceniami od silników+dodatkowo sterowanie diod transoptora rozwiązane jest w taki sposób, że na wyjściu na silnik nie da się uzyskać 'stanów zabronionych' dla mostka, dzięki czemu układ jest w pełni bezpieczny.

    pozdrawiam.
  • #6 11542823
    tmf
    VIP Zasłużony dla elektroda
    Ja proponuję wykorzystać jakiś dedykowany sterownik silnika - zobacz np. ofertę Allegromicro. Taki układ się po prostu podłącza i działa. Mostki z elementów dyskretnych wymagają trochę głębszych wiadomości, wprowadzania dead time i odpowiedniego sterowania.
  • REKLAMA
  • #7 11543019
    Aldoro Draxy
    Poziom 19  
    Potrzebuje to zmontować jutro więc budowa mostka jak i zamawianie z internetu odpada. Mam nadzieje że układzik o którym pisałem wcześniej, zadziała zgodnie z oczekiwaniami.

    Pozdrawiam
  • #8 11548730
    Aldoro Draxy
    Poziom 19  
    Mostek działa idealnie, zgodnie z założeniami. Polecam
  • REKLAMA
  • Pomocny post
    #9 11550231
    rozekk
    Poziom 11  
    a na co się w końcu zdecydowałeś?
    L293D, L298, czy sam zmontowałeś układ?
  • #10 11550261
    Aldoro Draxy
    Poziom 19  
    L293D, tylko taki mieli w sklepie. Silniki najwęcej pobierają 0,5A podczas startu, a normalnie ok 0,3A, więc układ wystarcza.
REKLAMA