Witam.
Czy istnieje coś takiego jak emulator karty sim podłączany do komputera?
Pytam bo mam modem/alarm gsm kupiony za parę zł ale ma zaprogramowany na stałe pin którego niestety nie znam. Pin jest wysyłany do karty podczas uruchamiania modemu do karty sim, pin jest jednocześnie pinem konfiguracji modemu. W temacie Link kolega pisze:
Czy istnieje coś takiego jak emulator karty sim podłączany do komputera?
Pytam bo mam modem/alarm gsm kupiony za parę zł ale ma zaprogramowany na stałe pin którego niestety nie znam. Pin jest wysyłany do karty podczas uruchamiania modemu do karty sim, pin jest jednocześnie pinem konfiguracji modemu. W temacie Link kolega pisze:
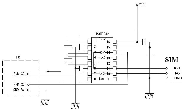
telesystem napisał:Czy ktoś słyszał o programie do odczytywania danych jakie są wysyłane do sima? Interface widziałem na max232 ale nie wiem czy to wystarczy.Kolega obiecał mi program do resetu tego pinu jak znajdzie, nie chciałem czekać i już go odczytałem sprawdzając co wysyła do karty sim i po kłopocie. Nadajniki już działają wyśmienicie.
Pozdrawiam
