logo elektroda
logo elektroda
X
logo elektroda
REKLAMA
REKLAMA
Adblock/uBlockOrigin/AdGuard mogą powodować znikanie niektórych postów z powodu nowej reguły.

Magnum MX - Wskakuje tylko 9 i jest brak reakcji

mareckibzyk 20 Cze 2013 09:09 4314 23
REKLAMA
  • #1 12436467
    mareckibzyk
    Poziom 11  
    Witam.
    KOledzy posiadam radio MX i wyłącza się po chwili i wskakuje na 9.
    Jak dotknę ten element to wszystko powarca do normy.
    Możecie powiedzieć mi co to za element
  • REKLAMA
  • #2 12438751
    SP5ANJ
    Spoczywaj w Pokoju
    Witam.

    To jest końcówka mocy nadajnika 2SC2075 lub 2SC2078 .

    Magnum MX - Wskakuje tylko 9 i jest brak reakcji

    Na schemacie to jest to :

    Magnum MX - Wskakuje tylko 9 i jest brak reakcji


    Pozdrawiam.
  • #3 12439411
    mareckibzyk
    Poziom 11  
    hmm dzieki za pomoc.
    Ale jak wrzuciłem w google i zobaczyłem zdjecie to zupelnie coś innego niż mówisz.
    Jutro rozbiorę radio i zrobię z bliska zdjęcie.U mnie to jest koloru czerwonego i chyba na czterech pinach/stopkach
  • REKLAMA
  • #5 12440613
    multihunter
    Poziom 26  
    Podmień kwarc 10.240Mhz.
    Jak nie pomoże podaj napięcia z jego odnóży względem masy.
    Poprawić widoczne zimne luty.
    Przy syntezie C5121 uważać na ładunki elektrostatyczne żeby jej nie uszkodzić.
  • #6 12441145
    mareckibzyk
    Poziom 11  
    Koledzy to są kondesatory zmienne jakieś trymery za co to jest odpowiedzialne??
    Czy to może być objawem słabego odbioru ??
  • #7 12441256
    multihunter
    Poziom 26  
    Służy do dostrojenia częstotliwości Tx/Rx
  • #8 12441353
    mareckibzyk
    Poziom 11  
    Czyli na jakość odbioru ma wpływ??
  • #9 12441415
    multihunter
    Poziom 26  
    No jasne, że ma. A czego tak męczysz ten trymer ? Może synteza już jest do wymiany...

    Dodano po 8 [minuty]:

    Jak nie masz kwarcu, to podłącz na próbę do nóg 9 i 10 C5121 R ≈1...2MΩ powinien się wzbudzić

    Dodano po 4 [minuty]:

    Magnum MX - Wskakuje tylko 9 i jest brak reakcji
  • REKLAMA
  • #10 12441888
    mareckibzyk
    Poziom 11  
    No bo jak go dotykam to mogę przelanczac na inne kanaly i jest ok.
    a jak zle jest ustawiony to tylko mam zablokowana 9 a pozatym to jakoś slaby odbior mam.a widać ze jest przylutowany i niewiem dlaczego tak sie dzieje.
    i dlatego tak sie o ten element dopytuje
  • #11 12442301
    multihunter
    Poziom 26  
    Czy możesz rozwinąć co znaczy źle ustawiony ?
    Czyli teraz coś się odmieniło i radio działa jak jest dobrze ustawiony ?
    Konkretnie proszę czy to normalna awaria czy wszystko fabrycznie jest na swoim miejscu.
  • #12 12442321
    SP5ANJ
    Spoczywaj w Pokoju
    Witam.

    mareckibzyk napisał:
    Koledzy to są kondesatory zmienne jakieś trymery za co to jest odpowiedzialne??

    Za częstotliwość wzorca układu PLL, który "odpowiada" za poprawną pracę w paśmie CB, w tzw. "0" czy "5" (zera/piątki).

    mareckibzyk napisał:
    Czy to może być objawem słabego odbioru ??

    Oczywiście, że TAK.

    Cytat:
    ... a jak zle jest ustawiony to tylko mam zablokowana 9 a pozatym to jakoś slaby odbior mam.a widać ze jest przylutowany i niewiem dlaczego tak sie dzieje.

    Coś mi się "zdaje", że ten "ktoś" (czytamy : jakiś serwis lub pseudo-serwis) próbował przestroić radiotelefon w pasmo PL, czyli w tzw. "zera".

    Coś mi się również wydaje, że ten ktoś zrobił to bez podstawowej "wiedzy" - co robi i dlaczego. :cry:


    Pozdrawiam.
  • REKLAMA
  • #13 12442333
    multihunter
    Poziom 26  
    Możliwe, że ktoś przekombinował z pojemnościami dławiąc poziom oscylacji aż do ich zerwania
    W uszkodzenie syntezy uwierzę jak zobaczę pomiary
    W malowanki C5121 już przestałem wierzyć jak nabyłem 100% sprawdzony malowany, który okazał się sprawny
    Ponawiam pytanie czy fabrycznie wszystko jest na swoim miejscu ?
  • #14 12442563
    mareckibzyk
    Poziom 11  
    Pomiary zrobię jutro a wygląda na to że wszystko na swoim miejscu.
    A jak go dotykam/dociskam to wszystko ok.
    Potem w czasie jazdy znowu wskakuje 9 i nie ma możliwości przelanczania.
    i znowu rozkręcanie dociskanie .Jutro będę miał troszkę więcej czasu to pomierzę wszystko
  • #15 12443350
    mareckibzyk
    Poziom 11  
    Witam a wiec na kwarcu mierzyłem opór na nózkach 9 i 10 i wogole sie nie wzbudza czyli kwarc do wymiany??
  • #16 12443353
    SP5ANJ
    Spoczywaj w Pokoju
    Witam.

    mareckibzyk napisał:
    Witam a wiec na kwarcu mierzyłem opór na nózkach 9 i 10 i wogole sie nie wzbudza czyli kwarc do wymiany??

    Jaki opór na n. 9 i n. 10 . :?:

    Przypominam, że jest to dział serwisowy.
    Regulamin pkt 3.1.17.

    _____

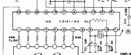
    Wylutuj ten trymerek, który zwiera/zrywa Ci oscylacje rezonatora kwarcowego i zastąp go innym kondensatorem od 15pF do 33pF - lecz takim, abyś wstroił się w żądaną częstotliwość - w "zerach" .

    Magnum MX - Wskakuje tylko 9 i jest brak reakcji

    Prawidłowo przestrojone w "zera" Magnum MX :

    Magnum MX - Wskakuje tylko 9 i jest brak reakcji


    Pozdrawiam.
    PS. Zapoznaj się z zaleceniem tego Forum : https://www.elektroda.pl/rtvforum/topic2053101.html . :!:
  • #17 12443355
    mareckibzyk
    Poziom 11  
    tak tez zrobie dzieki za podpowiedz dam znac jaki bedzie efekt dzieki

    Dodano po 6 [minuty]:

    Kolego SP5ANJ a czy mogę wlutować kondesator 9,8pf-60pf??
  • #18 12443362
    SP5ANJ
    Spoczywaj w Pokoju
    mareckibzyk napisał:
    ... czy mogę wlutować kondesator 9,8pf-60pf??

    Oczywiście, że TAK.


    Pozdrawiam.
  • #19 12443387
    mareckibzyk
    Poziom 11  
    I jeszcze jedno pytanko bo tak przyjrzałem się na kwarc i mam 10,230 a na schemacie jest 10,240 czy to ma wpływ??
  • #20 12443481
    SP5ANJ
    Spoczywaj w Pokoju
    mareckibzyk napisał:
    I jeszcze jedno pytanko bo tak przyjrzałem się na kwarc i mam 10,230 a na schemacie jest 10,240 czy to ma wpływ??

    Oj chyba źle coś odczytałeś.
    Jeżeli kwarc jako wzorzec częstotliwości PLL-a jest 10,240MHz to przy podziale licznika wzorca przez 1024 i/lub 2048 - otrzymujemy krok PLL-a równy 10kHz i/lub 5kHz i radiotelefon pracuje w paśmie od 26,960 do 27,400 MHz.

    Przy kwarcu 10,230 MHz byłoby coś nie tak bo radio pracowałoby przy CH1 na 26,933 MHz nadajnik a na 26,944 MHz odbiornik. :!:
    A kanał 19-sty zamiast na 27,180 MHz, pracowałby na :
    nadajnik - 27,153 MHz
    odbiornik - 27,164 MHz
    :cry:


    Pozdrawiam.
  • #21 12443571
    mareckibzyk
    Poziom 11  
    hmm racja 10.235 ostatnia cyfra zamazana jakims klejem czyli zostaje jeszcze do wymiany kwarc?? czy nie trzeba?
  • #22 12446086
    mareckibzyk
    Poziom 11  
    Koledzy wymieniłem kwarc i wlutowałem dławik szeregowo a takie pytanko jeszcze czy stara ścieżka zostaję od trymera do kwarcu??czy mam ją jakoś przerwać??
  • #23 12453119
    multihunter
    Poziom 26  
    Zrobiłem dziś Cobrę 19 plus, przełącznik 0/5 na mikroprzekaźniku CCCP, cewka nawijana ręcznie na nić szewską jeszcze
    Cóż za piękną anomalię zaobserwoałem:
    elektrolity w zasilaniu C5121 powodowały mogotanie kanałów wskutek wzbudzania się tego stabilizatora Vdd
    Czas robi swoje... fajnie to wygląda jak na kanałach od 1 do 9 migocze sobie ten drugi segment
    Siedzę już nad tym drugi dzień i dwie Cobry 19 plus i za chiny ludowe nie mogę wygenerować tej usterki

    Podejrzewam uszkodzoną syntezę
  • #24 12465988
    mareckibzyk
    Poziom 11  
    Dzieki koledzy za pomoc.
    Wstawiłem kwarc filtr i wyregulowałem.Temat zamykam dzieki raz jeszcze.
REKLAMA