Witam
Proszę o wyjaśnienie niezbyt zrozumiałego przypadku, na jaki się nadziałem podczas zabaw z Megą8 zasilaną 5V i Darlingtonem PNP pod 12V
Może od początku:
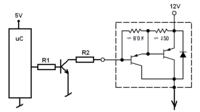
Chcę multipleksować 4 tranzystory PNP, nie ma w tym żadnej filozofii pod 5V, wszystko chodziło poprawnie. Problemy zaczęły się, gdy do Emiterów owych Darlingtonów BD682 podłączyłem 12V (bo takie potrzebuję w projekcie). Niestety tranzystory nie zatykały się w pełni,
1* czy dobrze rozumuję, że było to spowodowane zbyt dużą różnicą napięć między bazą a emiterem tranzystora?
Wymuszałem zewnętrzne podciąganie bazy do 12V przez rezystor 10K - nie zdało egzaminu, rezultat taki sam.
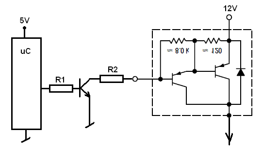
Znalazłem taki schemacik (post #10)
https://www.elektroda.pl/rtvforum/topic1727626.html
który mi pomógł, podłączyłem BC547 + BD682 (z ciekawości też BD140) tworząc ręcznie układ Darlingtona. Multipleksowanie pod 12V działa jak należy, ale...
Niestety nie rozumiem 2* dlaczego zastosowanie samego BD682 nie rozwiązuje problemu (3* czy tu nie jest problemem również, że podciągając jak wcześniej 10K bazę do +12v podciągałem ten tranzystor 'przed' tym drugim w układzie Darlingtona, zamiast bazy drugiego ?), a nie ukrywam, że sam BD682 znacznie zmniejsza mi ilość elementów na płytce niż schemat z postu #10.
Proszę o wyrozumiałość i poradę jak wykorzystać Ukł. Darlingtona zamiast BC547 + BD140 z 3 rezystorami.
Jeśli napisałem w złym dziale proszę o przeniesienie.
Pozdrawiam
Proszę o wyjaśnienie niezbyt zrozumiałego przypadku, na jaki się nadziałem podczas zabaw z Megą8 zasilaną 5V i Darlingtonem PNP pod 12V
Może od początku:
Chcę multipleksować 4 tranzystory PNP, nie ma w tym żadnej filozofii pod 5V, wszystko chodziło poprawnie. Problemy zaczęły się, gdy do Emiterów owych Darlingtonów BD682 podłączyłem 12V (bo takie potrzebuję w projekcie). Niestety tranzystory nie zatykały się w pełni,
1* czy dobrze rozumuję, że było to spowodowane zbyt dużą różnicą napięć między bazą a emiterem tranzystora?
Wymuszałem zewnętrzne podciąganie bazy do 12V przez rezystor 10K - nie zdało egzaminu, rezultat taki sam.
Znalazłem taki schemacik (post #10)
https://www.elektroda.pl/rtvforum/topic1727626.html
który mi pomógł, podłączyłem BC547 + BD682 (z ciekawości też BD140) tworząc ręcznie układ Darlingtona. Multipleksowanie pod 12V działa jak należy, ale...
Niestety nie rozumiem 2* dlaczego zastosowanie samego BD682 nie rozwiązuje problemu (3* czy tu nie jest problemem również, że podciągając jak wcześniej 10K bazę do +12v podciągałem ten tranzystor 'przed' tym drugim w układzie Darlingtona, zamiast bazy drugiego ?), a nie ukrywam, że sam BD682 znacznie zmniejsza mi ilość elementów na płytce niż schemat z postu #10.
Proszę o wyrozumiałość i poradę jak wykorzystać Ukł. Darlingtona zamiast BC547 + BD140 z 3 rezystorami.
Jeśli napisałem w złym dziale proszę o przeniesienie.
Pozdrawiam