logo elektroda
logo elektroda
X
logo elektroda
REKLAMA
REKLAMA
Adblock/uBlockOrigin/AdGuard mogą powodować znikanie niektórych postów z powodu nowej reguły.

Corsa C - wyprowadzenia pinów w centralnym zamku i podłączenie sterownika

wpieniacz88 15 Kwi 2015 22:19 1077 7
REKLAMA
  • #1 14620620
    wpieniacz88
    Poziom 13  
    Witam. Czy ktos znalazł, bądź wie jakie są wyprowadzenia pinów w centralnym zamku. Czy można pod nie podpiąć uniwerlsalny sterownik?. Pozdrawiam.
  • REKLAMA
  • #2 14620638
    karolas123
    Poziom 20  
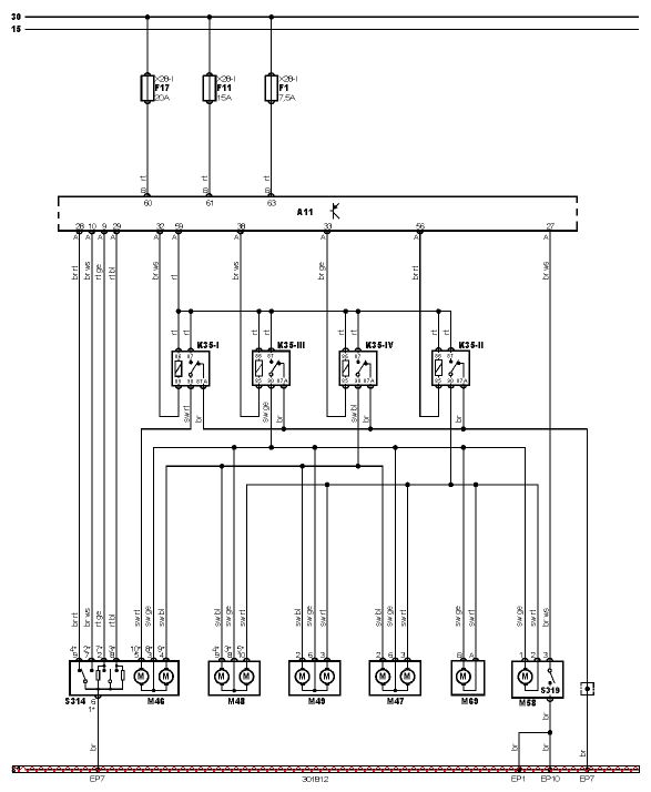
    Corsa C - wyprowadzenia pinów w centralnym zamku i podłączenie sterownika

    Proszę.
  • REKLAMA
  • REKLAMA
  • #4 14621199
    wpieniacz88
    Poziom 13  
    Nie mam w drzwiach wiazki muszę sam wszystko robić. Jak wiesz może czy łatwiej jest kupić oryginalny sterwonik i podpiąć tak jak na schemacie niż kombinować z uniwersalnym sterownikiem ?.
  • REKLAMA
  • #5 14621267
    karolas123
    Poziom 20  
    Oczywiście, ze tak.
  • #6 14622656
    wpieniacz88
    Poziom 13  
    A powiedz mi ino czy oprócz podpięcia będę musiał coś programować czy już nic więcej.
  • #7 14622783
    diesel5857
    Poziom 21  
    jesli chcesz zrobić w oryginale , to bedziesz miał spore wyzwanie

    taniej bedzie uniwersalny
  • #8 14624239
    wpieniacz88
    Poziom 13  
    W sumie masz racje tylko mam problem z umiejscowieniem siłowników uniwersalnych. Nie wiem jak je tam umiejscowić. Jak masz zdjęcie albo wiesz gdzie je przekręcić to jestem zainteresowany. Sterowniki i centralny uniwersalny posiadam.
REKLAMA