logo elektroda
logo elektroda
X
logo elektroda
Adblock/uBlockOrigin/AdGuard mogą powodować znikanie niektórych postów z powodu nowej reguły.

[Rozwiązano] Renault Kangoo 2005 - szukam schematu elektrycznego szyb i dmuchawy

sadek1979 11 Mar 2020 22:52 11118 5
  • #1 18525314
    sadek1979
    Spec od samochodów
    Posty: 2534
    Pomógł: 231
    Ocena: 1405
    Koledzy jak w temacie potrzebuje schematu do kangoo 2005 rok sterowanie elektrycznych szyb z przodu . Brak zasilania na bezpieczniki 19 i 20 odpowiadających za szyby . Przekażnik szyb znajduje się nad skrzynką . Na pin 30 jest zasilanie , 85 masa a brakuje mi sterowania plusem na pin 86 . Posiada ktoś schemat pod ręką by zerknąć skąd idzie sterowanie na 86 . Dodatkowo nie działa dmuchawa ( tez przydałby się pinout ) ale to już chyba rezystor . Pozdrawiam
  • #2 18525449
    gradek83
    Poziom 43  
    Posty: 9055
    Pomógł: 925
    Ocena: 2078
    Podaj vin informacje z plakietki informacyjnej zazwyczaj masz ją na framudze drzwi.
  • #3 18525514
    sadek1979
    Spec od samochodów
    Posty: 2534
    Pomógł: 231
    Ocena: 1405
    VF1KCOSAF35024201 nr vin

    Dodano po 5 [godziny] 33 [minuty]:

    Znalazłem w sieci kawałek schematu i wychodzi że przekażnik sterowany jest z bezpiecznika f25 15A i jest to plus po zapłonie
  • Pomocny post
    #4 18526400
    gradek83
    Poziom 43  
    Posty: 9055
    Pomógł: 925
    Ocena: 2078
    sadek1979 napisał:
    Koledzy jak w temacie potrzebuje schematu do kangoo 2005 rok sterowanie elektrycznych szyb z przodu


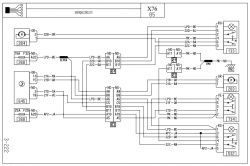
    Kod silnika K4M752 (K4M ENGINE SUFFIX 752)

    Spoiler:


    Trochę tych wariantów sterowania szybami jest.
    Renault Kangoo 2005 - szukam schematu elektrycznego szyb i dmuchawy

    Zapewne będziesz miał
    SSF8Q632/DG/LVE

    Renault Kangoo 2005 - szukam schematu elektrycznego szyb i dmuchawy


    Tylko twoje auto jest z 2005 więc układ bezpieczników wydaje mi się że powinien być inny aczkolwiek może w 2005 wyszedł nowszy model a twój jest jeszcze z przedziału 2001-2005

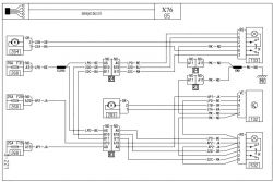
    SSF8Q632/DG/LVI
    Renault Kangoo 2005 - szukam schematu elektrycznego szyb i dmuchawy

    Renault Kangoo 2005 - szukam schematu elektrycznego szyb i dmuchawy Renault Kangoo 2005 - szukam schematu elektrycznego szyb i dmuchawy
    Załączniki:
    • DOCUMENT.zip (1.95 MB) Musisz być zalogowany, aby pobrać ten załącznik.
  • #6 18552688
    sadek1979
    Spec od samochodów
    Posty: 2534
    Pomógł: 231
    Ocena: 1405
    Dziękuję za Wasze podpowiedzi . Jakiś majster odciął przewody zaraz za skrzynka bezpiecznikow . typowa złośliwość bo idealne cięcie ucinaczkami . Dwa przewody żółte za skrzynka .
REKLAMA