logo elektroda
logo elektroda
X
logo elektroda
REKLAMA
REKLAMA
Adblock/uBlockOrigin/AdGuard mogą powodować znikanie niektórych postów z powodu nowej reguły.

[Rozwiązano] FORD C-MAX (2012r) - DW10C przepływomierz pokazuje pełen przepływ

ignac112 22 Lut 2021 11:39 1401 3
REKLAMA
  • #1 19274125
    ignac112
    Poziom 21  
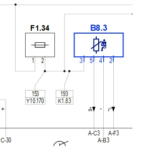
    Mam problem z B-MAX z silnikiem DW10C. Przepływomierz pokazuje pełen przepływ. Przepływomierz ktoś zmienił na nowy ale problem nie zniknął. Objawia się to kodem błędu P0100 i P0103. Sterownik to DCM3.5. Na pinie (3) odpowiadającym za zasilanie jest 3,4V przy odpiętej wtyczce,a przy wpiętej jest 1,9V. Do sterownika jest przejście z 2,4 i 5 pinu. Nie wiem kompletnie gdzie idzie 3 pin. I właśnie tutaj mam pytanie czy ma ktoś schemat do tego modelu i tego sterownika?
  • REKLAMA
  • Pomocny post
    #2 19274445
    dimitriew
    Poziom 16  
    Witaj

    3- 12V po bezpieczniku 34 koło akumulatora
    4- masa ze sterownika
    5- masa powietrza 5V 1.88 - 11kHz BJ 2,7-2,9 kHz
    2- temperatura 20 st ok.2,5 kOm
  • REKLAMA
  • #3 19274631
    ignac112
    Poziom 21  
    Pięknie Ci dziękuje. Właśnie miałem dylemat czy jest standardowo 12v czy może tylko 5v.
  • #4 19275145
    ignac112
    Poziom 21  
    Pięknie Ci dziękuje. Właśnie miałem dylemat czy jest standardowo 12v czy może tylko 5v.

    Dodano po 3 [godziny] 59 [minuty]:

    Problem był z zasilaniem przepływomierza. Po przywróceniu do stanu pierwotnego linii 12v auto działa jak należy. Dzięki
REKLAMA