logo elektroda
logo elektroda
X
logo elektroda
REKLAMA
REKLAMA
Adblock/uBlockOrigin/AdGuard mogą powodować znikanie niektórych postów z powodu nowej reguły.

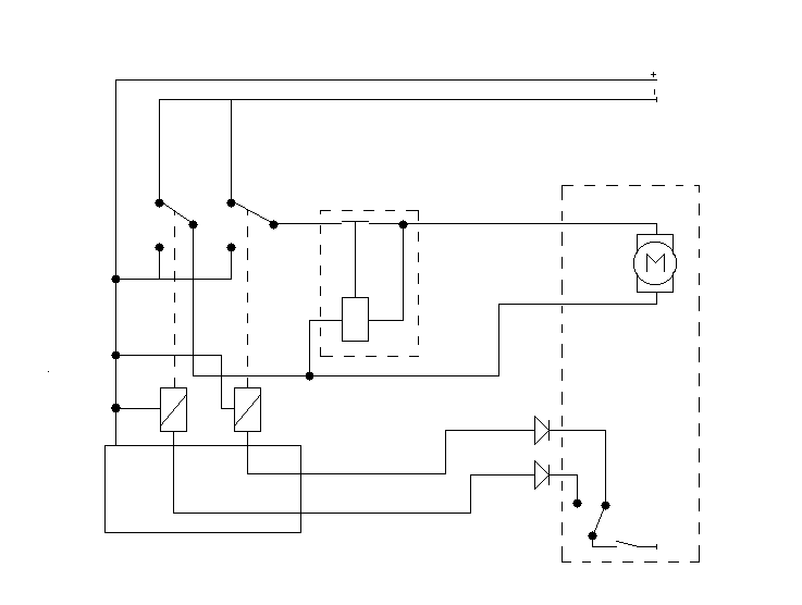
Centralka do centralnego zamka.

benek86 06 Lut 2006 20:40 3401 3
REKLAMA
  • O autorze
    benek86
    Poziom 10  
    Offline 
    benek86 napisał 47 postów o ocenie 12. Jest z nami od 2004 roku.
  • REKLAMA
  • #2 4873424
    maziek
    Poziom 11  
    czy jest możliwość podłączenia sygnału wyzwalającego sygnał otwierania/zamykania pod pilota od alarmu ?
  • REKLAMA
  • #3 4881209
    elek555
    Poziom 37  
    Jest -o ile centralka alarmu daje taki sygnał ( dwa naprzemienne sygnały (-) trwające po ok. 0.8s)
  • #4 4896001
    Dąbkowski
    Poziom 1  
    Oczywiscie że jest jesli centrala alarmu ma wyjście na centralny zamek .
    Z zasady jest to osobne gniazdo na centrali alarmowej czasami jest ono zaraz koło głównego złącza lub z boku.
REKLAMA