logo elektroda
logo elektroda
X
logo elektroda
Adblock/uBlockOrigin/AdGuard mogą powodować znikanie niektórych postów z powodu nowej reguły.

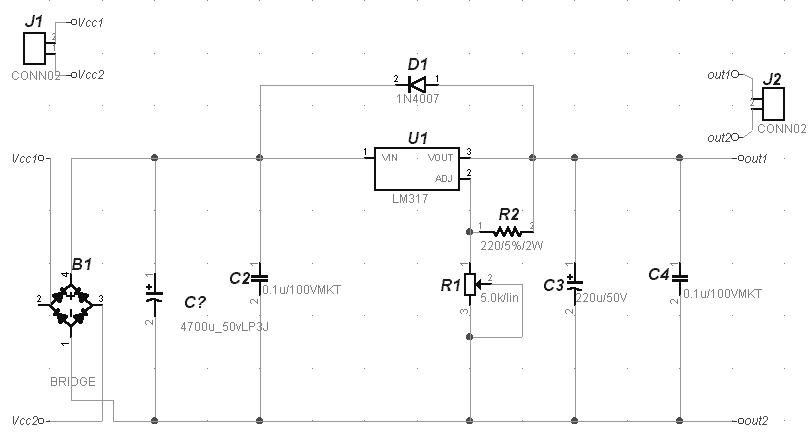
Czy ta płytka jest w porządku???

lipek86 02 Lip 2003 12:56 2083 20
  • #1 272277
    lipek86
    Poziom 21  
    Mam takąmałą prośbę. Oceńcie fachowym okiem czy ta płytka pod zasilaxcz jest popprawnie zaprojektowana?? Elektroniką zajmuję się od niedawna i nie mam dużego doświadczenia w projektowaniu układów i płytek. Dzięki za wszelkie komentarze i uwagi.
  • #2 272285
    lipek86
    Poziom 21  
    Aha. Zapomnialem dodac ze te punkty w niebieskich kolkach nie są pod kondensatory rylko pod złącza (tylko takie pasowały), więc biegunowość nie gra tam roli.
  • #3 272289
    Ptolek
    Poziom 36  
    Do układu U1 powinien być radiator, jeżeli chcesz pobierać prądy większe niż około 100 mA. Dlatego powinien on być umieszczony przy brzegu płytki, żeby dało się przykręcić radiator. Możesz zostawić jak jest, ale w przypadku mocowania na radiatorze musisz go połączyć z płytką przewodami.
    Jeżeli wlutujesz go bezpośrednio w płytkę, to musisz niestety inaczej ją zaprojektować, bo cyferki na schemacie nie zgadzają się z prawdziwą numeracją wyprowadzeń.
    W ogóle mi się tu coś nie zgadza... Jak chcesz to mogę ci zaprojektować tą płytkę od nowa.
  • #4 272291
    ghost666
    Tłumacz Redaktor
    a tak wogole - jezeli uzywasz LM317 to zajrzyj do data sheetu, Jezeli chcesz uzywac, kondensatorów wygładzających to używaj OBU diód zabezpieczających, a nie jednej
  • #5 272300
    elektryk
    Poziom 42  
    Co to za dziwna obudowa do lm317? Jeśli przesuniesz mostek prostowniczy do krawędzi to będziesz mogł go też przykręcić do radiatora
  • #6 272302
    lipek86
    Poziom 21  
    Ptolek napisał:
    W ogóle mi się tu coś nie zgadza... Jak chcesz to mogę ci zaprojektować tą płytkę od nowa.

    Byłbym ci wdzięczny jeżeli byś zaprojektował tą płytkę od nowa. Zasilacz miał byś na 1,5A i radiatorek tweż miałem dać tylko taki mały że zmieściłby się tam gdzie jest układ.
    Jak już będziesz robił tą płytkę to najlepiej w Winboardzie ( jeżeli masz) a jak nie w nim to jkims formacie który łatwoo dczytam.
    Dzięki
  • #8 272313
    lipek86
    Poziom 21  
    elektryk napisał:
    Co to za dziwna obudowa do lm317? Jeśli przesuniesz mostek prostowniczy do krawędzi to będziesz mogł go też przykręcić do radiatora

    Moze obudowa wydaje ci sie dziwna bo wchodzi na nią obudowa od potencometru. Ale to nic nie przeszkadza bo potencjometr będzie zamontowany na kabelkach.
    Ten mostek na schemacie jest na 4A (taki miałem) ale zasilacz mam mieć maximum 1,5A. Czy to będzie coś przeszkadzało??
  • #9 272327
    Ptolek
    Poziom 36  
    Nie będzie to przeszkadzało, mostek może być na 4A. Czy chcesz aby ta płytka była w miarę mała czy wolisz większą ale za to łatwiejszą do wykonania ?
  • #10 272365
    lipek86
    Poziom 21  
    Ptolek napisał:
    Nie będzie to przeszkadzało, mostek może być na 4A. Czy chcesz aby ta płytka była w miarę mała czy wolisz większą ale za to łatwiejszą do wykonania ?

    Płytka może być większa ale bez przesady, potencjometr na kabelkach.
    I mam do ciebie jeszcze jedno pytanie. Lepiej zrobic taki zasilacz ktorego schemat mi podales czy taki ktory ja zaprojektowalem??? I czy w tym co ty mi podales potrzebny jest oddzielny traf dla napiecia dodatniego i ujemnego???
  • #11 272520
    Ptolek
    Poziom 36  
    Nie wiem który zasilacz lepiej zrobić, są prawie identyczne.
    Gdybyś się zdecydował na ten co ci podałem to możesz zrobić tylko zasilacz napięcia dodatniego i wtedy wystarczy zwykły transformator, jeżeli zrobisz zasilacz napięcia ujemnego to też wystarczy zwykły, a jeżeli chciałbyś zrobić obydwa to najlepiej użyć transformatora z odczepem w środku uzwojenia.
  • #12 272538
    lipek86
    Poziom 21  
    Ja myśle że do zasilania prostych układów (sprawdzania ich działania po zmontowaniu) wystarczy taki jaki dałem tu na początku. O ile sie nie myle zasilacz z napięciem dodatnim i ujemnym potrzebny jest do zasilania takich układów jak wzmacniacze itp. Nie wiem czy dobrze myśle ale chyba tak to jest :)

    I mój mail gdybyś już zaprojektował: lipek01(_at_)interia.pl
  • #13 272542
    Ptolek
    Poziom 36  
    Zaprojektowałem tą płytkę według schematu, który podałeś. Nie ma tam dodatkowej diody zapezpieczającej, jeśli chcesz to mogę płytkę przorobić. Jak by ktoś zauważył błąd to proszę o zwrócenie uwagi.
    Plik o formacie .LYT to plik programu Ares Lite.
  • #14 272553
    lipek86
    Poziom 21  
    Byłbym wdzięczny jakbys dał mi jeszcze linka do tego programu. A co do tej dodatkowej diody to nie wiem. Może lepiej żeby ona tam była. Zresztą sam oceń jej potrzebe. Nie chce ci poprostu zawracac .. głowy
  • #15 272560
    Ptolek
    Poziom 36  
    Program nie jest niestety darmowy i nie wiem, skąd go ściągnąć, ponieważ go dostałem. Ale w załączniku dodałem też pliki *.bmp, więc nie powinno być problemu.

    Oto i płytka:
    Czy ta płytka jest w porządku???
  • #16 272578
    lipek86
    Poziom 21  
    Dzięki wielkie za pomoc. Niedługo zabieram się do roboty :)
  • #17 273536
    lipek86
    Poziom 21  
    A jak będe chciał podłączyc leda sygnalizującego że zasilacz działa i woltomierz wskazujący napięcie wyjściowe to mam to wszystko podłączyć do wyjścia???
    Nie wiecie może jak kształtuja się ceny takich małych woltomierzy i amperomierzy wskazówkowych, które można by zastosować w takim zasilaczu???
  • #18 273615
    Ptolek
    Poziom 36  
    Woltomierz musisz podłączyć do wyjścia, a diodę sygnalizującą włączenie tuż za mostkiem prostowniczym, ale przez rezystor. Rezystor jest zależny od napięcia za mostkiem, a napięcie za mostkiem jest zależne od napięcia transformatora. Masz już transformator ?
    Woltomierz do 30 V kosztuje w granicach 10 - 25 zł, zależy od jakości i dokładności.
    Amperomierz najlepiej żeby miał zakres 1,5 A. Może kosztować podobnie jak woltomierz, ale na giełdzie albo jakiś używany może kupisz taniej.
  • #19 273729
    lipek86
    Poziom 21  
    Ptolek napisał:
    Woltomierz musisz podłączyć do wyjścia, a diodę sygnalizującą włączenie tuż za mostkiem prostowniczym, ale przez rezystor. Rezystor jest zależny od napięcia za mostkiem, a napięcie za mostkiem jest zależne od napięcia transformatora. Masz już transformator ?
    Woltomierz do 30 V kosztuje w granicach 10 - 25 zł, zależy od jakości i dokładności.
    Amperomierz najlepiej żeby miał zakres 1,5 A. Może kosztować podobnie jak woltomierz, ale na giełdzie albo jakiś używany może kupisz taniej.

    Nie mam jeszcze trafa ale na wtórnym musi mieć minimum 38V. Z obliczeniem rezystancji opornika sobie poradze.

    A jeżeli mowa o trafach to mam kilka do sprzedania. Ile może byc wart taki transformator wylutowany z kalkulatora (takiego dużego z wydrukiem tego co się liczy). Stan całkiem niezły. tylko nie wiem dokładnie jakie napięcia (jeden napewno ma na wtórnym około 25V, a drugi ma kilka napięć wyjściowych, na pierwotnym mają po 220V).
    Najlepiej powiedzcie ile wy byście dali za taki transformator.

    Jak można zmierzyć napięcie transformatora??? Czy konieczne jest jego obciążenie??
  • #20 276037
    lipek86
    Poziom 21  
    A moze ktoś z was chciałby kupić te transformatorki??? :)
  • #21 276233
    radocha
    Poziom 28  
    [quote="lipek86"]
    Ptolek napisał:
    Jak można zmierzyć napięcie transformatora??? Czy konieczne jest jego obciążenie??



    omomierzem znajdz uzwojenie o najwyższej rezystancji- i to z reguły jest na 220 V (zakładając, że nie jest to trafo WN).jak podłączysz tam 220V to na wtórnych mierzysz napięcia AC, wyniki dla trafa nieobciążonego (o w miarę typowej konstrukcji) będą zawyżone o ok. 10-15 %.W trafach ze szczeliną 20-40% - te rozpoznasz na oko po uważnych oględzinach.Rzadko się trafiają.
REKLAMA