logo elektroda
logo elektroda
X
logo elektroda
REKLAMA
REKLAMA
Adblock/uBlockOrigin/AdGuard mogą powodować znikanie niektórych postów z powodu nowej reguły.

Pomoc w schemacie magicar 440 do BMW e36 318is '95

don.vito 14 Wrz 2006 21:54 5817 3
REKLAMA
  • #1 3020829
    don.vito
    Poziom 1  
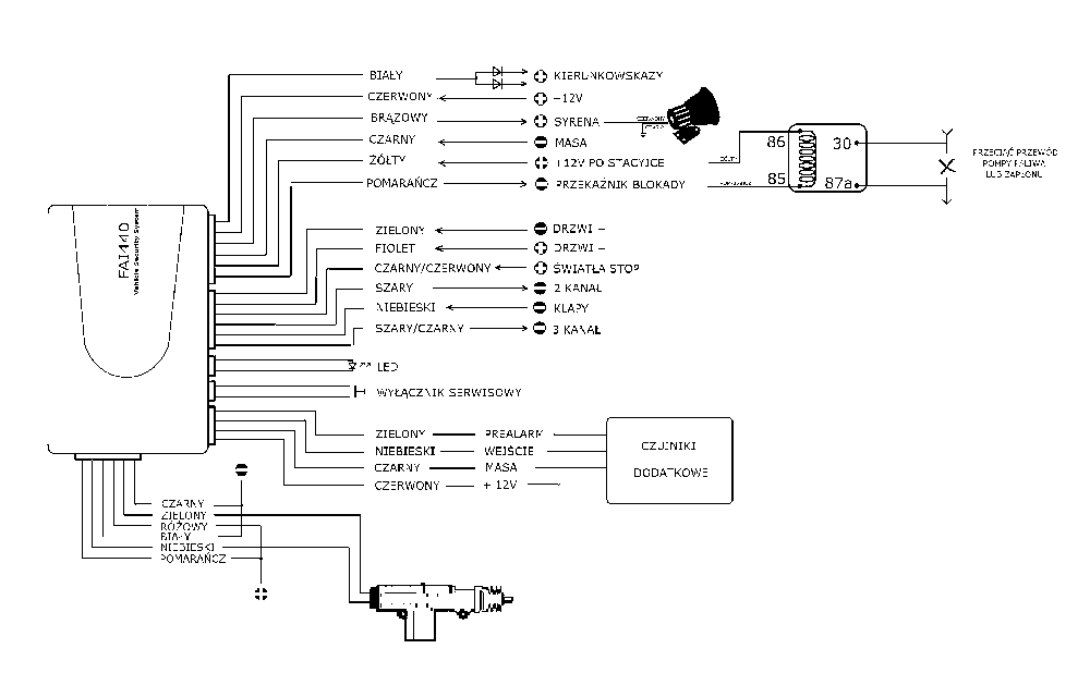
    Witam wszystkich i mam prośbę do kokoś kto zakładał alarmik magicar 440 do bmw e36 318 aby objaśnił mi schemacik podłączenia, między innymi podłączenie do centralnego (znalazłem centralke zamka i wiem że trzeba wpiąć się do centralki na 4 i 17 pinie ale którymi kabelkami), co to znaczy +12V po stacyjce itp.

    Pomoc w schemacie magicar 440 do BMW e36 318is '95

    pozdrawiam
  • REKLAMA
  • #2 3020959
    xwit
    Poziom 33  
    Zamek chodzi plusem więc przy tym wyjściu co jest siłownik nie podłączasz przewodu czarnego i białego do masy a przewód niebieski i zielony posłużą do sterowania zamkiem.Plus po stacyjce to przewód nas którym pojawia się plus po przekręceniu stacyjki.Zakładałeś już jakiś alarm?Jak nie to wybrałeś sobie trochę trudny samochód jak na początek.No i ten alarm...
  • REKLAMA
  • #3 3021122
    renqien
    Poziom 32  
    Było niedawno o BMW E36 i magicarze, poszukaj. Wątek był długi i opisano chyba wszystkie kolory do podłączenia.
    Aj sorry to nie był magicar, tam było coś o domykaniu szyb a ten alarm go nie ma... No ale kolory były.
  • #4 3021251
    bartek_p
    Poziom 31  
    Ten alarm ma wbudowany interfejc centralnego zamka.Napewno były przykłądowe schematy podłączenia. Wybierz ten który steruje +, A pozatym może się okazać że w centralce od zamka niemasz wyprowadzonych pinów, ale o tym było juz dość dużo na forum.Poszukaj a napewno znajdziesz dokładny opis.
    I nie zdziw się jak będzie np. sterowanie - bo beemki to różnie są.
REKLAMA