Witam - pozwoliłem sobie odświeżyć swój post bo tak łatwo za wygraną nie dałem !
Bardzo mnie to dręczyło, od momentu zakupu - ten schemat.
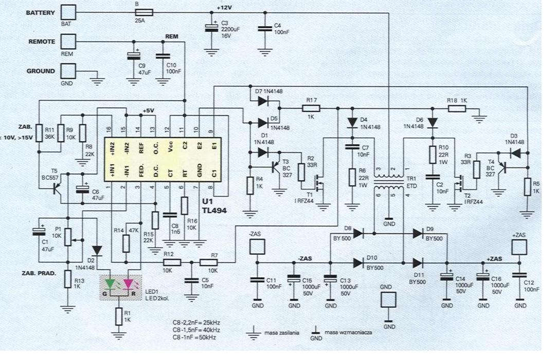
Skusiłem się na rozebranie tego wzm. bo innej możliwości nie było na zobaczenie jakie są połączenia w aplikacji TL-a oraz jak jest rozwiązana aplikacja końcówki mocy.
Więc siadłem jeszcze przed sylwestrem i do godz 17 patrzyłem i przerysowywałem oraz przez sobotę i niedzielę.
Więc teraz proszę bardziej wykwalifikowanych na sprawdzenie tego czy takie mogą być te połączenia czy gdzieś nie zrobiłem BYKA albo może konstruktor zrobił jakieś dziwne rozwiązanie - ( punkty "A" i "B" )
Starałem się to sprawdzać i przerysować w miarę dobrze.
ps. głównie chodziło mi o to żeby się pozbyć takiego PUK czy stuk w momencie podłączania 12V do REM. Radio eliminuję bo bez podania 12V z zasilania ant. i po uruchomieniu na (sztucznie) podanie na rem zasilania też robi stuk i potem gra dobrze.
Jeden dobry kolega mi doradził na elektrodzie bym zwiększył kondensator zasilający REM lub między 14 a 4 na TL-u ale u mnie jest całkiem inna aplikacja niż jak patrzę na inne posty związane z taką przetwornicą car-adiu.
To jest zasilaczo-przetwornica:
2x 25V 2x 15V - mierzone względem masy głośnikowej, a napięcia na TL-u mierzone do masy zasilającej
To jest końcówka mocy:
Tych elementów skreślonych nie ma na płycie są tylko na nie miejsca.
To są moje wypociny i kartki z rysowania:
Proszę o pomoc w skorygowaniu ewentualnych błędów - dziękuję.
( Wydaje mi się że w aplikacji TLa jest warystor co wyłączy przetwornicę jak radiator się zbyt nagrzeje, również do aplikacji jego wchodzi zabezpieczenie przed pojawieniem się stałego na wyjściu głośnikowym, co jeszcze ma ?
- niby takie coś a jest nawet nie złe)
Ps. ona ma podobne cechy do przetwornicy IRKA :
