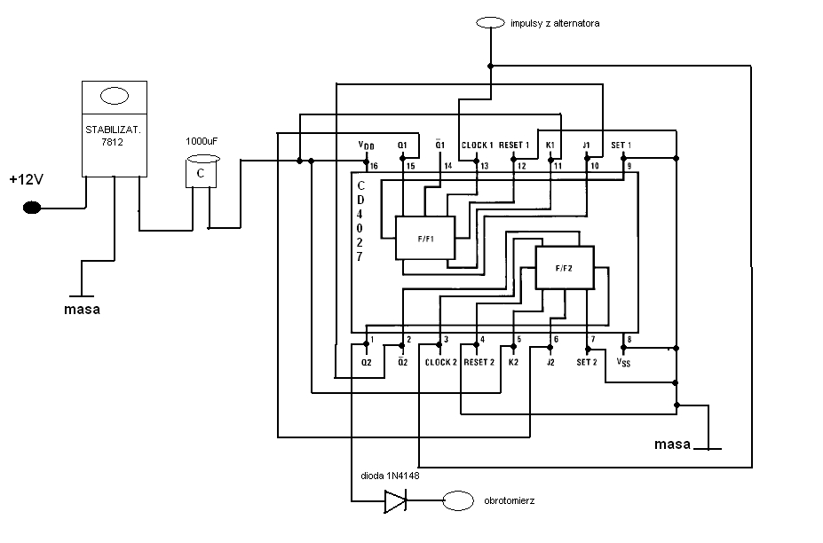
Witam serdecznie. Potrzebuje podlaczyc obrotomierz pod silnik diesla. Wyprowadzilem juz przewod z alternatora ktory podaje 12 impulsow a potrzebuje 4 impulsy. Ponadto chcialbym aby caly uklad chodzil pod instalacja 12V. Zmontowalem juz pewien uklad zaczerpniety z innego forum ale nie do konca dzialal. Schemat ukladu zamieszczam ponizej. Uklad cos nie dzialal chyba przez zastosowany tam stabilizator napiecia 5V, przypuszczam ze taki zostal zastosowany bo uklad 7493 jest zasilany wlasnie 5V, ale czy stabilizator 7805 zmniejsza napiecie z 12V na 5V? Tu mi wlasnie cos nie gra. Bo jak podlaczylem uklad bez stabilizatora, obrotomierz dzialal przez chwile dopoki nie spalil sie uklad 7493. Zastosowany tam kondesator ma za zadanie wyeliminowanie falszywego wzrostu obrotów. Acha jeszcze jedno co zauwazylem to to ze caly schemat dzieli 8 impulsow na 4 a przecierz z alternatora wychodzi 12.
Potrzebuje aby ktos zerknal na to wszystko fachowym okiem i przerobil mi ten uklad aby dzialal prawidlowo pod instalacja 12V i zeby na wyjsciu ukladu pojawili sie 4 impulsy.
Z gory slicznie dziekuje.

Potrzebuje aby ktos zerknal na to wszystko fachowym okiem i przerobil mi ten uklad aby dzialal prawidlowo pod instalacja 12V i zeby na wyjsciu ukladu pojawili sie 4 impulsy.
Z gory slicznie dziekuje.