logo elektroda
logo elektroda
X
logo elektroda
REKLAMA
REKLAMA
Adblock/uBlockOrigin/AdGuard mogą powodować znikanie niektórych postów z powodu nowej reguły.

Cobra 148gtl dx Pytanie o usb

Lukas32 20 Cze 2011 17:42 5178 20
REKLAMA
  • #1 9633375
    Lukas32
    Poziom 20  
    Radio działa, ale w usb po wciśnięciu ptt w mikrofonie idzie już nośna około 2-3W, na s-metrze wskazówka wychyla się na pograniczu zielonego a czerwonego pola. Przy modulowaniu około 15W. W lsb tego nie ma. Czy ktoś spotkał się z takim problemem. Dodam że na zwykłym dynamicznym mikrofonie też tak jest.
  • REKLAMA
  • #2 9634085
    Driver-
    Poziom 38  
    Mikrofon nie ma tu nic do rzeczy. Najprawdopodobniej rozstroiło się BFO, lub jest coś uszkodzone w BFO lub w układzie przełączania na diodach, jeśli nie było kręcone cewką L48. Nośna z BFO doprowadzona jest do modulatora SSB na AN612, gdzie miesza się z m.cz. Powstaje sygnał dwuwstęgowy, który podawany jest na filtr SSB FL3. Po przejściu przez filtr otrzymuje się sygnał jednowstęgowy. Filtr SSB tłumi zbędną drugą wstęgę i resztki nośnej z BFO. Jeśli nośna "wejdzie" w pasmo przepustowe filtru SSB to nie jest odpowiednio tłumiona i będzie dalej wzmacniana. Bez częstościomierza z rozdzielczością min 10Hz ciężko będzie poprawnie zestroić BFO. Filtr SSB ma częstotliwość środkową 10,695MHz, o szerokości pasma przepustowego 2,1kHz. Częstotliwości nośne generuje BFO na TR41, w generatorze kwarc X5 jest przeciągany z częstotliwości 10697,5kHz cewkami L49 dla LSB i L48 dla USB. Częstotliwości nośne to 10693,35kHz i 10696,65kHz, która jest dla górnej a która dla dolnej w tej chwili Ci nie powiem, bo nie pamiętam i musiał bym to przeliczyć. Ale mając częstościomierz możesz sprawdzić częstotliwość LSB i USB na TP5 przy odbiorze. Zmierz częstotliwość dla LSB, potem przełącz się na USB i pomierz częstotliwość. Pomiędzy częstotliwością LSB a USB powinna być różnica dokładnie 3,3kHz, i po 1,65kHz więcej lub mniej od częstotliwości BFO X5 10695kHz. Na pozostałych modulacjach AM FM i CW kwarc drga na częstotliwości 10695kHz.
  • #3 9635755
    radio-service
    Poziom 35  
    Ja osobiście postawił bym na rozstrojony modulator zrównoważony . W nadajniku nie ma BFO (Beat Frequency Oscillator) który to właściwy jest dla odbiornika SSB . W nadajniku jest natomiast generator fali nośnej .
  • #4 9636567
    sq6ade
    Poziom 40  
    radio-service napisał:
    Ja osobiście postawił bym na rozstrojony modulator zrównoważony . W nadajniku nie ma BFO (Beat Frequency Oscillator) który to właściwy jest dla odbiornika SSB . W nadajniku jest natomiast generator fali nośnej .


    Proponuję kol. jednak przyjrzeć się zasadzie formowania sygnału TX i RX w typowych CB z SSB jakim jest ta Cobra :)

    Tzw BFO dla RX uczestniczy również w TX dając sygnał dla wzbudnicy SSB.
  • #5 9636606
    radio-service
    Poziom 35  
    Schematu nie oglądałem . Niestety nie naprawiam CB więc mogę się mylić . Nie zmienia to oczywiście faktu że znaczącego tłumienia fali nośnej dokonuje się w modulatorze zrównoważonym . A potem jest jeszcze filtr (najczęściej kwarcowy) o odpowiedniej charakterystyce gdzie wycina się jedną z niepotrzebnych wstęg bocznych i dodatkowo jeszcze bardziej wytłumia się falę nośną .
  • #6 9636633
    sq6ade
    Poziom 40  
    Modulator zrównoważony działa tak samo dla USB i LSB - on nawet nie wie która wstęga będzie wykorzystana.
  • REKLAMA
  • #7 9636710
    radio-service
    Poziom 35  
    sq6ade napisał:
    Modulator zrównoważony działa tak samo dla USB i LSB - on nawet nie wie która wstęga będzie wykorzystana.


    Wiem :) . Ale wystarczy że modulator zrobi się "niezrównoważony" (fajne słowo) żeby pojawiły się atrakcje w postaci nie do końca wytłumionej nośnej w sygnale SSB :) .
  • #9 9636762
    radio-service
    Poziom 35  
    Wszystko w porządku :) .
  • #10 9636863
    Lukas32
    Poziom 20  
    Fakt. Było kręcone cewkami od strojenia, bo radio kiedy nadawało idealnie w "piątkach", musiałem mieć pokrętło fine na max w prawo aby dobrze słyszeć tych co również nadawali idealnie w piątkach. Chcąc "przesunąć" fine na środek, pokręciłem trochę cewkami i tak się właśnie stało. Chyba jednak będzie trzeba zakupić miernik (i tak był w planach), bo na ucho to słyszałem że ktoś tam umarł.
  • #11 9637172
    SP5ANJ
    Spoczywaj w Pokoju
    Witam.
    Lukas32 napisał:
    Było kręcone cewkami od strojenia... Chcąc "przesunąć" fine na środek, pokręciłem trochę cewkami i tak się właśnie stało.


    Podpowiem, że musisz wstroić "piloty" na częstotliwości jak w zielonym okienku :

    Cobra 148gtl dx Pytanie o usb

    A jeżeli chcesz "5" czy "0" to musisz stroić tutaj :

    Cobra 148gtl dx Pytanie o usb


    Pozdrawiam.
  • REKLAMA
  • #12 9638182
    Driver-
    Poziom 38  
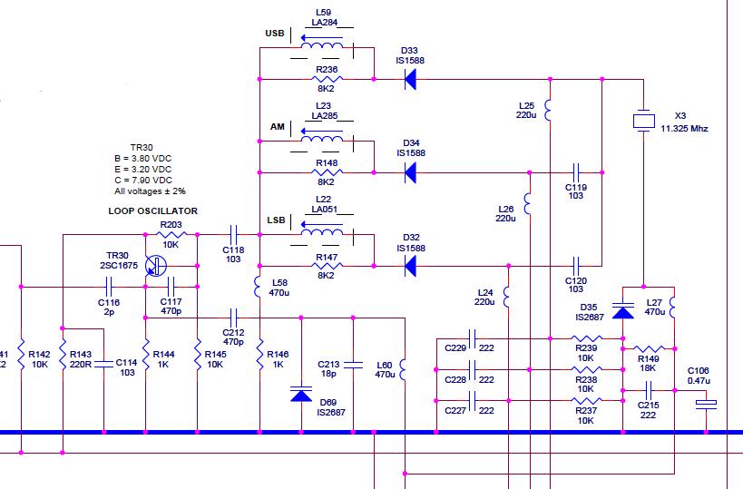
    :arrow: SP5ANJ To nie ten schemat i całkiem inne częstotliwości. To radio ma 3 zakresy (bandy) i do każdego zakresu ma inny kwarc w generatorze referencyjnym, którego częstotliwość po zmieszaniu z częstotliwością heterodyny daje f wejściową dla syntezera i ta jest poddawana dzieleniu.

    Cobra 148gtl dx Pytanie o usb
    Niebieski - referencyjny; Czerwony - BFO.

    Lukas32 napisał:
    Fakt. Było kręcone cewkami od strojenia, bo radio kiedy nadawało idealnie w "piątkach", musiałem mieć pokrętło fine na max w prawo aby dobrze słyszeć tych co również nadawali idealnie w piątkach.
    FINE działa tylko przy odbiorze, natomiast COARSE przy nadawaniu i odbiorze, jeśli pokrętłem FINE musiałeś się dostrajać, to znaczy COARSE było ustawione nie tak jak trzeba. Słyszałeś w 5-kach ale nie nadawałeś w nich. Po zestrojeniu BFO trzeba będzie sprawdzić co jest z COARSE-m, i może trzeba FINE doregulować VR6, albo coś jeszcze jest nie tak.
    Lukas32 napisał:
    Chcąc "przesunąć" fine na środek, pokręciłem trochę cewkami i tak się właśnie stało.
    Teraz masz rozstrojone BFO, które należy ponownie zestroić. Jeśli nie kręciłeś cewkami L22, L24 i L25 (band LOW) L31,L32, i L33 (band MID) oraz L40, L41 i L42, to jest szansa że po zestrojeniu BFO będziesz miał prawidłowe częstotliwości kanałowe. A jak tymi cewkami też kręciłeś to masz do zestrojenia również częstotliwości kanałowe.
    Lukas32 napisał:
    Chyba jednak będzie trzeba zakupić miernik (i tak był w planach), bo na ucho to słyszałem że ktoś tam umarł.
    Kup taki miernik aby dało się w nim oprócz pomiaru, również zaprogramować częstotliwość pośrednią. Wtedy można się podłączyć miernikiem na wyjście heterodyny i po uwzględnieniu częstotliwości pośredniej odczytasz częstotliwość kanałową f=fH+fIF (fH-hetrodyna; fIF-pośrednia).
    Napisz czym jeszcze kręciłeś.
  • #13 9638442
    Lukas32
    Poziom 20  
    Driver, to nie ten schemat. Fakt jest on on cobry 148gtl dx, ale w tych radiach były dwie wersje płyt i ja mam tą drugą o oznaczeniu PB-010AB.
    I nie ma tam 9 cewek (3 po 3) i trzy z boku tylko
    3 i 3 z boku. Po południu napiszę jakie mają oznaczenia, bo teraz jestem po nocce i nie bardzo mi się chce.
  • #14 9638788
    PDT
    Poziom 24  
    Lukas32 napisał:
    Radio działa, ale w usb po wciśnięciu ptt w mikrofonie idzie już nośna około 2-3W, na s-metrze wskazówka wychyla się na pograniczu zielonego a czerwonego pola. Przy modulowaniu około 15W. W lsb tego nie ma. Czy ktoś spotkał się z takim problemem. Dodam że na zwykłym dynamicznym mikrofonie też tak jest.


    A więc są dwie możliwości:
    1. dla USB nadal jest włączony tranzystor rozrównoważający modulator, tak jak przy AM/FM.
    2. Modulator jest niepoprawnie zrównoważony a piloty rozstrojone. Dla LSB sygnał podnośnej jest poza bramką filtru selektywnego i nośną wytłumia. Przy USB natomiast mieści się w paśmie.
    Do opisu 2W/15W przy mod. bardziej pasuje druga możliwość.
    HOWGH!
  • REKLAMA
  • #15 9639851
    Lukas32
    Poziom 20  
    Zamieszczam fotkę mojej cobry. Ja kręciłem filtrami zaznaczonymi zielonymi strzałkami. Wiem że dwa są od am, dwa od usb i dwa od lsb.

    Link
  • #16 9639951
    Driver-
    Poziom 38  
    Lukas32 napisał:
    Driver, to nie ten schemat. Fakt jest on on cobry 148gtl dx, ale w tych radiach były dwie wersje płyt i ja mam tą drugą o oznaczeniu PB-010AB.
    I nie ma tam 9 cewek (3 po 3) i trzy z boku tylko
    3 i 3 z boku. Po południu napiszę jakie mają oznaczenia, bo teraz jestem po nocce i nie bardzo mi się chce.
    To zmienia tylko tyle, że masz o 6 cewek do kręcenia mniej, bo odpadają cewki generatora referencyjnego, z dwóch zakresów. W tej wersji jest jeden generator z trzema cewkami i z kwarcem 15MHz. BFO jest takie same.

    Cobra 148gtl dx Pytanie o usb
    Kolory j.w.

    Jeśli kręciłeś tymi zaznaczonymi cewkami, to masz do zestrojenia zarówno BFO jak i częstotliwości kanałowe na wszystkich modulacjach.
  • #17 9652955
    Lukas32
    Poziom 20  
    Trochę zestroiłem na ucho, bo miernik jeszcze nie dotarł. Z częstotliwościami kanałowymi to sobie poradzę, ale czy mógłby ktoś podpowiedzieć jak stroi się BFO
  • #18 9653210
    Driver-
    Poziom 38  
    Na ucho BFO ciężko zestroić, bo nie wiesz czy masz dobrze zestrojone częstotliwości kanałowe. Miernikiem dostroisz bez problemu. Na odbiorze podłączasz się miernikiem na TP6. Górną wstęgę stroisz 10692,50kHz cewką L38. Golną wstęgę na 10697,50kHz cewką L39. Natomiast AM, FM na nadawaniu na 10695,00kHz cewką L37, podłączając się na TP5.
    Częstotliwości kanałowe stroisz na odbiorze, na kanale 19, COARSE i FINE ustawiasz dokładnie na środek, podłączasz się na TP3, AM i FM cewką L21 na 16490,00kHz, górną cewką L22 na 16492,50kHz, dolną cewką L23 na 16487,50kHz.
  • #19 9669041
    Lukas32
    Poziom 20  
    Po podpięciu się na tp6 częstotliwość skacze od około 12 do 16 mHz
    Przy odbiorze po podpięciu pod tp3 po uwzględnieniu pośredniej wskazuje dobrze
  • #20 9669751
    Driver-
    Poziom 38  
    Lukas32 napisał:
    Po podpięciu się na tp6 częstotliwość skacze od około 12 do 16 mHz
    Prawdopodobnie jest za mały poziom napięcia na wejściu miernika, dlatego wskazania są niestabilne. Zrób wzmacniacz.
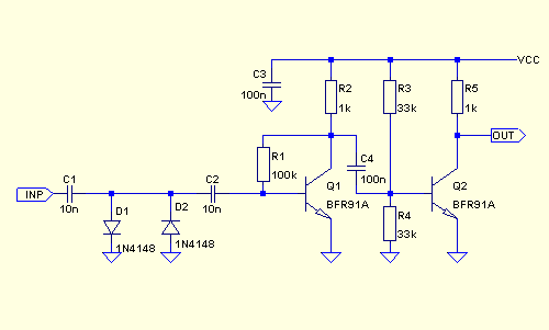
    Cobra 148gtl dx Pytanie o usb
    Układ z powodzeniem potrafi wysterować wejścia TTL. Dla Twojego miernika wystarczy 1 stopień. Do C4 podłączasz miernik i pomiar powinien być stabilny.
  • #21 9671388
    Lukas32
    Poziom 20  
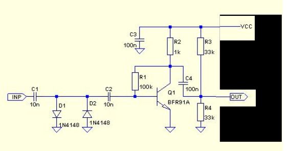
    Czy taki separator to to samo co wzmacniacz, ten jest z opisu od producenta.

    Cobra 148gtl dx Pytanie o usb

    Po złożeniu na szybko wzmacniacza (w pajączku) zamieszczonego wyżej odczyt z tp6 przy rx w ssb jest stabilny, więc potwierdzam, jeden stopień wzmocnienia (jeden tranzystor) wystarczy.
    Pisaliście, że bez miernika ciężko będzie ustawić bfo. Ja ustawiłem częstotliwość kanałową na tp3 po uwzględnieniu pośredniej na usb 27,55500 (i podczas propagacji kręciłem cewką od bfo tak długo, aż na ucho usłyszałem najwyraźniejszą modulację.
    Po złożeniu wzmacniacza i zmierzeniu na tp6 pośredniej w usb miałem 10,69252, więc pomyliłem się tylko o 20hz (no może w tym przypadku to aż o 20hz)

    Mam rozumieć że wzmacniacz ma wyglądać tak

    Cobra 148gtl dx Pytanie o usb
REKLAMA