logo elektroda
logo elektroda
X
logo elektroda
REKLAMA
REKLAMA
Adblock/uBlockOrigin/AdGuard mogą powodować znikanie niektórych postów z powodu nowej reguły.

Golf V 1.9TDI 2004r manual czujnik stop

luk84l1 28 Wrz 2011 08:09 31364 39
REKLAMA
  • #1 9971268
    luk84l1
    Poziom 10  
    Witam wszystkich! Problem z golf V 1.9TDI 105km 2004r a mianowicie zaczęła migać kontrolka świec żarowych wyczytałem na forum że chodzi o czujnik który jest przy pedale lub żarówki stopu wszystko zostało wymienione na nowe lecz ciągle wywala błąd czujnika stop (błąd da się usunąć lecz po ponownym przekręceniu na zapłon pojawia się ponownie ). Dodam że światła stopu działają normalnie tylko ta kontrolka mnie wnerwia! ( bezpieczniki OK. ) Może miał ktoś podobny problem lub wiecie może gdzie idą przewody od czujnika stop u mnie są 4 przewody czujnik czarny.
  • REKLAMA
  • #2 9971275
    autoas
    Poziom 42  
    luk84l1 napisał:
    (błąd da się usunąć lecz po ponownym przekręceniu na zapłon pojawia się ponownie ).

    A czym ten błąd usuwasz?
  • REKLAMA
  • #3 9971290
    luk84l1
    Poziom 10  
    Byłem nawet w serwisie kolega mnie pod VAS podłączał kasował, kontrolka gasła a po ponownym przekręceniu na zapłon znowu to samo
  • #4 9971303
    danek23
    Poziom 18  
    ten czujnik łatwo uszkodzić podczas wkładania. Możliwe że właśnie został uszkodzony, lub żle zamontowany.
  • #5 9971309
    luk84l1
    Poziom 10  
    No właśnie czytałem o tym i chłopaki na serwisie dokładnie mi wytłumaczyli jak wkładać żeby nie popsuć i dodam że stopy zapalają się normalnie!

    Dodano po 26 [minuty]:

    Przyznam się bez bicia że jakieś 2 tyg wcześniej montowałem automat do świateł który zapalał stop zaraz wrzucę schemat

    Dodano po 1 [minuty]:

    Golf V 1.9TDI 2004r manual czujnik stop

    Dodano po 1 [minuty]:

    czy mój układ mógł mieć wpływ na tą awarię ???
  • #6 9971461
    autoas
    Poziom 42  
    Połączenie dziwne i nie wiem po co
    Odłącz swoją "aparaturę" i sprawdź czy jest dobrze
    A VAS to nie tylko kasowanie błędów, jest blok do odczytu co się dzieje na czujniku stopu
  • REKLAMA
  • #7 9971483
    luk84l1
    Poziom 10  
    no właśnie wszystko zostało odłączone i dalej jest ten sam problem przydał by się schemat gdzie te kable idą od czujnika ( a mój układ służy do zapalania świateł po naciśnięciu hamulca mam tak w A4 już prawie rok i działa bdb )
  • #8 9971545
    trans-serwis
    Poziom 39  
    Jeżeli rzeczywiście byłes na Vasie to problemu już nie powinno być, jeżeli kolega umie obsługiwać Vasa.
    Zrobiłeś już co mogłeś, teraz czas na fachowca.
  • #9 9971918
    luk84l1
    Poziom 10  
    Dobra ostatnie pytanie w temacie. we włączniku stopu są dwie pary przewodów włacznik jedną parę zwiera przy wciśniętym pedale a drugą przy puszczonym jedna para odpowiada sa światła stop a druga??? gdzie jej szukać??
  • #10 9972315
    trans-serwis
    Poziom 39  
    W sterowniku silnika.
  • REKLAMA
  • #11 9972381
    carrot
    Moderator Samochody
    zobacz w parametrach czy 000 zmienia się na 011 po naciśnięciu hamulca
  • #12 9972927
    luk84l1
    Poziom 10  
    co udało mi się zmierzyć: tam gdzie po wciśnięciu pedału pokazywało się +12 ( skrajny prawy przewód ) teraz pokazuje jakieś 0.88V przycisk mostkuje go ze skrajnym lewym i właśnie tu tkwi problem że brak napięcia +12V na skrajnym lewym przewodzie który wchodzi na przycisk stop. I teraz pytanie za sto punktów gdzie ten przewód idzie i za co odpowiada???
  • #13 9973100
    autoas
    Poziom 42  
    Punkty sam zbieraj, a auto do porządnego elektryka oddaj
  • #14 9973348
    luk84l1
    Poziom 10  
    ma człowiek problem a tu Pan "autoas" zamiast spróbować pomóc to od sępów ubliża. Mógł Pan sobie darować!

    Dodano po 45 [sekundy]:

    Stać mnie na sms i punkty sobie kupię jak będę chciał!
  • #15 9974506
    emeryt2
    Poziom 42  
    Luk , jak myślisz , skąd jest zasilany ten przełącznik , z bateryjki kieszonkowej latarki ? po co jest skrzynka bezpieczników / rozdzielnia/ i kostka stacyjki ?

    Nie obrażaj się , ale Autoas ma racje , jeżeli nie masz takich podstawowych wiadomości , to trudno będzie pomóc na odległość , a nikt w tym dziale nie bawi się w oślą łączkę!
  • #16 9974779
    luk84l1
    Poziom 10  
    Wiem wiem ale wszystkie bezpieczniki są ok myślałem że obędzie się bez prucia wiązek... Jak rozwiąże problem to opiszę co i jak było
  • #17 9974790
    trans-serwis
    Poziom 39  
    luk84l1 napisał:
    ma człowiek problem a tu Pan "autoas" zamiast spróbować pomóc to od sępów ubliża. Mógł Pan sobie darować!

    Gdzie jest napisane że pan autoas musi ci pomóc.
  • #18 9975097
    luk84l1
    Poziom 10  
    Nikt nic nie musi, napisałem tu bo potrzebuje pomocy i miałem nadzieje że ktoś przerabiał podobny problem lub wie gdzie idzie wiązka od czujnika stop i podzieli się wiedzą.
  • Pomocny post
    #19 9975098
    ladamaniac
    Poziom 40  
    98,5 %, że nie będziesz musiał pruć wiązek. Sciąg sobie schemat z elektrody przeanalizuj i sprawdzaj. I podaj co to za błąd, numer błędu. Nie podałeś nawet kodu silnika.

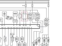
    Golf V 1.9TDI 2004r manual czujnik stop

    Przukładowy fragment schematu do AJM
  • #20 9975130
    luk84l1
    Poziom 10  
    p0571-000--- przełącznik świateł stop nie zrozumiały sygnał. Silnik BKC i włąśnie zgodnie z tym schematem na styku 3. ( w czerwonej ramce brak +12 )
  • #21 9975341
    emeryt2
    Poziom 42  
    Uszkodzony obwód czujnika stop/ obwód elektryczny / lub uszkodzony sam czujnik /wyłącznik/.
  • #22 9975384
    Zico63
    Poziom 37  
    Kolego Luk84l11 Bez złośliwości teraz piszę, że w VW tzw. włącznik STOP-u to nie taki znany ze starych autek pstryczek; podaje też informację dla komputera silnika. Nieumiejętne, do złych pinów kostki, podłączenie się - spowodować może nieodwracalne uszkodzenie sterownika - w najgorszym wypadku (był o tym temat nie tak dawno: tym zakończyło się "zwykłe" sprawdzanie świateł STOP, ale bez dostatecznej wiedzy). Więc w trosce o Kolegę, Koledzy dobrze radzą - albo zdobyć tą wiedzę z lektury, albo dać pojazd do fachowca, być może na razie zniszczenia NIE SĄ nieodwracalne; na razie...
    Kiedyś w np. Żukach można było sobie próbować, dziś takie próbowanie to jak robota sapera.
  • #23 9975446
    luk84l1
    Poziom 10  
    Ale Panowie ja to wszystko rozumiem, fakt iż jest to pierwsze moje auto na szynie CAN chciałbym się tylko dowiedzieć gdzie znajdę przewód zgodnie ze schematem przesłanym przez ladamaniac. 65 ( ponieważ na styku nr3 powinno być +12V sprawdzałem w innej piątce )

    Dodano po 12 [minuty]:

    u mnie na styku nr 3 pokazuje jakieś 0,88V
  • #24 9975492
    emeryt2
    Poziom 42  
    Nie ma 12 V na pinie sterownika /65/ po wciśnięciu pedału hamulca? To już wiesz gdzie szukać!
  • #25 9975741
    luk84l1
    Poziom 10  
    Kolego podpowiedz mi jeszcze gdzie jest owy sterownik z pin 65? To już by rozwiązało mój problem
  • #26 9975858
    trans-serwis
    Poziom 39  
    Ku....a to jest sterownik silnika.
    Samochód powinien trafić do fachowca już ci to napisałem.
  • #27 9977076
    luk84l1
    Poziom 10  
    Dziękuję Panu trans-serwis za troskę wiem że Panowie zniechęcają mnie dla mojego dobra ale i tak tam chce zajrzeć. Jeżeli okaże się że jest tam coś co przerasta moje możliwości to sobie odpuszczę
  • #28 9977089
    trans-serwis
    Poziom 39  
    Podziękuj za podpoiedź o którą ci chodziło a nie za troskę.
  • #29 9977115
    luk84l1
    Poziom 10  
    Dobra dzięki za podpowiedź.
  • #30 9977226
    trans-serwis
    Poziom 39  
    luk84l1 napisał:
    Jeżeli okaże się że jest tam coś co przerasta moje możliwości to sobie odpuszczę

    Dotychczas wszystko przerastało twoje możliwości i nie odpuściłeś tylko męczyłeś elektrodę, więc wątpię że teraż odpuścisz.
REKLAMA