logo elektroda
logo elektroda
X
logo elektroda
REKLAMA
REKLAMA
Adblock/uBlockOrigin/AdGuard mogą powodować znikanie niektórych postów z powodu nowej reguły.

Układ 74hc74, wyzwalanie z lm 311.

kolton 13 Gru 2004 22:50 2036 12
REKLAMA
  • #1 1058334
    kolton
    Poziom 16  
    Witam
    mam maly problem z ukladem 74hc74 (2 przezutniki D) i tak podlaczylem to tak nozke 2,4 do zasilania, nozke 1 jako reset( normalnie jest na 1) a na 3 maja trafiac impulsy. Uklad ten mial byc uzywany do wyzwalania i sadzielm ze na wyjsciu Q pojawi sie jedynka wtedy jak na 3 zmienie sie stan z 0 na 1 i tylko w tedy ale niestety to samo sie dzieje jak z 1 na 0, wyzwalanie idzie z lm 311
  • REKLAMA
  • #2 1058539
    koval_s
    Poziom 18  
    Weź może wrzuć tutaj jakiś schemacik, bo jakoś trudno sobie z tego opisu coś skumać
  • REKLAMA
  • #3 1059607
    Arek400
    Poziom 14  
    Witam.
    Trochę teorii. Na wyjściu przerzutnika pojawi sie jedynka jężeli na wejściu będzie zanim pojawi sie impuls zegarowy. Sprawdź w katalogu które zbocze wyzwala przerzutnik narastajace czy opadające, bo nie pamietam. Zablokój zasilanie tuż przy układzie kondensatorem 10n, możliwe, że to jest główny powód.
    Arek.
  • #4 1060433
    kolton
    Poziom 16  
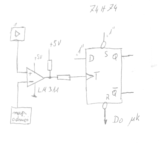
    Witam wiec tak ten przerzutnik napewno jest wyzwalany zboczem narastajacym, a miedzy zasilanie juz dalem kondensator ceramiczny 100nF. Myslem tez ze jest to wina tego komparatora i zaczelem zmieniac stany przez dolanczanie wej. zegarowego do zasilania lub do masy, efekt byl taki sam :(. Sprubuje jeszcze jeszcze puscic go bez innych zewnetrznych układów, moze one daja jakies zakłocenia chociaz kazy z tych układów jest na oddzielnych przewodach zasilających. Przesylam schemat pogladowy, aha tam na wejsciu + dalem narazie potencjometr
  • REKLAMA
  • #5 1060792
    koval_s
    Poziom 18  
    A jaki tam rezystor wpiąłeś na wejście T (właściwie CK, a nie T), może trochę za duży, to napięcie odniesienia to może nie działa poprawnie, a może w ogóle LM311, sprawdź pojedyncze układy, co do tych kondensatorów blokujacych to w warunkach domowych nie są wymagane, na wejściu R aktywnym stanem jest L, może miC Ci cosik szwankuje
  • #6 1063589
    kolton
    Poziom 16  
    wiec tak sam przerzutnik jest dobrze podłączony problem tkwi w tym komparatorze, dzisaij zamias tego komparatora dalem normalny przłacznik i dziala tak jak nalezy, puscilem takze sygnał z komparatora przez bramke negująca i to samo, spróbuje jeszce to samo z bramką schmita moze cos to da.

    Dodano po 1 [godziny] 43 [minuty]:

    Dobra bramka Shmita tez nic nie dala :(, moze ktos robil cos takiego i mu to działa ??, a sprobuje jeszcze z czyms innym niz lm311
  • #7 1085924
    r2d2004
    Poziom 31  
    Witam serdecznie!

    Nic nie wspominasz o drugim przerzutniku, który znajduje się w strukturze tego układu. Jeśli jest niewykorzystany, jego wszystkie wejścia powinny być podłączone do ustalonych stanów logicznych - nie mogą wisieć nie podłączone. Spróbuj to zrobić i napisz o efektach.

    Pozdr. J
  • #8 1086863
    kolton
    Poziom 16  
    Co do drugiego przezutnika to zegar, reset, set dalem pod zasilanie ale to i tak nic nie daloo :( i wsumie to olalem i zrobilem to na attiny 12 ( na przerwaniu wyzwalanym zboczem opadającym) i jakos działa, ale zauwazylem ze jak nie ma rezystora + kondensator to dzieje sie to samo co z 74hc74 ( przy opadajacym i narastajacym zboczu sie wlancza przerwanie ), dopiero z ukladem RC działa poprownie
  • #9 1086986
    r2d2004
    Poziom 31  
    Witam serdecznie!

    Podajesz za mało danych, ale z Twojej wypowiedzi wynika, że przy przełączaniu twój układ generuje prawdopodobnie oscylacje pasożytnicze na zboczach zarówno dodatnich jak i ujemnych związane prawdopodobnie z niewłaściwymi wartościami zastosowanych rezystorów (źle dobrane rezystory plus pojemność wejsciowa CMOSa to pasożytniczy obwód RC). Przemyśl jeszcze raz ten fragment schematu.

    Pozdr. J
  • #10 1087473
    koval_s
    Poziom 18  
    Uważam jak przedmówca wcześniej, trzeba dać Schmity, bo to są TTL, z moich doświadczeń wynika że 7474 są bardzo wrażliwe na zakłócenia, a jeśli chodzi o zakłócenia, to jest to przerzutnik typu D a nie Latch, więc jest ważne każde zbocze a nie potencjał
  • REKLAMA
  • #12 1092381
    koval_s
    Poziom 18  
    Tak, ale nadal są to zwykłe wejścia, nie Schmitt'a, może tą drogą, moje doświadczenia w łączeniu Analog ---> Digital mówią o potrzebie w większości przypadków stosowania filtrów na wejściach, gdy jest to uC - robi się filtr cyfrowy-programowy, jak brak uC to trzeba kombinować po analogu, najprostszym (nie w każdym przypadku) jest przerzutnik Schmitt'a, napięcia zasilające nie mają tutaj nic wspólnego, jeśli są w parametrach jakie producent założył, reszta zależy od konstruktora jak to wszystko obmyśli, osobiście bardzo lubiałem jeśli dalej nie lubię 7474, ale w połączeniu ze światem zewnętrznym, a na dodatek analog to się kiełbasiło, może zrób to na innym układzie, nasuwa mi się innym a może w ogóle jakimś sprawnym bo ten układ nie ma prawa nie działać
  • #13 1092515
    r2d2004
    Poziom 31  
    Witam serdecznie!

    Jeśli zastosowałeś jedno napiecie zasilania LM311 względem masy tak jak na Twoim rysunku to +5V na nogę 8, a masa do nogi 1 i koniecznie 4 komparatora. Wywal rezystor szeregowy - jest niepotrzebny (może być przyczyną całego "zamieszania") - zostaw tylko rezystor "podciągający", który jest konieczny, bo komparator ma wyjście z otwartm kolektorem. Daj na początek jak najmniejszą rozsądną wartośc tego rezystora np. 1k - jeżeli teraz nie bedzie działać, to oznacza, że masz coś nie tak w połaczeniach lub z sygnałami na wejściach komparatora, lub komparator jest marki "krzak" :-) Poza tym nie wiem dlaczego zastosowałeś przerzutnik D w takiej aplikacji - tutaj wystarczy zupełnie przerzutnik typu RS, wykonany np. z dwóch bramek NAND, a z takim przerzutnikiem jest o wiele mniej problemów bo reaguje tylko na pierwsze zbocze (a czy będzie to tylne czy przednie zbocze to już można sobie to zorganizować). Jeśli się uparłeś na D, bo masz akurat wolny jeden przerzutnik w układzie (jak się domyslam i chcesz go wykorzystać jako zatrzask zapamietujący pojawienie się zbocza do czasu skasowania przez µPC - tak wynika z Twojego rysunku) to wykorzystaj tylko wejscia Set i Reset tego przerzutnika (zostaw w spokoju wejście zegarowe). Następne moje pytanie - to po co Ci ten układ skoro korzystasz z mikroprocesora ?? . Przecież to samo można zrobic "programowo" (no chyba, że zabrakło wolnych portów w µPC, a sygnały te są potrzebne na "zewnątrz" do "sterowania czegoś tam jeszcze")

    Pozdr J.
REKLAMA