logo elektroda
logo elektroda
X
logo elektroda
REKLAMA
REKLAMA
Adblock/uBlockOrigin/AdGuard mogą powodować znikanie niektórych postów z powodu nowej reguły.

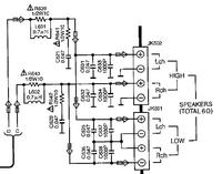
Technics SA-EH550 - Podłączenie kolumn bez BI-Wiringu i 8Ω

kamo502 05 Gru 2013 14:35 2709 1
REKLAMA
  • #1 13027723
    kamo502
    Poziom 20  
    Witam

    W tym modelu wyjścia głośnikowe są podzielone na Low i High
    Czy jest możliwość podłączenia innych (nieoryginalnych) kolumn, które nie pracują w BI-Wiringu?

    Można zmostkować Low i High prawego kanału i to samego lewego.

    I co z kolumnami 8Ω?
    Nie zaszkodzą mu?

    Pozdrawiam

    Technics SA-EH550 - Podłączenie kolumn bez BI-Wiringu i 8Ω
  • REKLAMA
  • #2 13029510
    h jaworski
    Specjalista AGD
    kamo502 napisał:
    Czy jest możliwość podłączenia innych (nieoryginalnych) kolumn, które nie pracują w BI-Wiringu?
    Jest trzeba osobno wyprowadzić sygnał z głośnika niskotonowego i wysokotonowego i odpowiednio podłączyć. Z kolumny wychodzą wtedy 2 kable po 2 przewody
    kamo502 napisał:
    Można zmostkować Low i High prawego kanału i to samego lewego.
    Nie polecam bo technics często stosuje w osobne wzmacniacza dla wyjścia niskotonowego i wysokotonowego a wtedy układy mogą się uszkodzić a to w tym przypadku droga sprawa bo nie ma podróbek tych układów.
REKLAMA