logo elektroda
logo elektroda
X
logo elektroda
REKLAMA
REKLAMA
Adblock/uBlockOrigin/AdGuard mogą powodować znikanie niektórych postów z powodu nowej reguły.

Schemat generatora prostokątnego dwupolowego z regulacją wypełnienia i częstotliwości

Atomix20 12 Lip 2016 23:14 2139 17
REKLAMA
  • #1 15804003
    Atomix20
    Poziom 10  
    Posty: 22
    Ocena: 1
    Witam
    Prosił bym o nakierowanie na jakiś schematy na którym uzyskam taki przebieg,oraz możliwość regulacji wypelnienia T1 i czestotliwosci F1 50HZ
    Schemat generatora prostokątnego dwupolowego z regulacją wypełnienia i częstotliwości

    Najlepiej gdyby posiadal dwa wyjscia, jedno dawalo by napiecie plusowe wzgledem masy ,a drugie minusowe wzgledem masy.
    Pozdrawiam
    Marcin
  • REKLAMA
  • #2 15808409
    Mateusz0944
    Poziom 12  
    Posty: 64
    Pomógł: 4
    Ocena: 7
    Polecam przejrzeć notę katalogową do układu NE555. Myślę, że spełniałby twoje założenia. A jeśli chodzi o ujemne napięcie względem masy to można na wyjściu NE555 zastosować komparator albo wzmacniacz operacyjny (w drugim przypadku mógłbyś też regulować amplitudę).
  • #3 15808549
    Atomix20
    Poziom 10  
    Posty: 22
    Ocena: 1
    Dokładniej ujmując chodzi mi o generator który by zadziałał w takim układzie,czy po zastosowaniu np tl494 i komparatora na wyjściu układ by ruszył?,rozumiem ze w tym układzie są tranzystory npn i pnp i ich bazy muszą być sterowane analogicznie npn plus z generatora względem masy, i pnp minus z generatora względem masy, Dobrze rozumiem ? a oto sam układ w którym ma pracować generato. Schemat generatora prostokątnego dwupolowego z regulacją wypełnienia i częstotliwości

    Pozdrawiam Marcin
  • REKLAMA
  • #4 15808893
    jarek_lnx
    Poziom 43  
    Posty: 22540
    Pomógł: 4165
    Ocena: 6028
    A co ten układ ma robić AC->AC?
  • #5 15811461
    Atomix20
    Poziom 10  
    Posty: 22
    Ocena: 1
    jarek_lnx napisał:
    A co ten układ ma robić AC->AC?

    Dokładnie jest to coś w rodzaju przetwornicy ac-ac.
  • #6 15811508
    zdzichra
    Poziom 32  
    Posty: 1531
    Pomógł: 167
    Ocena: 303
    Zainteresuj się układem 555.Odpowiednio podłączone wyjście da ci sygnał prostokątny "dwu połówkowy"
    schematów w sieci jest multum,kilka przytaczałem w swoich postach łącznie z programem do obliczeń.
    Poczytaj np tu
    http://www.sentex.ca/~mec1995/gadgets/555/555.html
    https://www.elektroda.pl/rtvforum/topic3167826.html
    https://www.elektroda.pl/rtvforum/topic3153858.html
    https://www.elektroda.pl/rtvforum/topic3133157.html
    Wyjście wystarczy potraktować jako masę układu przełączającego
  • REKLAMA
  • #7 15811629
    jarek_lnx
    Poziom 43  
    Posty: 22540
    Pomógł: 4165
    Ocena: 6028
    Optymalne rozwiazanie będzie zależeć od tego z jakimi prądami i napieciemami będziesz pracował.

    Trzeba zacząć od tego jak zasilić generator, jeśli napięcie jest niskie, za mostkiem mozna dać kondensatory odseparowane diodami i z tego odfiltrowanego napięcia zasilić generator, odrazu zniknie problem napięć ujemnych, bo przy takim zasilaniu nie będą już ujemne :)


    Ponieważ tranzystory pracują w układzie WK, proponwał bym każdy z nich wysterować z tranzystora pracujuącego w układzie WE, a te wprost z generatora jeśli napięcie zasilania na to pozwoli.

    Mateusz0944 napisał:
    A jeśli chodzi o ujemne napięcie względem masy to można na wyjściu NE555 zastosować komparator albo wzmacniacz operacyjny (w drugim przypadku mógłbyś też regulować amplitudę).
    Jak już doradzasz rób to dobrze, jak widzę na jakimś schemacie wzmacniacz operacyjny w układzie który pracuje dwustanowo, to wiem że autor nie umiał użyć tranzystora (który realizuje takie funkcję lepiej szybciej i prościej)

    Atomix20 napisał:
    Dokładnie jest to coś w rodzaju przetwornicy ac-ac.
    Takie układy (cyklokonwertery) lepiej działają w wersji wielofazowej, w twoim układzie kiedy napięcie zasilające przechodzi przez zero wyjściowe też musi, gdybyś filtrował napięcie za prostownikiem miał byś większe możliwości.
  • #8 15841966
    Atomix20
    Poziom 10  
    Posty: 22
    Ocena: 1
    jarek_lnx napisał:
    Optymalne rozwiazanie będzie zależeć od tego z jakimi prądami i napieciemami będziesz pracował.

    Trzeba zacząć od tego jak zasilić generator, jeśli napięcie jest niskie, za mostkiem mozna dać kondensatory odseparowane diodami i z tego odfiltrowanego napięcia zasilić generator, odrazu zniknie problem napięć ujemnych, bo przy takim zasilaniu nie będą już ujemne :)


    Ponieważ tranzystory pracują w układzie WK, proponwał bym każdy z nich wysterować z tranzystora pracujuącego w układzie WE, a te wprost z generatora jeśli napięcie zasilania na to pozwoli.

    Mateusz0944 napisał:
    A jeśli chodzi o ujemne napięcie względem masy to można na wyjściu NE555 zastosować komparator albo wzmacniacz operacyjny (w drugim przypadku mógłbyś też regulować amplitudę).
    Jak już doradzasz rób to dobrze, jak widzę na jakimś schemacie wzmacniacz operacyjny w układzie który pracuje dwustanowo, to wiem że autor nie umiał użyć tranzystora (który realizuje takie funkcję lepiej szybciej i prościej)

    Atomix20 napisał:
    Dokładnie jest to coś w rodzaju przetwornicy ac-ac.
    Takie układy (cyklokonwertery) lepiej działają w wersji wielofazowej, w twoim układzie kiedy napięcie zasilające przechodzi przez zero wyjściowe też musi, gdybyś filtrował napięcie za prostownikiem miał byś większe możliwości.


    Witam Pana jeśli chodzi o odfiltrowanie napięcia nie ma takiej możliwości,ponieważ zabużyło by to prace generatora(rezonans w dalszej cześci ustrojstwa) podczas otwarcia tranzystora nastepuje przepuszczenie tak jakby paczek impulsow plusowych i minusowych naprzemiennie, impulsy w impulsie w gre wchodza tranzystry na wysokie napiecie mysle ze od 250v w gore aż do 1kv ,tylko nie wiem czy pnp wystepuja do takich napieć, proszę o podpowiedż co uzyc zeby uzyskac taki efekt o jaki mi chodzi najlepiej zebym mogl regulowac płynnie czestotliwosc i czas trwania tych impulsów,czy wystarczyło by uzyć naprzykład tl494 i na jednym z wyjsc podłaczyc jakoś :tranzystor,wzmacniacze operacyjne,komparatory,przezutniki shmita. . . zeby mi realizował zamierzoną funkcje?, dodam ze przed tymi diodami jest transformator step down na ferrycie ktory jest zasilany transformatoremHV z tv diodaHV kondensatoremHV i iskrownikiem.

    Pozdrawiam Marcin
  • #9 15842295
    jarek_lnx
    Poziom 43  
    Posty: 22540
    Pomógł: 4165
    Ocena: 6028
    Cytat:
    ponieważ zabużyło by to prace generatora(rezonans w dalszej cześci ustrojstwa) podczas otwarcia tranzystora nastepuje przepuszczenie tak jakby paczek impulsow plusowych i minusowych naprzemiennie, impulsy w impulsie w gre wchodza tranzystry na wysokie napiecie mysle ze od 250v w gore aż do 1kv

    No tak, nie podałeś kluczowych informacji, rozwiązanie które podałem nie nadaje sie do tak wyskokich napięć.
    Nie ma takich tranzystorów PNP ani P-MOS, musisz dać tranzystory NPN lub N-MOS, (a może lepszy będzie IGBT jeśli prądy są duże) to wymaga zmiany konstrukcji, sterowania nimi przez układ z izolacją galwaniczną.

    Cytat:
    dodam ze przed tymi diodami jest transformator step down na ferrycie ktory jest zasilany transformatoremHV z tv diodaHV kondensatoremHV i iskrownikiem.
    Jaka częstotliwość?
    Co ty chcesz zrobić za cudo, najpierw iskrownik, później tranzystory, pachnie absurdem.
  • #10 15843559
    Atomix20
    Poziom 10  
    Posty: 22
    Ocena: 1
    [quote="jarek_lnx"]
    Cytat:
    ponieważ zabużyło by to prace generatora(rezonans w dalszej cześci ustrojstwa) podczas otwarcia tranzystora nastepuje przepuszczenie tak jakby paczek impulsow plusowych i minusowych naprzemiennie, impulsy w impulsie w gre wchodza tranzystry na wysokie napiecie mysle ze od 250v w gore aż do 1kv

    No tak, nie podałeś kluczowych informacji, rozwiązanie które podałem nie nadaje sie do tak wyskokich napięć.
    Nie ma takich tranzystorów PNP ani P-MOS, musisz dać tranzystory NPN lub N-MOS, (a może lepszy będzie IGBT jeśli prądy są duże) to wymaga zmiany konstrukcji, sterowania nimi przez układ z izolacją galwaniczną.

    Cytat:
    dodam ze przed tymi diodami jest transformator step down na ferrycie ktory jest zasilany transformatoremHV z tv diodaHV kondensatoremHV i iskrownikiem.
    Jaka częstotliwość?
    Co ty chcesz zrobić za cudo, najpierw iskrownik, później tranzystory, pachnie absurdem.[/quote


    Mysle ze max to bedzie gdzies w granicach 25khz, tez myslalem o zastosowaniu izolacji galwanicznej tylko nie wiem czy optotriaki nie spowolnia mi zabardzo calego układu ,narazie chcialbym jednak sprubowac własnie z tranzystorami pnp i npn bez izolacji galawanicznej jesli bede mial problem z palacym sie generatorem bede kabinowal z optotriakami,
    Dokładniej ujmujac jest to generator wolnej energi wykorzystuje patent w ktorym siła indukcji jest nie linijna w stosunku do napiecia zasilania, kiedys udalo mi sie przeprowadzic ciekawy experyment i wnioski z niego potwierdzaja zjawisko
    na wejsciu tego ukladu mialem podlaczona zarowke 12v21w i na wyjsciu taka sama wszystko zasilalem z 12v i co ciekawe zarowka na wyjsciu swiecila sie mocno a zarowka na wejsciu podlaczona jak amperomierz ledwo sie zazyła.
    a to drugie urzadenie nad ktorym obecnie pracuje wykorzystuje cewke tesli ktora jest tak jakby otwierana w danym momencie sinusoidy ktora jest generowana w odpowiednim transformatorze powietrznym.
    A jeśli chodzi o generator z tematu to najlepiej jeśli zawierał by w sobie również cyfrową pętle synchronizacji i na jego końcu te dwa tranzystory wykonawcze koniecznie npn i pnp.



    Pozdrawiam Marcin
  • Pomocny post
    #11 15844632
    jarek_lnx
    Poziom 43  
    Posty: 22540
    Pomógł: 4165
    Ocena: 6028
    Atomix20 napisał:
    Mysle ze max to bedzie gdzies w granicach 25khz, tez myslalem o zastosowaniu izolacji galwanicznej tylko nie wiem czy optotriaki nie spowolnia mi zabardzo calego układu ,narazie chcialbym jednak sprubowac własnie z tranzystorami pnp i npn bez izolacji galawanicznej jesli bede mial problem z palacym sie generatorem bede kabinowal z optotriakami,
    Tranzystory PNP na 400V powinno udać sie kupić, optotriaki do czego innego służą, tu potrzebne są transoptory istnieją nawet takie z wbudowanym driverem FETów jak TLP250.

    Zastanów się w jakich warunkch będą pracować tranzystory jakie reaktancję są w układzie czy np nie trzeba zabezpieczac przed przepięciami na indukcyjności albo przetężeniami z kondensatora, bo jeśli zrobisz takie błędy uwalisz tranzystory przy prądach i napięciach wielokrotnie mniejszych niż dopuszczalne.

    Atomix20 napisał:
    A jeśli chodzi o generator z tematu to najlepiej jeśli zawierał by w sobie również cyfrową pętle synchronizacji i na jego końcu te dwa tranzystory wykonawcze koniecznie npn i pnp.
    A dlaczego cyfrową, analogowa prostsza i bardziej niezawodna w warunkach dużych zakłóceń.
  • #12 15844728
    Atomix20
    Poziom 10  
    Posty: 22
    Ocena: 1
    jarek_lnx napisał:
    Atomix20 napisał:
    Mysle ze max to bedzie gdzies w granicach 25khz, tez myslalem o zastosowaniu izolacji galwanicznej tylko nie wiem czy optotriaki nie spowolnia mi zabardzo calego układu ,narazie chcialbym jednak sprubowac własnie z tranzystorami pnp i npn bez izolacji galawanicznej jesli bede mial problem z palacym sie generatorem bede kabinowal z optotriakami,
    Tranzystory PNP na 400V powinno udać sie kupić, optotriaki do czego innego służą, tu potrzebne są transoptory istnieją nawet takie z wbudowanym driverem FETów jak TLP250.

    Zastanów się w jakich warunkch będą pracować tranzystory jakie reaktancję są w układzie czy np nie trzeba zabezpieczac przed przepięciami na indukcyjności albo przetężeniami z kondensatora, bo jeśli zrobisz takie błędy uwalisz tranzystory przy prądach i napięciach wielokrotnie mniejszych niż dopuszczalne.

    Atomix20 napisał:
    A jeśli chodzi o generator z tematu to najlepiej jeśli zawierał by w sobie również cyfrową pętle synchronizacji i na jego końcu te dwa tranzystory wykonawcze koniecznie npn i pnp.
    A dlaczego cyfrową, analogowa prostsza i bardziej niezawodna w warunkach dużych zakłóceń.




    Witam widzę ze posiadasz ogromna wiedze ja nawet nie znam takich pojęć jak reaktancja czy przetężenie, być moze dlatego mam problem z jednym z moich układów jeśli mogłbym to napisze Ci na priva opisze własnie ten układ ktory juz mam ewentualnie podesle Ci filmik jak to dziala tylko wystepuje problem z palacymi sie tranzystorami jesli moge oczywiscie, odnośnie tematu...sugerujesz zebym zastosował dwa npn np na 400V byle by byl szybki i mial duzy prad, no i teraz dalej według mojego rozumowania wygladalo by to tak

    1. komparator-petla (4046)-7414jako driver i zeby mozna bylo zmieniać czestotliwosć-dwa TLP250 dwa tranzystory npn. Teraz pytanie do tego czy jak beda dwa npn to bede musial wykluczyc minusowa linie i zastosowac mostek gretza zamiast napiecia plusowego i minusowego wzgledem masy?, jesli chodzi o petle synchronizacji mialem doczynienia tylko z 4046 dlatego napisałem ze cyfrowa,jesli istnieje jakieś lepsze rozwiazanie to nakieruj mnie.

    Pozdrawiam Marcin
  • REKLAMA
  • Pomocny post
    #13 15845713
    jarek_lnx
    Poziom 43  
    Posty: 22540
    Pomógł: 4165
    Ocena: 6028
    Rysujac sterowanie tranzystorami doszedłem do wniosku że w schemacie z postu #3 nie ma którędy zamknąć obwodu dla pradu cewki po wyłączeniu tranzystora, przyczyną jest prostownik.
    Chodzi o to że prąd cewki nie może zostać przerwany, jeśli nie chcemy przepięcia które zniszczy tranzystory.
  • #14 15845905
    _jta_
    Specjalista elektronik
    Posty: 48809
    Pomógł: 3198
    Ocena: 4184
    Którą cewkę masz na myśli? Jeśli tę pionową, z lewej strony, to można dać kondensator filtrujący na wyjściu mostka; jeśli tę poziomą, to też nie ma problemu, bo jest dołączona do emiterów, w razie czego cewka nie pozwoli na wyłączenie tranzystora. Natomiast do napięć ponad 250V (i sporo mniejszych też) nie można podawać napięcia na bazę jednego tranzystora, a zera na bazę drugiego, bo różnica rozdzieli się między napięcie przewodzenia złącza emiter-baza jednego, i polaryzacji zaporowej takiego złącza drugiego - a dopuszczalne napięcie polaryzacji zaporowej złącza emiter-baza, to zwykle kilka V (dla MOSFET-ów to może być ze 30V, ale to też mało) - albo trzeba dodać jakieś diody, albo podawać to samo napięcie sterujące na obie bazy. A kolejna kwestia, to jeśli chce się mieć 250V na wyjściu, to do sterowania baz trzeba jeszcze nieco więcej - na byle czym nie zrobi się takiego generatora. Jeszcze kolejna, to że tranzystory wysokonapięciowe zwykle mają niską częstotliwość graniczną....
  • #15 15846717
    Atomix20
    Poziom 10  
    Posty: 22
    Ocena: 1
    Teraz to już się całkiem pogubiłem,jeśli to możliwe prosił bym o jakiś rysunek jak to pogodzić se sobą żebym miał taka konfiguracja tranzystorów jak w poście 3 czyli pnp i npn.
    Wpadł mi do głowy taki pomysł jak by te dwa tranzystory zamiast prostokątami sterować sinusoidą ,jeden sygnał sinusoidalny podany na bazy, dało by to rade wysterować te dwa tranzystory?

    Pozdrawiam Marcin
  • #17 15847683
    Atomix20
    Poziom 10  
    Posty: 22
    Ocena: 1
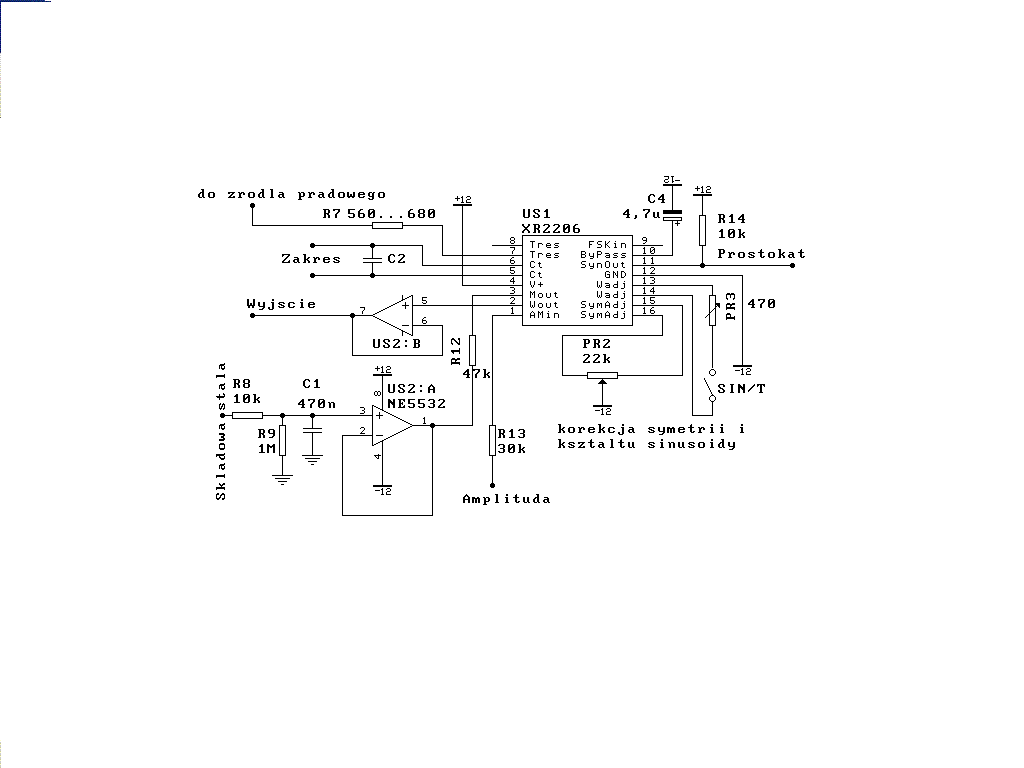
    Odnalazłem pewien układ.tylko prosił bym o kilka objaśnień:
    1-Do czego służy wyprowadzenie(do żródła prądowego).
    2-Dlaczego układ US2 B nie jest podłączony do zasilania symetrycznego.
    3-Do czego służy wyprowadzenie (amplituda),czy ma być podłączone do masy.
    4-do czego służy wyprowadzenie prostokąt,bo rozumiem ze sygnał wyjściowy pojawia się na wyprowadzeniu(wyjście) a jego kształt zależy od położenie zworki(SIN/T) analogicznie sygnał sinusoidalny/prostokątny.
    5-Do czego służy wyprowadzenie składowa stała.
    Schemat generatora prostokątnego dwupolowego z regulacją wypełnienia i częstotliwości

    Pozdrawiam Marcin

Podsumowanie tematu

✨ W dyskusji poruszono temat schematu generatora prostokątnego dwupolowego z regulacją wypełnienia i częstotliwości 50Hz. Użytkownik poszukiwał rozwiązań, które umożliwiłyby uzyskanie sygnału z dwoma wyjściami: jedno dodatnie, a drugie ujemne względem masy. Proponowano zastosowanie układu NE555 oraz TL494, a także komparatorów i wzmacniaczy operacyjnych do regulacji sygnału. Wskazano na konieczność odpowiedniego zasilania generatora oraz zastosowania tranzystorów NPN lub IGBT do pracy przy wysokich napięciach (250V do 1kV). Użytkownik rozważał również zastosowanie optotriaków i transoptorów do izolacji galwanicznej. Wskazano na problemy związane z przepięciami oraz konieczność zabezpieczeń w układzie. Ostatecznie, użytkownik poszukiwał schematów oraz wyjaśnień dotyczących działania poszczególnych komponentów.
Wygenerowane przez model językowy.
REKLAMA