Witam!
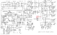
Wiem że temat był poruszany X razy, ale nadal nie wiem jak zmienić napięcia w zasilaczu ATX. (A tak na marginesie to nie wiem czy to ten dział). Jestem właśnie w trakcie przerabiania zasilacza ATX na zasilacz laboratoryjny i chcę mieć w nim regulację napięcia do 30V o dużej wydajności prądowej. Najlepszym rozwiązaniem (wg. mnie) jest zmiana napięcia na linii 12V. Z tego co czytałem w notach katalogowych KA7500 to na nóżce pierwszej tego scalaka jest napięcie z dzielnika napięcia podłączonego do 5VSB i 12V. Na tej nóżce mam 11.02V. I aby zwiększyć napięcie wlutowałem do jednego z rezystorów równolegle drugi rezystor 1K?. Ale napięcie wzrosło z 12.18V do 12.2V czyli niewiele. A więc co trzeba zrobić aby napięcie wzrosło bardziej??

Wiem że temat był poruszany X razy, ale nadal nie wiem jak zmienić napięcia w zasilaczu ATX. (A tak na marginesie to nie wiem czy to ten dział). Jestem właśnie w trakcie przerabiania zasilacza ATX na zasilacz laboratoryjny i chcę mieć w nim regulację napięcia do 30V o dużej wydajności prądowej. Najlepszym rozwiązaniem (wg. mnie) jest zmiana napięcia na linii 12V. Z tego co czytałem w notach katalogowych KA7500 to na nóżce pierwszej tego scalaka jest napięcie z dzielnika napięcia podłączonego do 5VSB i 12V. Na tej nóżce mam 11.02V. I aby zwiększyć napięcie wlutowałem do jednego z rezystorów równolegle drugi rezystor 1K?. Ale napięcie wzrosło z 12.18V do 12.2V czyli niewiele. A więc co trzeba zrobić aby napięcie wzrosło bardziej??