logo elektroda
logo elektroda
X
logo elektroda
REKLAMA
REKLAMA
Adblock/uBlockOrigin/AdGuard mogą powodować znikanie niektórych postów z powodu nowej reguły.

Daewoo Leganza ALDL diagnostyk - Diagnostyka komputerowa

cobus 28 Sie 2017 14:18 2523 13
REKLAMA
  • #1 16667951
    cobus
    Poziom 9  
    Posty: 8
    Witam otóż myślę nad kupnem przejściówki ALDL na obd2 do mojej Daewoo Leganzy i chciałbym się dowiedzieć, czy jest jakiś program żeby sprawdzać na komputerze takie usterki jak ABS , Air Bag itp. w Leganzie, ponieważ z tego co wiem i doświadczyłem jest problem z diagnostyką aut daewoo mało ,które urządzenie w warsztatach obsługuje pojazdy Daewoo. Moi znajomi do innych aut kupują interfejsy za kilkadziesiąt złoty i mają praktycznie pełną diagnostykę mi zależy na diagnostyce ABS. Z góry dziękuje za pomoc
  • REKLAMA
  • #2 16914969
    Jarix44
    Poziom 8  
    Posty: 9
    Ocena: 1
    Witam czy udało się znaleźć jakiś program do leganzy mam ten sam problem posiadam przejściówkę z gniazda Daewoo ALDL na OBD2, posiadam interfejs icar2 (elm327) lecz nie udało mi się nawet połączyć ze sterownikiem silnika, programy typu torque oraz inne programy pod ten interfejs na laptopie nie działają.
    Proszę o odpowiedź jak mogę się połączyć z tym autem aby sprawdzić błędy silnika oraz ABS. Pozdrawiam
  • REKLAMA
  • #3 16915116
    Megawe
    Poziom 34  
    Posty: 2661
    Pomógł: 246
    Ocena: 1427
    Daewoo Leganza ALDL diagnostyk - Diagnostyka komputerowa

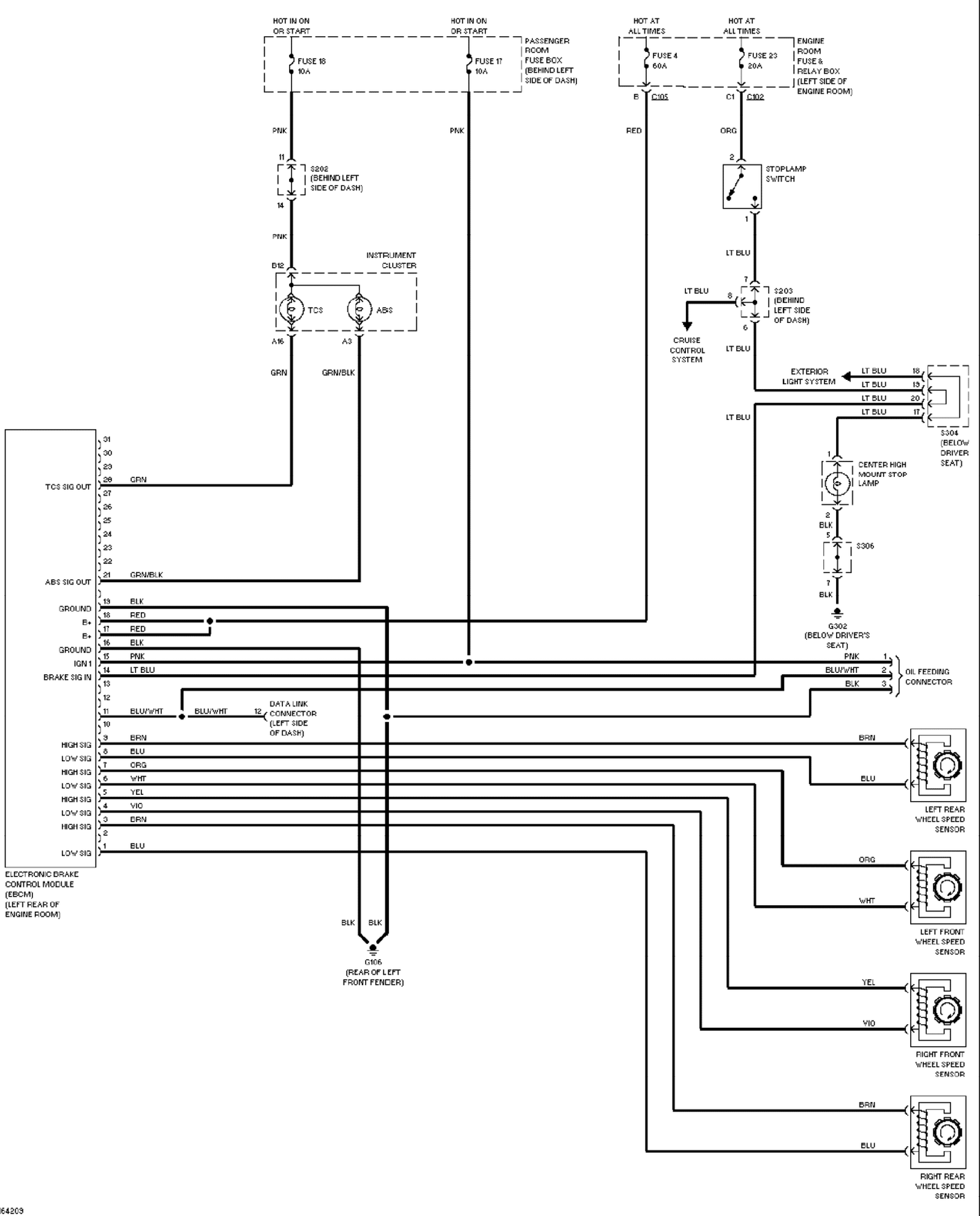
    ABS najprościej sprawdzić wg schematu. Odpinamy wtyczkę od sterownika ABS i omomierzem sprawdzamy każdy czujnik przy kole. 90% usterek ABS to problem z tymi czujnikami. Jak z czujnikami będzie wszystko OK to wtedy mamy większy problem.
  • #4 16915151
    Jarix44
    Poziom 8  
    Posty: 9
    Ocena: 1
    Dziękuję za odpowiedź, sprawdziłem czujniki przy wtyczce modulatora na każdym miernik pokazuję około 1600 ohm, może jeszcze spróbuję czy generują napięcia przy kreceniu kołem,kontrolka ABS świeci od włączenia zapłonu bez przerwy. Oczywiście ABS nie działa posiadam wersję Cdx z TCS.
  • #5 16915212
    g107r
    Poziom 41  
    Posty: 5242
    Pomógł: 807
    Ocena: 981
    @Jarix44, jaki masz zawór EGR obok cewki ? Podciśnieniowy, czy elektryczny z przewodami ? Złącze diagnostyczne 12 czy 16pin ?
  • #6 16915225
    Jarix44
    Poziom 8  
    Posty: 9
    Ocena: 1
    To Leganza 2.0 z 99r złącze 12 pinowe, EGR jest podcisnieniowy.
  • REKLAMA
  • #7 16915235
    g107r
    Poziom 41  
    Posty: 5242
    Pomógł: 807
    Ocena: 981
    Link błędy czytasz na zworkę, większa diagnoza przez interfejs do ALDL , lub scanerem100 daewoo.
    Z ABS nie bardzo się interesowałem, ludzie sprawdzają na piechotę, lub jeżdżą po mechanikach.
    strona kolegi z forum
  • #8 16915324
    Jarix44
    Poziom 8  
    Posty: 9
    Ocena: 1
    Ok dzięki za schemat jutro wszystko sprawdzę, mam jeszcze jedno pytanie, gdyż mam jeszcze problem z obrotami teraz check się nie zaswieca, po ostrym hamowaniu lub przy przyspieszeniu do około 3,5tys obrotów często obroty zostają w granicach od 2-4tys na biegu jałowym pomaga czasami wcisniecie gazu lub zgaszenie i ponowny rozruch i obroty wracają do około 850. Wymieniony krokowiec oraz umyta przepustnica i posprawdzane przewody podcisnienia,zauważyłem że po odlaczeniu wtyczki od krokowca na odpalonym silniku brak reakcji ale reaguje na czujnik tps za przepustnicą jaka może być tego przyczyną i jak sprawdzić wtyczkę silniczka wydaje mi się że może to wina uszkodzonych przewodów?
  • REKLAMA
  • #9 16915349
    g107r
    Poziom 41  
    Posty: 5242
    Pomógł: 807
    Ocena: 981
    Sprawdź czy masz 0,33V z czujnika przepustnicy. +5V jasnoniebiesko/czarny, masa czarny, i na trzecim ciemnoniebieskim te 0,33V względem czarnego przy zamkniętej przepustnicy.
    A jak świeci check to sprawdź błędy.
    Może być krokowy, tps, przepustnica, ciężko zgadywać...
  • #10 16915367
    Jarix44
    Poziom 8  
    Posty: 9
    Ocena: 1
    Sprawdzilem na włączonym zapłonie, pokazuje dokładnie 0,35V po wciśnięciu gazu napięcie stopniowo rośnie.
    Zapytam jeszcze jak sprawdzić zasilanie krokowego są tam cztery przewody, jakie ma być tam zasilanie, uważam że po włączeniu zapłonu lub po podłączeniu klemy powinien się ustawić a on się nie rusza sprawdzone na wyjetym z przepustnicy.
  • #11 16915438
    g107r
    Poziom 41  
    Posty: 5242
    Pomógł: 807
    Ocena: 981
    U mnie takie zabawy z tps skończyły się wymianą przepustnicy, ale błędu tps'a nigdy nie miałem.
    Możesz skorygować te ustawienie, lecz i tak odczytaj błędy. Chyba żeś je skasował odłączając akumulator.
  • #12 16915458
    Jarix44
    Poziom 8  
    Posty: 9
    Ocena: 1
    Przy zawieszeniu się obrotów na benzynie po około 2 min zaświeca się check i błąd 35 odczytałem po miganiu kontrolki.
  • #13 16915614
    g107r
    Poziom 41  
    Posty: 5242
    Pomógł: 807
    Ocena: 981
    strona 242
    Ile kosztował ten krokowy ? Masz inny, choćby stary ?
    Tak, po za tym krokowym, wiązka i wtyczka do sprawdzenia.
    Klapka przepustnicy nie ma luzów i jest przykręcona do ośki ?
    Po naszemu od lanosa
    Załączniki:
    • Desktop.7z (408.4 KB) Musisz być zalogowany, aby pobrać ten załącznik.
  • #14 16915938
    Jarix44
    Poziom 8  
    Posty: 9
    Ocena: 1
    Ok dziękuję za pomoc, oczywiście klapka nie ma luzów jest dobrze przykrecona, dokładnie wyczyscilem cała przepustnice z tą klapką, sprawdzę wtyczkę i ciągłość wiązki stary krokowy był mexico czyli oryginalny, nowy to niemiecki zamiennik.
    Dodano po 8 [godziny] 37 [minuty]:
    Witam ponownie, odnośnie obrotów sprawdziłem wiazke kabli i jeden był przerwany, polutowałem go teraz silniczek słychać że działa, przestawilem tps na te 0,33V na zamkniętej przepustnicy, i obroty są ok po przejechaniu około 100km brak zawieszania obroty spadają za każdym razem do około 850.
    Odnośnie ABS to sprawdziłem według schematu bezpieczniki w komorze silnika i te w środku auta oraz sprawdziłem jaszcze raz czujniki każdy ma opór około 1600 ohm oraz po zakreceniu każdym kołem generują napięcia do około 4V więc pewnie są sprawne, we wtyczce modulatora pojawiają się napięcia 12V oraz jest masa tak jak na schemacie więc pewnie modulator jest uszkodzony.

Podsumowanie tematu

✨ Użytkownik rozważa zakup przejściówki ALDL na OBD2 do Daewoo Leganzy, aby móc diagnozować usterki takie jak ABS i Air Bag. W trakcie dyskusji pojawiły się problemy z łącznością interfejsu ELM327 oraz z diagnostyką ABS, gdzie większość usterek związana jest z czujnikami. Użytkownicy sugerują sprawdzenie czujników ABS oraz zasilania krokowca, a także podają metody pomiaru oporu i napięcia. Po wymianie uszkodzonego przewodu i ustawieniu czujnika TPS, problemy z obrotami silnika zostały rozwiązane. Wskazano również na możliwość uszkodzenia modulatora ABS.
Wygenerowane przez model językowy.
REKLAMA