logo elektroda
logo elektroda
X
logo elektroda
REKLAMA
REKLAMA
Adblock/uBlockOrigin/AdGuard mogą powodować znikanie niektórych postów z powodu nowej reguły.

Corsa c, swap z z12xep na z18xe, wiązka kabli przepustnicy.

lewtak19 22 Mar 2020 19:41 1161 4
REKLAMA
  • #1 18551600
    lewtak19
    Poziom 9  
    Witam, jak wyżej mam problem w corsie c mianowicie czytałem już po opcji szukaj po tematach swapu z z12xep na z18xe (silnik od vectry c), ale nie widziałem nigdzie tego jak podłączyć 2 dodatkowych kabli od przepustnicy (w 1.2 jest ich 6, a w 1.8 jest ich 8) chciałbym wiedzieć jak to zrobić żeby wszystko działało jak należy oraz jesli trzeba to co jeszcze przerobić z elektryki bo reszta pasuje jak narazie. Uprzedzam że nie jestem ekspertem w elektryce a bardziej początkującym laikiem. Jeśli ktoś by miał jakieś schematy odnoście elektryki silnika z Vc i Cc to byłbym bardzo za to wdzięczny. Jeśli było coś takiego gdzie jest to opisane co i jak to przepraszam za posta.
  • REKLAMA
  • #2 18551910
    polonez15
    Poziom 33  
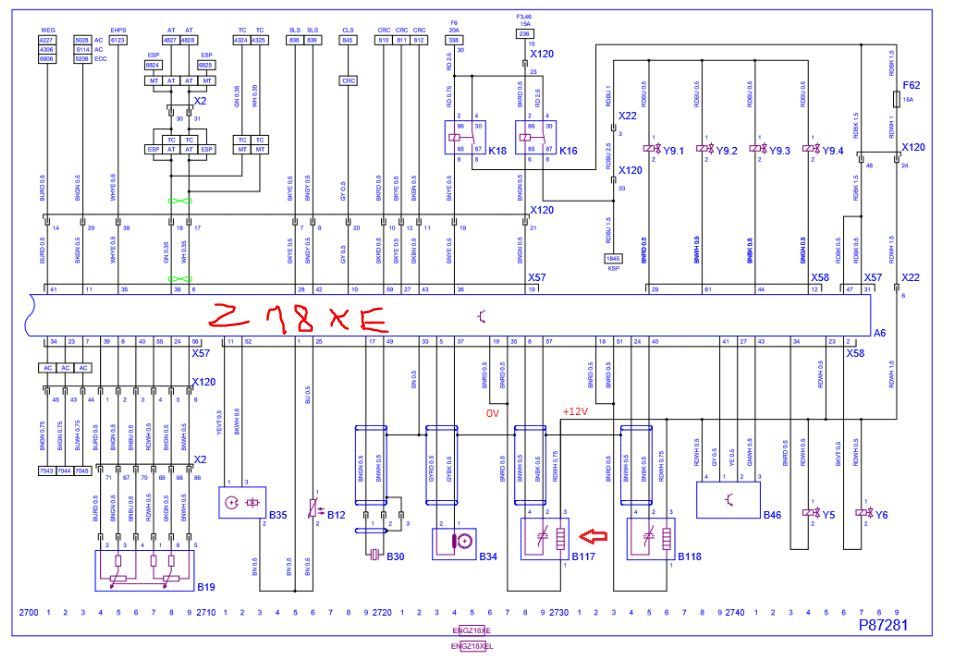
    Z12XEP Corsa c, swap z z12xep na z18xe, wiązka kabli przepustnicy.


    Z18XE Corsa c, swap z z12xep na z18xe, wiązka kabli przepustnicy.

    Dodano po 1 [minuty]:

    lewtak19 napisał:
    Witam, jak wyżej mam problem w corsie c mianowicie czytałem już po opcji szukaj po tematach swapu z z12xep na z18xe (silnik od vectry c), ale nie widziałem nigdzie tego jak podłączyć 2 dodatkowych kabli od przepustnicy (w 1.2 jest ich 6, a w 1.8 jest ich 8) chciałbym wiedzieć jak to zrobić żeby wszystko działało jak należy oraz jesli trzeba to co jeszcze przerobić z elektryki bo reszta pasuje jak narazie. Uprzedzam że nie jestem ekspertem w elektryce a bardziej początkującym laikiem. Jeśli ktoś by miał jakieś schematy odnoście elektryki silnika z Vc i Cc to byłbym bardzo za to wdzięczny. Jeśli było coś takiego gdzie jest to opisane co i jak to przepraszam za posta.


    Sprawdzić, czy w 18XE nie są zmostkowane któreś z przewodów... 1.2 ma zmostkowany potencjometr, 1.8 dwa oddzielne. Najprościej dorzucić 2 przewody do ECU.
  • REKLAMA
  • #3 18552299
    damdam

    Poziom 34  
    a czym Ty ten silnik chcesz sterować? bo jak sterownik masz z 12XEP , to z 18XE średnio to widzę :)
    a jeśli z Z18XE ( bo w corsie przecie taki był ) to nie potrzeba wówczas żadnych zmian w wiązce.....
  • REKLAMA
  • #4 18552317
    lewtak19
    Poziom 9  
    damdam napisał:
    a czym Ty ten silnik chcesz sterować? bo jak sterownik masz z 12XEP , to z 18XE średnio to widzę :)
    a jeśli z Z18XE ( bo w corsie przecie taki był ) to nie potrzeba wówczas żadnych zmian w wiązce.....


    Sterownik mam od tego silniczka tylko chodzi o całą wiązkę i różnice między nimi które zauważyłem w czasie oględzin. Ogólnie pasuje ale jednak różnice małe są i dlatego chce się zorientować jak to rozwiązać nie prując wiązki a jak ma to polegać na dołożeniu kilku kabelków to chyba o wiele lepiej. wtedy.

    Dodano po 1 [minuty]:

    Co do tych mostkowanych kabli jutro zajrzę to tego w którym momencie to tam jest złączone. lub czy jest wgl coś takiego.
  • #5 18553804
    lewtak19
    Poziom 9  
    Więc tak po przejrzeniu kable są zmostkowane jak na schemacie, ale czy nie bendę musiał przepinać na wtyczce wejściowej do komputera czegoś, bo jednak piny są inne na schematach, czy wystarczy się podpiąć tymi 2 dodatkowymi kablami wg schematu i będzie dobrze? Znalazłem też schemat pinów ecu do z18xe i z12xep (jest w wersji PDF, akurat z Corsy D) obydwu wtyczek, w PDF jest tylko wtyczka od sterowania silnikiem.
    Corsa c, swap z z12xep na z18xe, wiązka kabli przepustnicy. Corsa c, swap z z12xep na z18xe, wiązka kabli przepustnicy.
REKLAMA