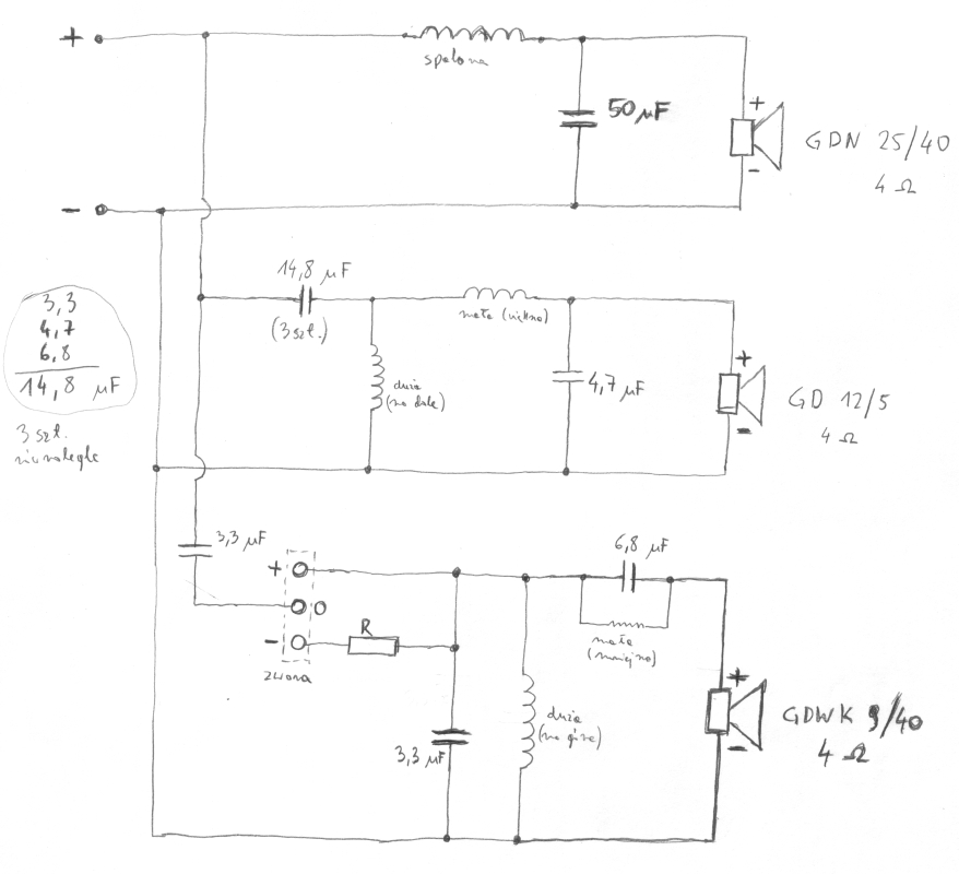
Witam. Mam kolumny jak w temacie; w obydwu kolumnach są spalone cewki od GDN'ów w zwrotnicy, cewki głośników są raczej dobre - sprawdzałem miernikiem i bateryjką. Chciałbym doprowadzić je do jak najlepszego stanu. Rozrysowałem schemat zwrotnicy (zdj.2) ale jest on inny niż w serwisówce: tor niskotonowy jest chyba taki sam (połączenia i wartość kondensatora, tor średniotonowy podobny (połączenia takie same ale inne wartości kondensatorów), tor wysokotonowy zupełnie inny (inne połączenia, inne kondensatory), i tu zaczyna się problem. Dlatego postanowiłem zapytać mądrzejszych ode mnie o co chodzi.
1. Pierwsze moje pytanie: czy dobrze narysowałem schemat, czy to ma sens?
2. Dlaczego schematy są różne, różne pojemności kondensatorów?
3. Czy spalone cewki mogą mieć takie same indukcyjności jak w serwisówce zakładając, że tory niskotonowe na obydwóch schematach są takie same? Ewentualnie jak określić idukcyjność spalonych cewek?
4. Czy zwarcie w kondensatorze elektrolitycznym toru niskotonowego mogło doprowadzić do spalenia cewek? Jaki był cel zastosowania elektrolitu. Czy foliowe nie miały takich pojemności? Czy ma on tam jakieś szczególne zadanie?
5. Czy kondensator na ostatnim zdjęciu może być uszkodzony (z powodu przypalenia) i lepiej profilaktycznie go wymienić?
6. Czy znacie jakieś specyfiki do papierowych membran głośników, żeby je trochę odświeżyć? Mam na myśli jakieś sprawdzone domowe sposoby (lakierowanie odpada) Czym można by odnowić zawieszenia GDN'ów, żeby odzyskały sprężystość?
Czekam na pouczające odpowiedzi i dziękuję za nie z góry:)

1. Pierwsze moje pytanie: czy dobrze narysowałem schemat, czy to ma sens?
2. Dlaczego schematy są różne, różne pojemności kondensatorów?
3. Czy spalone cewki mogą mieć takie same indukcyjności jak w serwisówce zakładając, że tory niskotonowe na obydwóch schematach są takie same? Ewentualnie jak określić idukcyjność spalonych cewek?
4. Czy zwarcie w kondensatorze elektrolitycznym toru niskotonowego mogło doprowadzić do spalenia cewek? Jaki był cel zastosowania elektrolitu. Czy foliowe nie miały takich pojemności? Czy ma on tam jakieś szczególne zadanie?
5. Czy kondensator na ostatnim zdjęciu może być uszkodzony (z powodu przypalenia) i lepiej profilaktycznie go wymienić?
6. Czy znacie jakieś specyfiki do papierowych membran głośników, żeby je trochę odświeżyć? Mam na myśli jakieś sprawdzone domowe sposoby (lakierowanie odpada) Czym można by odnowić zawieszenia GDN'ów, żeby odzyskały sprężystość?
Czekam na pouczające odpowiedzi i dziękuję za nie z góry:)