logo elektroda
logo elektroda
X
logo elektroda
REKLAMA
REKLAMA
Adblock/uBlockOrigin/AdGuard mogą powodować znikanie niektórych postów z powodu nowej reguły.

[atmega32] Czy mogę programować w podłączonymi elementami?

hotek 17 Maj 2010 23:40 1734 12
REKLAMA
  • #1 8088644
    hotek
    Poziom 15  
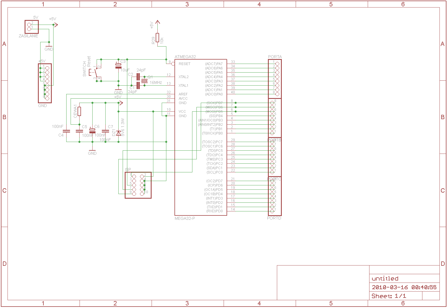
    Witam. Skonstruowałem sobie płytkę testową plus do tego peryferia (diody, switche), ale to już na innych płytkach. Dzisiaj dostałem wreszcie atmege, zlutowałem wszystko i problem wynika taki iż gdy atmega jest wlutowana (siedzi w podstawce na płytce której schemat poniżej) podłączam ja pod STK500 (podróba z allegro) to wykrywa mi jak chce, 1/4 podłączeń w tym muszę cudować z switchem od resetu bo ma jakiś dobry wpływ na wykrywanie tej atmegi w BASCOM-AVR. Natomiast gdy atmega wisi na kabelkach od STK wykrywą ją za każdym razem.
    I teraz moje pytanie, czy zawsze występuję taka sytuacja czy tylko ja mam taki 'orginalny' programator?
    Schemat (pierwszy jaki robiłem, więc proszę o wyrozumiałość bo sam widzę że za estetyczny nie jest)
    [atmega32] Czy mogę programować w podłączonymi elementami?
  • REKLAMA
  • Pomocny post
    #2 8088655
    tadzik85
    Poziom 38  
    Problemem może być kondensator resetu. (czyt. wywal go)
  • REKLAMA
  • Pomocny post
    #3 8088707
    rpal
    Poziom 27  
    Tam powinien byc kondensator ale nie o takiej pojemności a coś koło 4,7nF. Z dwojga złego lepszy jego brak niż 10uF. Ograniczenie w programowaniu dotyczy SPI. Jeśli masz do niej podpięte układy które wysyłają coś do uP np. pamięć, albo przetwornik ACD to musisz koniecznie zapewnić albo buforowanie linii SPI które na czas programowania odłacza peryferia od uP, albo peryferia zasilać sygnałami poprzez szeregowe rezystory tak gdzieś koło 1-1,2 k. W przeciwnym przypadku pojawią się błedy bo podczas odczytu z uP będziesz mógł otrzymywać także dane z peryferiów SPI i np. weryfikacja zaspisu uP pójdzie w diabły.
  • #4 8088713
    hotek
    Poziom 15  
    @tadzik85Coraz częściej wykrywa. Teraz tak 1/2, więc to jeszcze nie jest to.. : >
    @rpal Wszystko ok, ale na razie dodatkowej pamięci itd nie zamierzam używać, natomiast problem wynika wtedy gdy podłączone jest tylko to co na schemacie.
  • REKLAMA
  • #5 8088760
    mirekk36
    Poziom 42  
    Tak jak mówili koledzy wyżej wywal w ogóle ten kondensator z linii reset - w ogóle nie potrzebny.

    Wywal też tę diodę zenera C5V6 - cóż ona tam robi ?????? czyżbyś zasiłał to jakimś niestabilizowanym napięciem i liczył tylko na diodę zenera ??? to mogłoby na pewno tłumaczyć masakrę z wykrywaniem. A jeśli korzystasz, ze stabilizowanego napięcia to ta dioda zenera potrzebna jest tam jak dziura w moście do takich testowych szególnie układów.

    Jeśli na czas programowania nie masz podłączonego nic do linii MOSI, MISO i SCK a nadal tylko co jakiś czas widać procka to:

    1. sprawdź wykrywanie procka dowolnym innym programem - bo Bascom chyba ma od niedawna wbudowaną obsługę takiego programatora i stąd może ten problem (AVRDUDE, ISPPROG, PONYPROG itp)

    2. jaki to dokładnie programator STK500v2 z allegro ? firmy Andtech ? jeśli tak? - to on jest ok i dobrze działa tylko warto go przestawić zwotką w tryb taki żeby działał na porcie COM. Bo domyślnie zdaje się, że działa w trybie HID - ale z tym trybem to i ja miewałem na kursach (tzn u kursantów) różne problemy. Zawsze gdy przestawili sobie na tryb z portem COM - wszystkie problemy znikały
  • Pomocny post
    #6 8088765
    paradoxium
    Poziom 13  
    Uważaj przy łączeniu wyświetlaczy z programowaniem. Mam taki przypadek, że wypadają mi linie z wyświetlacza graficznego na złączu od programowania. Zrobiłem to tak, że na czas programowania wyjmuje 3 zworki rozpinając wyświetlacz. Dopóki tego nie zrobiłem programowanie przestawiało mi fusebity.
  • REKLAMA
  • #7 8088782
    hotek
    Poziom 15  
    @mirekk36 Co do zenerki to jakoś wolałem się zabezpieczyć (zasilam na razie z USB). Zasilanie idzie z programatora.
    Stk jest od nich
    http://www.tkm-bit.pl/programator-avrusb-kompatybilny-stk500-p-35.html

    Właściwie to mam 2 sztuki tego programatora i na obydwóch jest taka sama sytuacja.
    Z innymi programami spróbuje jutro.
    @paradoxium Na razie z konfiguracja fusebitami nie miałem doczynienia nawet w teorii, ogólnie jestem zadowolony że mi go wykrywa pierwszego dnia (choć w kratkę ;)) bo z poprzednim attiny2313 którego miałem zaprogramować gotowym programem siedziałem kilka dni bo miałem problem z konfiguracją tego programatora w programach.
  • Pomocny post
    #8 8088797
    mirekk36
    Poziom 42  
    hotek ---> no więc mówię - zabezpieczać się można diodą zenera jeśli nie jesteś pewien zasilania. Ale żeby zabezpieczać zasilanie z kompa ??? z zasilacza komputerowego ???? toż w nim masz najbardziej wyżyłowane i stabilne parametry.

    No a tego programatora to akurat nie znam i nie miałem z nim do czynienia więc nie podpowiem nic z własnych doświadczeń. Ale na moje oko - wyrzuć tę diodę zenera i sprawdź. Bo z USB często idzie napięcie np 4,8V albo 4,9V rzadko =5V - tymczasem dioda zenera na 5,6V może zaczyna w takim przypadku ssać dużo prądu niepotrzebnie i to przy nogach zasilania co powoduje zakłócenia podczas samego programowania itp.
  • Pomocny post
    #9 8089860
    omicronNs
    Poziom 21  
    Mirekk >> taka dioda może służyć jako zabezpieczenie przed przepięciami(uszkodzenie stabilizatora, żródła), jeśli będzie współpracować z bezpiecznikiem.

    Cytat:

    Bo z USB często idzie napięcie np 4,8V albo 4,9V rzadko =5V - tymczasem dioda zenera na 5,6V może zaczyna w takim przypadku ssać dużo prądu niepotrzebnie i to przy nogach zasilania co powoduje zakłócenia podczas samego programowania itp.


    Jak jest uszkodzona to możliwe, ale jeśli sprawna to praktycznie nie przewodzi prądu przy napięciu <5,6V przecież.

    Mi na ten przykład nie chciało programować kontrolera, gdy miałem podłączone do miso,mosi... diody LED z rezystorami, więc spróbuj zwolnić odpowiednie piny, i ponowić próbę. A jak linie są wolne to może przewód zbyt długi? Zimne luty?
  • Pomocny post
    #10 8089993
    paradoxium
    Poziom 13  
    Ja bym uprościł ten schemat do rzeczy niezbędnych, żeby wszystko wykluczyć. Atmega32 startuje bez kwarcu, więc można wywalić.Tak samo z diodą zenera, kondensatory z AREF itd, AVCC o ile pamiętam łączy się z VCC i jest dobrze. Reset bez kondensatorów i podciągania do +5V, sam switch i do masy. Z zasilaniem możesz też mieć problem od strony gniazdek elektrycznych. Choć to może dziwne, ale tak się zdarza gdy np. komputer masz po różnicówce, a zasilacz do tego układu podłączasz do innego gniazdka. Nie wiem na czym to polega dokładnie, bo się na tym nie znam, ale zaobserwowałem coś takiego u siebie. Wziąłbym tak na wszelki wypadek jakiś akumulatorek byle by dał trochę ponad 5V i dałbym do tego stabilizator LM7805C zamiast zasilacza komputerowego. Poza tym sprawdzić całość jeszcze raz wszystko miernikiem i tak jak przedmówca napisał sprawdzić czy nie ma zimnych lutów. Jeśli to nie pomoże, to obstawiałbym programator. Też się obecnie bawię ATMEGA32 na płytce testowej i rusza bez problemów. Z tym, że ja mam programator na LPT.
  • #11 8090977
    hotek
    Poziom 15  
    @paradoxium w AVR-STUDIO już problemu nie ma. Veryfikuje obecność procka za każdym razem z podpiętymi kondensatorami oprócz tego który był pod resetem bo nie chce mi się grzać lutownicy już dzisiaj. Cewki praktycznie rzecz biorąc nie ma, bo nie było w sklepie a nie chciało mi się do drugiego jechać... ;)
    Ogólnie rzecz biorąc byłbym już w 7mym niebie, gdyby ktoś podsunął mi kontynuacje tutorialu z tego tematu
    http://www.elektroda.pl/rtvforum/topic1059204.html

    Najpierw wybieram opcje 'build' potem 'compile' mam w ręku gotowy *.hex i jak dalej go wgrać do procesora? Czy mogę to zrobić poprzez AVR-STDIO? 'tools'>'program avr'> itd?
  • Pomocny post
    #12 8092763
    Kamil557
    Poziom 11  
    Ja korzystam od dawna z programu ISPProgrammer i wszystko działa bez zarzutu. Programowałem już AtM8,16,64,162,128. Z STK500 nie korzystałem. Dlatego nie pomogę Ci z programowaniem przez AVR Studio(korzystam z STK200, którego nie ma w Studio), ale kolega spokojnie programował poprzez Studio za pomocą STK500. Więc na pewno się da :D
  • #13 8093846
    hotek
    Poziom 15  
    Działa działa i to bardzo dobrze AVR-STUDIO z tym STK. ;)
    Dzięki wszystkim za pomoc.
REKLAMA