logo elektroda
logo elektroda
X
logo elektroda
REKLAMA
REKLAMA
Adblock/uBlockOrigin/AdGuard mogą powodować znikanie niektórych postów z powodu nowej reguły.

Odcięcie zapłonu ECU wyłapuje błąd CO ZROBIĆ ? 1.9 tdi ARL

muszka.d 24 Sty 2011 21:37 7469 11
REKLAMA
  • #1 9052298
    muszka.d
    Poziom 10  
    Posty: 12
    Zadaniem jest unieruchomienie silnika (potocznie mówiąc odcięcie zapłonu)


    Wszystko byłoby ok, ale po zmierzeniu napięcia na 15 widzę że jest ~9 V, a jeżeli do tego ma być podpięte 12V to nic się nie stanie ze sterownikiem ?


    Wiem że bez +12v będzie wywalać błąd, ale boje się że po podłączeniu sterownik może ulec uszkodzeniu...
    +12 poprowadziłem z tablicy bezpieczników (bodajże zapaliczka).


    Co w związku z tym zrobić ?
    Czy ktoś jest w stanie odpowiedzieć na moje pytanie ?
    Tak ma być czy może brać prąd z innego miejsca lub też coś jest nie tendyk.
  • REKLAMA
  • #2 9055741
    milejow

    Poziom 43  
    Posty: 13048
    Pomógł: 1558
    Ocena: 5109
    Jaki kod silnika bo sterowników do TDI jest kilka i opisz dokładnie, co chcesz zrobić z tym pinem15(przeciąć go na potrzeby blokady?) bo kompletnie nie rozumiem Twojego zamiaru. W większości sterowników TDI pin 15 to zawór kierownicy turbiny więc nie rozumiem, po co chcesz go ciąć???
    Konto firmowe:
    Działalność własna
    Mętów 99, Lublin, 20-388
  • REKLAMA
  • #3 9055819
    muszka.d
    Poziom 10  
    Posty: 12
    Zrobiłem pętle z włącznikiem na kablu fioletowo czarnym, w celu udaremnienia potencjalnemu "złodziejowi" zadowolenia z nabycia mojego pojazdu ;)


    Silnik ARL.

    Chodzi o odcięcie zapłonu, ale tak żeby komputer nie wyłapywał błędów (z tego co już wiem to należy doprowadzić do tego napięcie aby komp nic nie wyłapał)


    Wszystko działa jak należy, ale po kręceniu na wyłączonym pstryczku, wyskakuje kontrolka ESP.
  • #4 9055891
    milejow

    Poziom 43  
    Posty: 13048
    Pomógł: 1558
    Ocena: 5109
    Zapłon jest na pinie 47 ECU
    Konto firmowe:
    Działalność własna
    Mętów 99, Lublin, 20-388
  • #5 9056360
    muszka.d
    Poziom 10  
    Posty: 12
    47, a kolor który ?



    Wszystko spełnia swoją rolę, samochodu nie da się odpalić ale pytanie mam odnoście napięcia jakie tam jest.


    Z tego co wyczytałem należy podpiąć do tego 12v żeby nie było błędu... ale problem jest z tym że na tym kablu na którym jest pętla nie ma 12v tylko jest ~ 9V
  • #6 9056457
    milejow

    Poziom 43  
    Posty: 13048
    Pomógł: 1558
    Ocena: 5109
    Przepraszam, pin 37 a kolor czarno/fioletowy. Pomyliłem oznaczenia silnika bo ich wcześniej nie podałeś, w modelu ARL pin 15 mam pusty na schemacie. Unieruchomienie silnika polega na odcięciu zapłonu od sterownika, jak podasz mu +12V z innego miejsca na ten pin to co da to odcięcie??? Pewnie naczytałeś się o ,,piętnastce,, i szukałeś pinu z tym numerem, niestety chodzi o plus po zapłonie-zwany potocznie piętnastką
    Konto firmowe:
    Działalność własna
    Mętów 99, Lublin, 20-388
  • REKLAMA
  • #7 9056539
    muszka.d
    Poziom 10  
    Posty: 12
    co do "piętnastki" to jak jak mówisz czytałem i szukałem.... ale znalazłem fioletowo-czarny i na nim właśnie wszystko zrobiłem. Wszystko działa ale komp wyłapuje błędy, co mam zrobić żeby nie było widać błędów ?


    Chodzi mi o to że na tym właśnie kablu czarno-filetowym jest napięcie ~9 a jak podepnę 12v np ze stacyjki to nic nie narobi się burdelu ?


    Jak zrobić żeby komp nie wyłapywał błędów ?


    Czy zapalniczka ma napięcie po zapłonie ? czy brać ze stacyjki ?
  • REKLAMA
  • #8 9061341
    CameR

    Moderator Zabezpieczeń Pojazdów
    Posty: 7694
    Pomógł: 1136
    Ocena: 3260
    muszka.d napisał:
    (...)Czy zapalniczka ma napięcie po zapłonie ? czy brać ze stacyjki ?

    Zastanawiam się, czy Ty chociaż otwarłeś pokrywę silnika w tym samochodzie?
    Czy teoretyzujesz i na razie tylko "zbierasz materiały" przed klawiaturą komputera?
    Do sprawdzenia tego stosuje się tzw. woltomierz lub żarówkę z dwoma przewodami - zwaną próbnikiem.
    Niestety w każdym przypadku trzeba wyjść z domu i ubrudzić sobie ręce.
    Konto firmowe:
    ABC KOM
    Barcelońska 77, Katowice, 40-683 | Tel.: 601XXXXXX (Pokaż) | Strona WWW: https://www.auto-alarm.com.pl
    Pomogłem? Kup mi kawę.
  • #9 9061971
    muszka.d
    Poziom 10  
    Posty: 12

    Odłączenie zapłonu działa, ale ECU wyłapuje błąd i dalej moje pytanie brzmi, co zrobić żeby tego uniknąć ? Co mam podłączyć i gdzie najlepiej żeby nie było błędu. osobom które poświęcą 30 sekund aby odpowiedzieć z góry dziękuję.








    Jeżeli nie potrafisz odpowiedzieć na pytanie to po co piszesz takie bzdury !!
    Nie będziesz mi kolego za przeproszeniem i bez obrazy tutaj ubliżał, bo akurat rozrządy, turbiny, oleje, zawieszenia itd robię we własnym zakresie. Więc nie pisz mi że muszę ubrudzić sobie ręce ! Bo gdybyś Ty chociaż raz "udupił" się tak jak ja w garażu to byłoby wspaniale i w związku z tym pogratulowałbym Ci.
    Posiadam wiedzę w sprawie mechaniki a nie elektorniki i dlatego też tutaj pytam mądrych ludzi co zrobić...
  • Pomocny post
    #10 9062727
    CameR

    Moderator Zabezpieczeń Pojazdów
    Posty: 7694
    Pomógł: 1136
    Ocena: 3260
    Skoro, jak piszesz "pytasz mądrych ludzi", to udzielę Ci mądrej odpowiedzi:

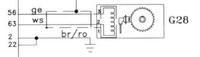
    W silniku ARL na pompowtryskach ECU rozpoczyna wtrysk oleju napędowego do cylindrów w momencie odebrania sygnału z czujników G28 i G40 lub jednego z nich w przypadku, gdy drugi jest uszkodzony.
    Jedynym skutecznym sposobem zabezpieczenia takiego silnika jest niezależne odcięcie dwóch obwodów czujników Halla:
    G28- przewód sygnałowy - BIAŁY.
    G40- przewód sygnałowy - BIAŁO-NIEBIESKI
    Jeśli w tym silniku odetniemy czujniki [G40 i G28] to mimo poruszania się tłoków, ECU nie otrzyma informacji o obracaniu się wałka rozrządu i wału korbowego i nie rozpocznie wtryskiwania paliwa do cylindrów jednocześnie ECU nie wyłapie żadnych błędów.
    Odcięcie napięcia zasilania ECU jest nieskuteczne, ponieważ złodziej "podmieni" ECU na "zmodyfikowane" bez immo i z dwoma przewodami zakończonymi żabkami do akumulatora.
    Konto firmowe:
    ABC KOM
    Barcelońska 77, Katowice, 40-683 | Tel.: 601XXXXXX (Pokaż) | Strona WWW: https://www.auto-alarm.com.pl
    Pomogłem? Kup mi kawę.
  • #11 9063145
    muszka.d
    Poziom 10  
    Posty: 12
    cameR dzikuje Ci za rzeczowa odpowiedz, szac
    unek dla Cibie, jedyny sposrod grona odpowiedziales na pytanie.


    Jeszcze jedno male pytanie:
    Podanych przez Ciebie kolorow rowniez szukac w tej wiazce? W ktorej znalazlem fioletowo czarny? (czyli na podszybiu?)

Podsumowanie tematu

✨ Użytkownik pyta o sposób unieruchomienia silnika 1.9 TDI ARL poprzez odcięcie zapłonu, obawiając się, że podłączenie napięcia 12V do pinu 15 ECU może uszkodzić sterownik. W odpowiedziach wyjaśniono, że pin 15 w modelu ARL jest pusty, a właściwe odcięcie zapłonu polega na niezależnym odcięciu obwodów czujników Halla (G28 i G40). Użytkownik poszukuje również sposobu na uniknięcie błędów w ECU, które pojawiają się po odcięciu zapłonu. Zasugerowano, aby podłączyć napięcie do odpowiednich pinów, aby uniknąć błędów, oraz wskazano, że odcięcie zasilania ECU jest nieskuteczne, ponieważ złodzieje mogą podmienić ECU.
Wygenerowane przez model językowy.
REKLAMA