Witam, chciałbym skorzystać z projektu z linku
http://diy.elektroda.eu/interaktywna-podstawka-pod-kufel/
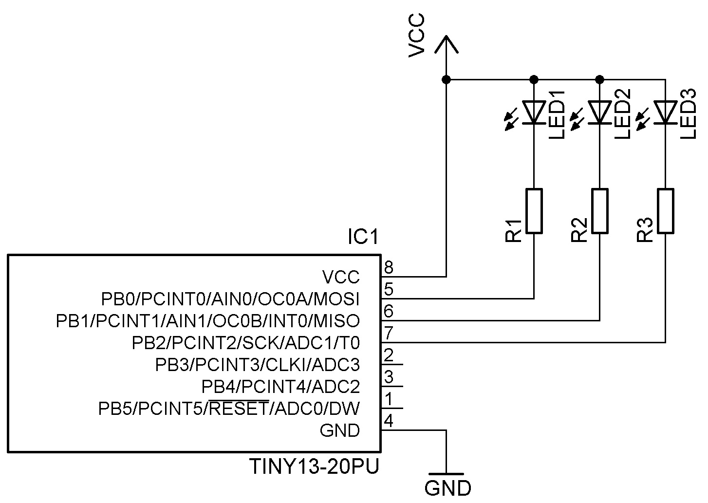
na użytek mojego modelu samochodu RC do mierzenia temperatury silnika szczotkowego żeby go nie przegrzać powyżej 80 stopni i mam pytanie:
1) Co trzeba zmienić w programie jeśli mam ATtiny13 20Mhz (twórca projektu użył ATTiny13V 10MHz) żeby dobrze przeliczał.
2) Co i gdzie zmienić w programie zakres temperatur np. <50st BLUE; 50-75st GREEN; >75st RED
http://diy.elektroda.eu/interaktywna-podstawka-pod-kufel/
na użytek mojego modelu samochodu RC do mierzenia temperatury silnika szczotkowego żeby go nie przegrzać powyżej 80 stopni i mam pytanie:
1) Co trzeba zmienić w programie jeśli mam ATtiny13 20Mhz (twórca projektu użył ATTiny13V 10MHz) żeby dobrze przeliczał.
2) Co i gdzie zmienić w programie zakres temperatur np. <50st BLUE; 50-75st GREEN; >75st RED
Kod: text
