Witam
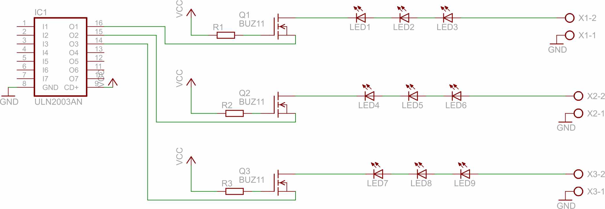
Czy podany poniżej schemat będzie poprawny do sterowania dłuższym odcinkiem LED RGB ? Tzn. zakładam, że potrzebuję prądu 2A/kanał i nie chcę używać większej ilości układów ULN2003 ( ponoć przestarzałych ), a jednocześnie zabezpieczyć procesor.
Czy w ten sposób zasilać także przy wykorzystaniu PCF8574 ?

Czy podany poniżej schemat będzie poprawny do sterowania dłuższym odcinkiem LED RGB ? Tzn. zakładam, że potrzebuję prądu 2A/kanał i nie chcę używać większej ilości układów ULN2003 ( ponoć przestarzałych ), a jednocześnie zabezpieczyć procesor.
Czy w ten sposób zasilać także przy wykorzystaniu PCF8574 ?