logo elektroda
logo elektroda
X
logo elektroda
REKLAMA
REKLAMA
Adblock/uBlockOrigin/AdGuard mogą powodować znikanie niektórych postów z powodu nowej reguły.

Onwa MK2 AM/FM - Słaby odbiór

desaintgermain 25 Lis 2011 18:12 5292 7
REKLAMA
  • #1 10181716
    desaintgermain
    Poziom 2  
    Witam

    Swego czasu dostałem uszkodzone radio Onwa MK2.
    Radio włączało się, ale jednak nie nadawało. Dodatkowo nie było słychać nic poza szumem. W środku widać było pęknięty na pół tranzystor końcowy.

    Radio zostało oddane do serwisu, podobno dobrego w celu naprawy.
    Chciałem wtedy aby zrobił to ktoś, kto jest na bieżąco..

    W serwisie została wymieniona końcówka mocy, na C2078.

    Po tej naprawie było lepiej, jednak radio dalej zachowywało się niewłaściwie.
    Wszędzie indziej radzono sprawdzenie instalacji antenowej.

    Wcześniej miałem tylko jedną antenę i właśnie najwięcej czasu straciłem na testowaniu instalacji antenowej jak wszyscy radzili. Było za późno aby reklamować naprawę radia.

    No i instalacja antenowa została wykluczona. Miernik SWR mam i z innym radiem na tej antenie wszystko było dobrze. Sprawdzanie złącz na kablu i w radiu, badanie miernikiem kabla od wtyku do anteny. Rozbieranie anteny w celu sprawdzenia cewki, itd. Onwe testowałem też w innych warunkach i na innej antenie dalej jest problem z odbiorem.

    Anteny jakie obecnie posiadam:
    1x HUSTLER IC-100
    2x Midland ML-145
    1x BAZOWA SIRIO GPE 27 5/8 fali

    Na wszystkich antenach to samo.

    Reflektrometr podłączony do radia wskazuje ponad 3 SWR, reflektrometr jest sprawny. Wiem jak mierzyć i odczytać pomiar, a radio nadaje rewelacyjnie.
    Coś tam się da pogadać, ale to raczej na siłę, z powodu słabego odsłuchu.

    Mianowicie słyszę dobrze tylko stacje bazowe, w promieniu 5km nie dalej. Mieszkam w Warszawie przy ruchliwych drogach, a bardzo rzadko i słabo słyszę kierowców. Teren nisko zabudowany, a antena jest umieszczona 15m nad ziemią na dachu budynku.

    Poza tym kolejnym objawem słabego odbioru są wskazania wbudowanego w radio diodowego wskaźnika s-meter. Niezależnie czy kręcę trymerem VR5 regulując poziom skali, gdy odbieram kogokolwiek wychyla się zawsze tylko o jedną diodę więcej. Przy regulacji trymerem szum zapala więcej diod, ale odbiór tylko 1 więcej, zawsze. Nie ważne kogo i jak blisko czy daleko oddalonego odbieram.

    Zasilacz sprawny (radio testowane też na innym)

    Elementy wymienione i sprawdzone samodzielnie od pierwszej serwisowej naprawy..

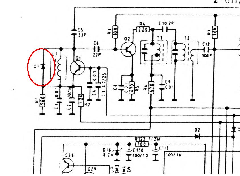
    Wymieniłem R117 (był uszkodzony)
    D1 (sprawna)
    D5 (sprawna)
    D9 (była uszkodzona ale radio działało?! - teraz sprawna)
    Tranzystory Q1, Q2, Q3, Q4, Q5, Q6, Q7 (sprawne)
    TDA2003 (napięcia noga 4 = 13.17V, noga 5 = 6.10V)
    C54 (napęczniały - wymieniony)
    Cewki (nieruszane)

    Mam za to dziwne wskazania na:
    D12 = 8,9V (chyba prawidłowo 9,1V)
    D13 = 8V (chyba prawidłowo 7,5V)
    D16 = 7,95V (chyba prawidłowo 8,2V)


    Może ktoś mnie pokieruje gdzie dalej szukać usterki.

    Poprzedni temat wylądował w koszu ze względu na złą merytoryczną treść postu, więc poprawiłem. Trzeci temat zacznę postem "Uszkodzona Onwa, słabo odbiera", chyba bardziej wyczerpująco nie można było tego napisać. Chyba wszytko już czytałem o tych radiach na wszystkich możliwych forach zanim opublikowałem ten post.
  • REKLAMA
  • #2 10183027
    SP5ANJ
    Spoczywaj w Pokoju
    Witam.
    desaintgermain napisał:
    Reflektrometr podłączony do radia wskazuje ponad 3 SWR, reflektrometr jest sprawny. Wiem jak mierzyć i odczytać pomiar, a radio nadaje rewelacyjnie.

    Widać, że jednak nie wszystko jest OK.

    Spróbuj doprowadzić WFS do wartości minimalnej, poprzez zestrojenie anteny/anten.
    Cytat:
    Mianowicie słyszę dobrze tylko stacje bazowe, w promieniu 5km nie dalej. Mieszkam w Warszawie przy ruchliwych drogach, a bardzo rzadko i słabo słyszę kierowców. Teren nisko zabudowany, a antena jest umieszczona 15m nad ziemią na dachu budynku.

    Musisz jednak wykonać poprawki w samej instalacji antenowej od "linii transmisyjnej" i samej anteny. (czytaj : konfiguracji całego systemu kabla koncentrycznego + anteny)
    Cytat:
    Niezależnie czy kręcę trymerem VR5 regulując poziom skali, gdy odbieram kogokolwiek wychyla się zawsze tylko o jedną diodę więcej

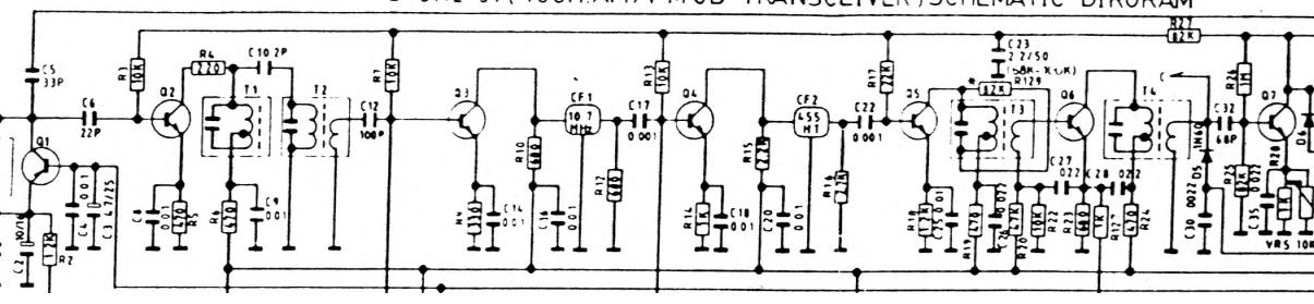
    Jest to typowy objaw samej detekcji sygnału w.cz. (czytaj : odbiornika), że wskazania są tylko na tym poziomie, ponieważ odbiornik "wykazuje" słabe wzmocnienie na [wzm. RX , mieszacza I p.cz. , mieszacza II p.cz. i detekcji sygnału użytecznego] głównie na (Q7).
    Cytat:
    Przy regulacji trymerem szum zapala więcej diod, ale odbiór tylko 1 więcej, zawsze. Nie ważne kogo i jak blisko czy daleko oddalonego odbieram

    Tutaj możemy rozważać system ARW odbiornika (ARW = Automatyczna Regulacja Wzmocnienia), której sprawność i poprawność działania w torze AM odbiornika jest Bardzo Ważna.
    Zobacz, że modulacja AM to sama "obwiednia sygnału AM" gdzie niepoprawnie działające ARW jest w stanie "ograniczać szczyty modulacji wynikające z samej emisji" AM-u.
    ____________

    Przejdźmy do szczegółów tej "awarii" , gdzie :
    Cytat:
    Wymieniłem R117 (był uszkodzony)

    R117 to tylko "automatyczny bias" stopnia mocy nadajnika - z odbiornikiem NIE ma NIC wspólnego.
    Onwa MK2 AM/FM - Słaby odbiór

    Cytat:
    D1 (sprawna)

    To "ogranicznik" jedno-połówkowy poziomu na wejściu odbiornika. W samym odbiorze ma znikomy wpływ na czułość odbiornika.
    Onwa MK2 AM/FM - Słaby odbiór

    Cytat:
    D5 (sprawna)

    D5 dioda detekcyjna, która ma dość duży wpływ (nie do końca) detekcji sygnału/emisji AM.
    Onwa MK2 AM/FM - Słaby odbiór

    Cytat:
    D9 (była uszkodzona ale radio działało?! - teraz sprawna)

    D9 dioda zabezpieczająca radio przed odwrotnym podłączeniem zasilania. Nie ma NIC wspólnego z odbiornikiem - jego czułością.
    D9 świadczy o przepaleniu z powodu odwrotnego podłączenia tego zasilania do radia (plus z minusem).
    Onwa MK2 AM/FM - Słaby odbiór

    Cytat:
    Tranzystory Q1, Q2, Q3, Q4, Q5, Q6, Q7 (sprawne)

    To cała część odbiornika w tym radiu.
    Onwa MK2 AM/FM - Słaby odbiór

    Cytat:
    TDA2003 (napięcia noga 4 = 13.17V, noga 5 = 6.10V)

    Objawy napięć PRAWIDŁOWE.
    Cytat:
    C54 (napęczniały - wymieniony)

    Również typowy objaw odwrotnego zasilania.
    Cytat:
    Cewki (nieruszane)

    Pozytywny objaw i mądrość NIE kręcenia filtrami. :D
    Cytat:
    Mam za to dziwne wskazania na:
    D12 = 8,9V (chyba prawidłowo 9,1V)

    Prawidłowo dioda Zenera 9v1 .
    Cytat:
    D13 = 8V (chyba prawidłowo 7,5V)

    Prawidłowo. Zasilanie syntezera częstotliwości w tym radiu.
    Cytat:
    D16 = 7,95V (chyba prawidłowo 8,2V)

    Prawidłowe. Zasilanie multipleksera wyświetlacza kanałów (wyświetlane cyferki).
    Cytat:
    Może ktoś mnie pokieruje gdzie dalej szukać usterki.

    Bardzo przepraszam za tak długi wpis ale chciałem tu pokazać, że naprawa radia NIE jest wcale taka "łatwa" patrząc z funkcji znajomości tematu i jego naprawy.
    Cytat:
    Poprzedni temat wylądował w koszu ze względu na złą merytoryczną treść postu, więc poprawiłem.

    Tu chodzi o prestiż samego Forum aby On był na tzw. poziomie.
    Zadziałał tu Regulamin.
    Cytat:
    Trzeci temat zacznę postem "Uszkodzona Onwa, słabo odbiera", chyba bardziej wyczerpująco nie można było tego napisać.

    I właśnie dlatego muszę (powinienem) przeprosić TU czytających za tak długi wpis, ale zrobiłem na tyle "długie" wytłumaczenie problemu abyś NIE musiał zakładać Nowego tematu.
    ______________

    Reasumując i teraz dopiero podpowiadając mogę przyjąć, że Twój problem z czułością odbiornika może wynikać z :
    - L1
    - poziomu napięć w.cz. z samego VCO
    - niesprawności CF2 (455kHz) - dość częsta awaria w tych czasach serwisowych
    - układu poziomów ARW (wcześniej widocznego na schematach)
    - układu detekcji AM-u opartego na Q7
    - antena i antena

    Pozdrawiam.
  • REKLAMA
  • #3 10187230
    desaintgermain
    Poziom 2  
    Teraz temu radiu nie odpuszczę, więc zabrałem się do roboty.

    Na chwile obecną:

    Sprawdziłem filtr ceramiczny 455 kHz (CF2).
    Gdzieś tu na forum wyczytałem, aby sprawdzić
    4,3 lub 2 pin (masa) z 5 pinem czyli wyjściem.
    Na wyjściu mam 0V (powinno być 1V, nie mniej), wygląda na uszkodzony.

    Byłem w sobotę na obu giełdach elektronicznych w warszawie, ale nigdzie go nie dostałem. W takim razie zamawiam przez internet.

    Kupiłem nowe filtry 10.7MHz (CF1) koszt to tylko 1zł, jest bez zmian więc zostawiłem oryginalny.

    Jak na razie stwierdziłem jeszcze dwie nieprawidłowe rzeczy.

    R129, ma przeciętą nogę? (według schematu powinien być tam 6.2k,ale jest 82k)
    R66 (powinien być 27k, a mam tam 1k)

    Wszystkiego jeszcze nie sprawdziłem. Czekam na filtr 455kHz, jak dojedzie napisze co się zmieniło.

    Oczywiście biorę taki sam czyli 455 +/- 3kHz (455HT)
  • #4 10254790
    bc211
    Poziom 30  
    Jeśli dobrze zrozumiałem, to problem jest w napięciach zasilających.
    30-sta noga syntezy i dalej w kierunku Q2, Q3, Q4, Q5, Q6, Q7
  • REKLAMA
  • #5 10266781
    desaintgermain
    Poziom 2  
    Wymieniłem filtr na nowy, po wymianie na wyjściu filtra jest dalej 0V.
    Czy to możliwe aby radio odbierało cokolwiek w takim przypadku?
    Coś mi tam odbierało, ale tylko mocne stacje.

    Wyciągając kabel od gruszki, złapałem radio pionowo opierając je o biurko i nagle normalnie zaczęło odbierać!
    Czyli spadł poziom na s-meter, ale też działał normalnie.
    Jakość odbioru i ilość odbieranych stacji zwiększyła się diametralnie.
    Przynajmniej przez ten czas kiedy je tak trzymałem, kilka chwil bo tego sukcesu nie udało się powtórzyć. Ruszając wtykiem antenowym i od gruszki.

    Szukając powodu, sprawdziłem jak odbiera bez gruszki, oczywiście po zwarciu odpowiednich pinów.
    Zmieniłem wtyk antenowy przy radiu na nowy, w pozycji pionowej gdy trzymając radio na biurku przyciśnięty był do blatu.
    Przelutowałem tak dla pewności okolice vco, zimne luty eliminowałem już wcześniej.

    Nic to nie zmieniło, dopiero kiedy przyglądałem się ścieżkom zobaczyłem sporo małych drobinek cyny, czy raczej metalicznego pyłu. Przeczyściłem płytę i przestrzenie między punktami lutowniczymi w sekcji odbiornika dość dokładnie, zwłaszcza w okolicy tranzystorów.

    Sukces!

    Jak na razie radio zachowuje się normalnie.
    Nie sprawdzałem tylko napięcia kolejny raz na filtrze, wypadało by to zrobić..
    radio działa drugi dzień i dobrze odbiera :)
    Nawet blokada szumów jest skręcona na wiele mniej, a poprzednio rozkręcona prawie na maksimum.
  • REKLAMA
  • #6 10346355
    bc211
    Poziom 30  
    desaintgermain napisał:
    Nic to nie zmieniło, dopiero kiedy przyglądałem się ścieżkom zobaczyłem sporo małych drobinek cyny, czy raczej metalicznego pyłu. Przeczyściłem płytę i przestrzenie między punktami lutowniczymi w sekcji odbiornika dość dokładnie, zwłaszcza w okolicy tranzystorów.

    Sukces!

    Jak na razie radio zachowuje się normalnie.
    Usterka najgorsza z możliwych, bo przyczyna nie została znaleziona. Dlatego dobrze zrobić za wczasu jakiś sensowny pomiar w poszukiwaniu anomalii. Jeśli ktoś wie czego się spodziewać w pomiarach jest o wiele łatwiej. SP5ANJ kolejny raz przewidział przyszłość i zaznaczył co jest dobrze, a co źle oraz wyjaśnił zasadę działania najważniejszych rzeczy. Solidny wykład z radiotechniki :D Nie mam pojęcia jak On to robi...dodam jeszcze, że taki typ toku myślenia b. mi się podoba wydaje się, że tego jest dużo, ale to ułatwia życie wiem to sam po sobie
  • #7 10346696
    PLEXI
    Poziom 24  
    Widać "serwis", który naprawiał radio był bardzo profesjonalny :)>

    Odnośnie tego zanikającego odsłuchu i dziwnych wskazań reflektometru, sprawdź czy rezystos i kondensator przy gnieździe antenowym są ok, czasem zdarza się, że rezystor nie kontaktuje z gniazdem antenowym .
  • #8 10350432
    sp3hbf
    Poziom 15  
    Tak jak kolega zauważył to są zimne luty na wejściu antenowym przy R i C do masy.Często też przyczyną jest to że,są luźne śruby mocujące płytę główną do obudowy przyczyna prozaiczna ale bardzo częsta.
    Pozdrawiam Ryszard.
REKLAMA