logo elektroda
logo elektroda
X
logo elektroda
REKLAMA
REKLAMA
Adblock/uBlockOrigin/AdGuard mogą powodować znikanie niektórych postów z powodu nowej reguły.

10 - kanałowy equalizer na wzmacniaczach operacyjnych

ankuch 14 Mar 2003 20:34 11741 21
REKLAMA
  • O autorze
    ankuch
    Spoczywaj w Pokoju
    Offline 
    ankuch napisał 1314 postów o ocenie 91, pomógł 38 razy. Mieszka w mieście Częstochowa. Jest z nami od 2002 roku.
  • REKLAMA
  • #2 181264
    Archie2K
    Poziom 2  
    Posty: 2
    Ocena: 1
    ankuch napisał:
    Jak w temacie :)


    Fajnioosia sprawa ;] Oby takich wiecej.

    Pozdroffka Archie
  • REKLAMA
  • #3 707120
    Konto nie istnieje
    Konto nie istnieje  
  • #4 1160949
    yety
    Poziom 12  
    Posty: 66
    Pomógł: 2
    Ocena: 3
    ja tam nie widze jaki jest opór R30...... i C24

    PS: płytka by się przydala. robił juz to ktoś ? jaka jest cena takiego EQ ?
  • #5 1311404
    yety
    Poziom 12  
    Posty: 66
    Pomógł: 2
    Ocena: 3
    ee nikt nie odpowie bo nie wiem jaki ma byc opornik :/ a kondensatora nie znalazlem na schemacie wiec chyba go nie ma ?! ale jeszcze pozostaje mi nieznana rezystracja R30
  • #6 1442630
    Konto nie istnieje
    Konto nie istnieje  
  • #7 1456064
    konst
    Poziom 15  
    Posty: 207
    Pomógł: 2
    Ocena: 14
    dajcie pBytke :]
  • #8 1569304
    karollo19
    Poziom 15  
    Posty: 198
    Pomógł: 1
    Ocena: 14
    Witam!!
    Czy nikt naprawdę nie ma płytki do tego equalizera?
    Pozdrawiam
  • REKLAMA
  • #9 1572096
    Ma-y-ster
    Poziom 15  
    Posty: 125
    Pomógł: 4
    Taa to fakt, płytka by sie przydała, ale w takim wypadku trzeba poszukać samemu programu (na elektrodzie) do robienia płytek i sie tym tutaj wymienić.
  • #10 1575086
    karollo19
    Poziom 15  
    Posty: 198
    Pomógł: 1
    Ocena: 14
    Czy ktoś rozszyfrował wartość tego oprnika R30?
  • #11 1624442
    Konto nie istnieje
    Konto nie istnieje  
  • #12 1624557
    sq8ju
    Poziom 24  
    Posty: 649
    Pomógł: 33
    Ocena: 10
    Cytat:
    eq 10 kanalowy


    Coś chyba mało punktów sobie wziąłeś... :|
  • #13 1624750
    Konto nie istnieje
    Konto nie istnieje  
  • #14 1626341
    bogdan_10
    Poziom 20  
    Posty: 526
    Pomógł: 25
    Ocena: 32
    A nie prościej na scalakach.
  • #15 1626636
    Konto nie istnieje
    Konto nie istnieje  
  • #16 1626686
    bogdan_10
    Poziom 20  
    Posty: 526
    Pomógł: 25
    Ocena: 32
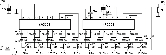
    Bo tak spojrzałem na ten schemat i ten bałagan a przcierz są scalaki z pięcioma kanałami i takie dwa, dużo prościej. Myśle że kolega marcias86 chce wyrwać punkty.
  • #17 1626912
    Konto nie istnieje
    Konto nie istnieje  
  • #18 1627030
    bogdan_10
    Poziom 20  
    Posty: 526
    Pomógł: 25
    Ocena: 32
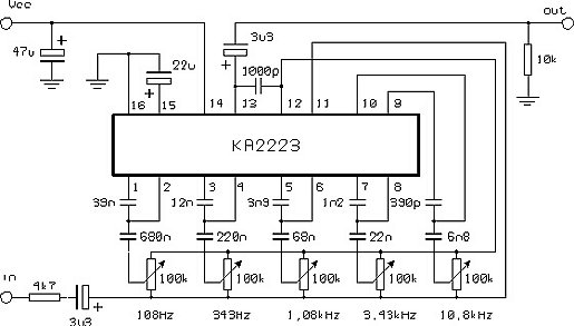
    Mnie nie chodzi o twój schemat tylko o ten pierwszy, twojego nie widziałem. A co myślicie o tym 5-cio kanałowym.
    Załączniki:
    • 10 - kanałowy equalizer na wzmacniaczach operacyjnych equ1.jpg (31.35 KB) Musisz być zalogowany, aby pobrać ten załącznik.
  • REKLAMA
  • #19 1627150
    Konto nie istnieje
    Konto nie istnieje  
  • #20 1627161
    bogdan_10
    Poziom 20  
    Posty: 526
    Pomógł: 25
    Ocena: 32
    Jest i 10 kanałów. Póżno jutro podeśle reszte.
    Załączniki:
    • 10 - kanałowy equalizer na wzmacniaczach operacyjnych sema186b.jpg (61.57 KB) Musisz być zalogowany, aby pobrać ten załącznik.
  • #21 1627180
    Konto nie istnieje
    Konto nie istnieje  
  • #22 1627578
    bogdan_10
    Poziom 20  
    Posty: 526
    Pomógł: 25
    Ocena: 32
    I oto mi chodziło że jest bardziej prosty.

Podsumowanie tematu

✨ Dyskusja dotyczy 10-kanałowego equalizera opartego na wzmacniaczach operacyjnych. Uczestnicy zwracają uwagę na brak pełnych danych elementów, takich jak wartość rezystora R30 i kondensatora C24, co utrudnia wykonanie płytki drukowanej. Pojawiły się prośby o udostępnienie schematu i płytki PCB, a także pytania o cenę takiego equalizera. Wątek porusza także alternatywę w postaci scalonych układów wielokanałowych (np. 5-kanałowych), które są prostsze w realizacji, choć mogą mieć większe zniekształcenia niż układy na wzmacniaczach operacyjnych. Jeden z użytkowników udostępnił schemat na wzmacniaczach operacyjnych TL072 oraz wskazał na możliwość wykonania płytki po modyfikacji istniejącej płytki z equalizera 2x9 kanałów, wraz z opisem i wzorami do obliczania wartości elementów w obwodach rezonansowych. W dyskusji pojawił się także equalizer "sansound -eq15480" o mocy 100 W, jednak bez jasnych instrukcji podłączenia.
Wygenerowane przez model językowy.
REKLAMA