logo elektroda
logo elektroda
X
logo elektroda
REKLAMA
REKLAMA
Adblock/uBlockOrigin/AdGuard mogą powodować znikanie niektórych postów z powodu nowej reguły.

Zmiana zakresu pomiarowego z wykorzystaniem multipleksera analogowego

foneotek 03 Maj 2016 09:56 5409 18
REKLAMA
  • #1 15646221
    foneotek
    Poziom 10  
    Posty: 35
    Witam,


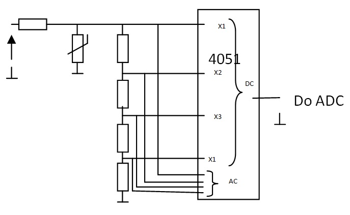
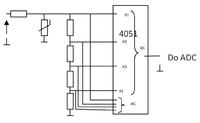
    Jestem w trakcie projektowania multimetru który będzie mierzył napięcie stałe, zmienne oraz rezystancje. Multimetr będzie w oparciu o ATMEGA32, oraz w zewnętrzny przetwornik ADC, oraz do pomiaru napięcia zmiennego użyty będzie przetwornik TRUE RMS. Początkowo myślałem zrobić zmiane zakresów pomiarowych np. na jakimś obrotowym przełączniku, tak podobnie jak to jest w większości multimetrów, ale wolał bym np. przełączać zakresy switchem podłączonym do uC:) Myślałem o przełączaniu zakresów za pomocą tranzystorów MOS, ale wykorzystał bym do sterowania min. 12 portów(licząc po 4 zakresy-na pomiar napięcia zmiennego, stałego i oporu), a zależy mi na zaoszczędzeniu portów mikroprocka. Dlatego wpadłem na pomysł użycia multipleksera np: 4051B, ponieważ za pomocą 4 lini mogę sterować 8 wejściami(zakresami), czyli dla napięcia stałego i zmiennego razem.
    Zmiana zakresu pomiarowego z wykorzystaniem multipleksera analogowego
    Teraz budzą się we mnie wątpliwości co do tego rozwiązania, w nocie katalogowej jest wzmianka o "HIGH ”OFF” RESISTANCE : CHANNEL LEAK.
    AGE ± 100pA (typ.) VDD – VEE = 18V" czyli jak rozumie przepływie prądu w stanie wyłączenia. Czy taki stan rzeczy może wpływać na dokładność pomiaru? Poza tym układ chce zrobić na dzielniku rezystorowym,z tym ze chciał bym mierzyć napięcie np sieci 230V, wiec czy taki układ wgl bedzie działał, bo podczas pomiaru dużych napięć na niektórych wejściach MUX'a bedzie się pojawiało bardzo wysokie napięcie, wtedy oczywiście te wejścia będą w stanie OFF. Jakie ewentualnie zabezpieczenia mogę tu zrobić? Czy przy pomierze dużych napięć MUX nie pójdzie z dymem?

    Pozdrawiam
  • REKLAMA
  • #2 15646465
    tmf
    VIP Zasłużony dla elektroda
    Posty: 14318
    Pomógł: 2090
    Ocena: 2203
    Zapomnij o takim rozwiązaniu. Nawet jeśli dany multiplekser wyłączysz to na jego wejściu nie może pojawić się napięcie wyższe niż kilka woltów - sprawdź w nocie, jakie dokładnie.
  • Pomocny post
    #3 15647070
    ostrytomasz
    Poziom 25  
    Posty: 490
    Pomógł: 82
    Ocena: 213
    Jeżeli rezystor na wejściu będzie odpowiednio duży to napięcie na wejściu 4051 nie przekroczy napięcia zasilania o więcej niż napięcie przewodzenia clamp diodes. W danych aplikacyjnych jest określony maksymalny prąd wejścia i absolutnie nie należy się do niego zbliżać.
    Nie wiem czy 4051 jest w ogóle potrzebny - tutaj bardzo pomysłowy przełącznik dzielnika używający jedynie rezystorów i GPIO:
    https://github.com/elmot/open-oscilloscope-stm32f3#shield-board
    Zasada działania: jeżeli napięcie wejściowe powoduje nasycenie ADC rezystancja "dolnej" gałęzi dzielnika jest zmniejszana przez zmianę stanu GPIO. Rezystory są dobrane tak, aby prąd wejściowy nie był krytyczny nawet przy najmniejszym współczynniku podziału.
    Błędy pomiarowe w dużym stopniu można eliminować drogą kalibracji - nawet wielopunktowej.
  • REKLAMA
  • #4 15647304
    foneotek
    Poziom 10  
    Posty: 35
    No to chyba użycie multipleksera nie wchodzi w gre, bo dając na wejściu rezystor o dużej wartości przy pomiarach niskich napięć bedzie na wyjściu dzielnika bardzo małe napięcie idące do ADC.
    Co do rozwiązania z rezystorami to nie do końca go rozumiem. Czyli do wykonania takiego przełącznika musiał bym wykorzystać ADC z ATmegi oraz porty I/O, a dopiero potem wyjście z dzielnika na zewnętrzne ADC do pomiaru napięcia?

    Dodano po 1 [godziny] 12 [minuty]:


    Zmiana zakresu pomiarowego z wykorzystaniem multipleksera analogowego



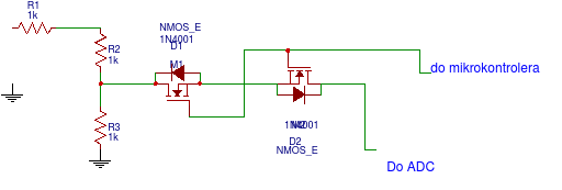
    Edytuj A taki układ sprawdził by sie? oczywiście nie narysowałem drugiego dzielnika do pomiaru rezystancji i podłączonego do multipleksera. Wartości rezystorów w dzielniku na razie nie istotne. Czy rezystor na drenie jest potrzebny?
  • #5 15647548
    ostrytomasz
    Poziom 25  
    Posty: 490
    Pomógł: 82
    Ocena: 213
    foneotek napisał:
    No to chyba użycie multipleksera nie wchodzi w gre, bo dając na wejściu rezystor o dużej wartości przy pomiarach niskich napięć bedzie na wyjściu dzielnika bardzo małe napięcie idące do ADC.


    Napięcie nie zależy od rezystancji a od ich stosunku. Na przedstawionym schemacie minimalny podział to 1:2. Rezystancja wejściowa ADC może być w zasadzie pominięta, tym bardziej że przed nimi włączone są wbudowane PGA.

    foneotek napisał:

    Co do rozwiązania z rezystorami to nie do końca go rozumiem. Czyli do wykonania takiego przełącznika musiał bym wykorzystać ADC z ATmegi oraz porty I/O, a dopiero potem wyjście z dzielnika na zewnętrzne ADC do pomiaru napięcia?


    Wystarczy 1 ADC i N-1 GPIO zdolnych do wejścia w stan wysokiej impedancji gdzie N to liczba zakresów. Schemat jest minimalnie przesadzony, bo jeżeli chodzi o A2, B2, C2 to mogą zawsze przyjmować stan niski, tym samym ich podłączenie jest zbędne.
    Wadą takiego dzielnika w części zastosowań jest zmienna impedancja wejściowa, tu: 900k - 2M w zależności od zakresu.

    Tak poza tym rezystory muszą być dostosowane do napięć bo ich wytrzymałość napięciowa też jest ograniczona.
    Jeżeli to miałoby mierzyć True RMS to jest problem - czy z 4051 czy bez zmierzy to tylko jedną połówkę.
  • #6 15647614
    tmf
    VIP Zasłużony dla elektroda
    Posty: 14318
    Pomógł: 2090
    Ocena: 2203
    @foneotek Schemat jest błędny. Zastanó się -jeśli wyłączysz MOSFETa, to momentalnie napięcie pomiędzy S-D wzrośnie do napięcia mierzonego. Są MOSFETy wysokonapięciowe, które wytrzymują kilkaset woltów, ale nie jest to typowe. W dodatku MOSFET ma pasożytniczą diodę, która przewodzi w drugą stronę, więc napięcie ujemne będzie obcinane praktycznie do poziomu GND. Ogólnie nie ma co wymyślać koła od nowa, są w Internecie schematy takich rozwiązań, więc dlaczego z nich nie skorzystać?
  • REKLAMA
  • #7 15647685
    Konto nie istnieje
    Konto nie istnieje  
  • Pomocny post
    #8 15647689
    Konto nie istnieje
    Poziom 1  
  • #9 15647746
    lekto
    Poziom 35  
    Posty: 2716
    Pomógł: 294
    Ocena: 299
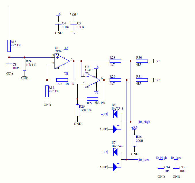
    atom1477 napisał:
    szyna oznaczona na schemacie jako Noise to mały szum właśnie do celów nadpróbkowywania

    W jaki sposób był generowany szum?
  • #10 15647789
    Konto nie istnieje
    Poziom 1  
  • #11 15677574
    foneotek
    Poziom 10  
    Posty: 35
    tak się zastanawiam i wykorzystam schemat atom1477. A teraz jeszcze jedno pytanie, zadam je tutaj bo nie chce zakładać innego wątku. Łączył ktoś kiedyś podobnego typu przetwornik? w nocie katalogowej w przykładowym schemacie jest zaznaczone żeby połączenie z mikroprocesorem było poprzez optoizolacje, rozumiem tutaj że to chodzi o transoptory. Znalazłem transoptor 6N137, który jak mi się wydaje powinien być do takiej komunikacji idealny(chyba). I teraz takie pytanie? czy taka optoizolacja jest konieczna? będzie kompletny brak komunikacji, czy będą jakieś błędy?
  • #12 15678653
    foneotek
    Poziom 10  
    Posty: 35
    tmf napisał:
    W dodatku MOSFET ma pasożytniczą diodę, która przewodzi w drugą stronę, więc napięcie ujemne będzie obcinane praktycznie do poziomu GND.
    Mógł by ktoś zaproponować jakiś schemat z przełączaniem zakresów poprzez tranzystory MOS tak by możliwy był pomiar również napięć ujemnych?
  • #13 15678699
    Konto nie istnieje
    Poziom 1  
  • #14 15678822
    foneotek
    Poziom 10  
    Posty: 35
    Czytałem gdzieś kiedyś o takich tranzystorach z czterema wyprowadzeniami, ale pewnie ich zdobycie nie będzie taki proste, choć jak patrze to na tme są i pewnie gdzieś na Chińskich stronach jakieś bym znalazł, ale raczej nie chciał bym wykorzystywać takich tranzystorów.

    Antyszeregowo mam rozumieć np takie coś?


    Zmiana zakresu pomiarowego z wykorzystaniem multipleksera analogowego



    Edytuj
  • REKLAMA
  • #15 15678892
    Konto nie istnieje
    Poziom 1  
  • #16 15679070
    foneotek
    Poziom 10  
    Posty: 35
    Nigdzie nie mogę znaleźć w jaki sposób poprawnie podłączyć dwa MOSFET'y "antyszeregowo" w moim przypadku do ATMEGI. Chciałbym sterować oczywiście tymi dwoma tranzystorami z jednego wyjścia mikrokontrolera.
  • #17 15679217
    Konto nie istnieje
    Poziom 1  
  • #18 15679720
    tmf
    VIP Zasłużony dla elektroda
    Posty: 14318
    Pomógł: 2090
    Ocena: 2203
    @atom1477 Z powodów o których pisałeś antyszeregowe połączenie MOSów stosuje się rzadko, wymaga to skomplikowanych układów sterowania bramkami, chyba, że mówimy o napięciach poniżej VGS max. Ale i tak pojawi się problem zmian RDSon w miarę zmian
    VGS. Stąd takie połączenie MOSFETów stosuje się w optoMOSach, gdzie bramką steruje mikrofotoogniwo.

Podsumowanie tematu

✨ Użytkownik projektuje multimetr oparty na ATMEGA32, z zewnętrznym przetwornikiem ADC i TRUE RMS do pomiaru napięcia. Rozważa zastosowanie multipleksera 4051B do zmiany zakresów pomiarowych, jednak pojawiają się wątpliwości co do jego zastosowania, zwłaszcza przy pomiarach niskich napięć. Uczestnicy dyskusji sugerują alternatywne rozwiązania, takie jak użycie dzielnika napięcia z rezystorami oraz optoizolacji przy komunikacji z mikroprocesorem. Wskazują również na problemy związane z używaniem MOSFETów do przełączania napięć zmiennych oraz na konieczność odpowiedniego sterowania bramkami. Pojawiają się także pytania o schematy i komponenty, które mogą być użyte w projekcie.
Wygenerowane przez model językowy.
REKLAMA